Found a wire cut up under my steering wheel and also need a diagram of the wiring to the factory alarm def system?

2004 JEEP GRAND CHEROKEE LAREDO
300,000 MILES • 4.0L • 6 CYL • 2WD • AUTOMATIC
Avatar
KENNETH SMOAK
  • MEMBER
  • 1 POST
So I've had this vehicle for about 5 years and I remember once upon a time I used to have an alarm system on here the factory alarm system and just recently I noticed that my alarm doesn't engage and it's probably been like that for a few years now as I don't have a key fob anymore. So, I'm not sure if that's why but I just need a diagram for the wiring of the factory alarm theft system. If anyone can help me out, please it would be greatly appreciated. Also about a year ago I got into my vehicle and next to the brake pedal to the left was a wire a light blue wire with a dark stripe hanging there cut like someone cut it with wire cutters and just left it there and I'm curious to know where that goes as I've yet to backtrack the wire myself because it is probably going to be a pain! I've done so much front end work to my vehicle it's crazy I know this is off topic but I've been trying to fix the death wobble and unfortunately I'm still at square one and I literally done everything to the front end that you could do besides bearings and axle if anyone has any information on that it would be greatly appreciated. Hope everyone is having an awesome time this holiday season and it's staying safe. Looking forward to hearing back from y'all. Thank you! Oh and well, I'm thinking about it because this is another major issue that I'm having over the past year and I can't seem to fix it is my vehicle feels like I'm driving a boat on water when I'm going down the road I can't seem to keep it straight no matter how hard I try if anyone has any information on that as well please feel free to share as I could use all the information and knowledge from y'all as much as possible. Thank you all again!
Nov 30, 2024 at 9:24 PM
Advertisement
Avatar
STRAILER
  • CERTIFIED EXPERT
  • 53,854 POSTS
Thank you for the kind words. We only handle one problem per thread so please start new threads for the other issues. I would lock and then unlock the rear liftgate which will disarm the alarm. Or you can try a hard system reboot.

https://www.2carpros.com/articles/step-by-step-guide-performing-a-hard-system-reboot-for-your-vehicles-electronics-systems

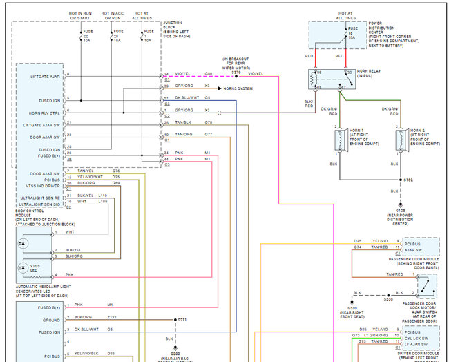
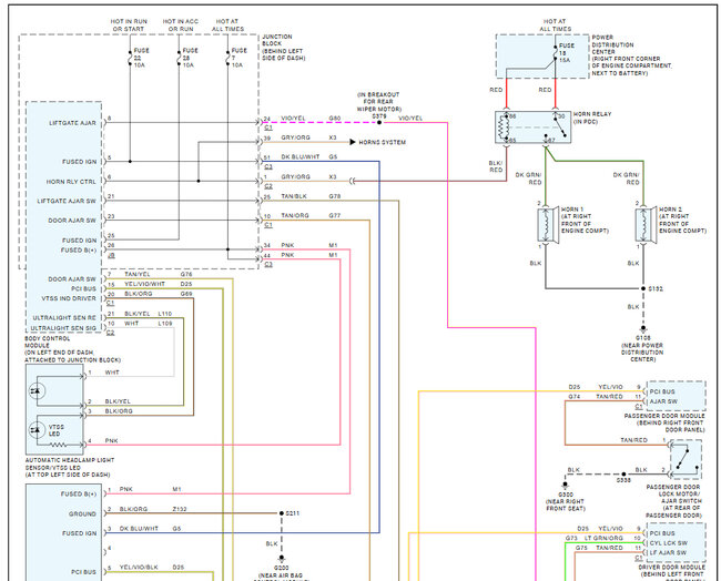
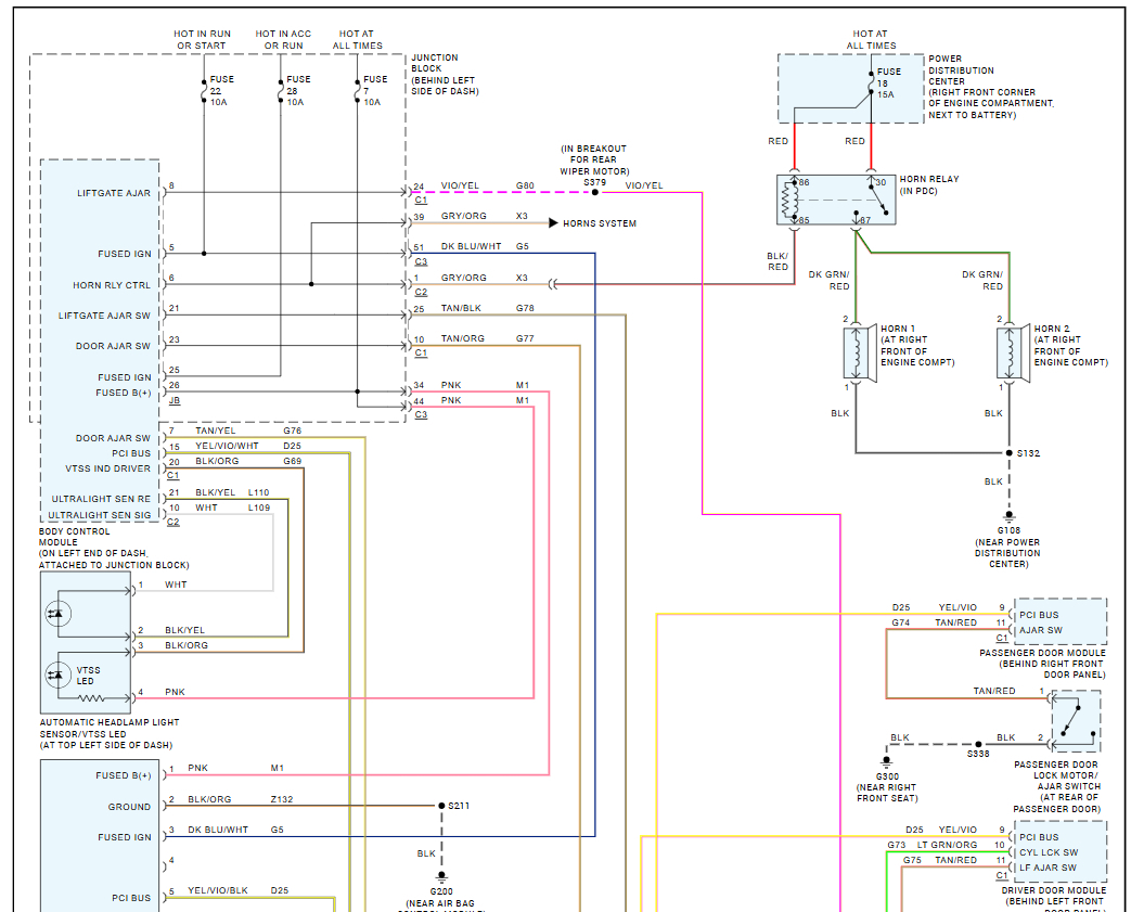
Please add images for your other posts, here is the alarm wiring diagram as requested. Check out the images (below). Please let us know what happens.

Dec 1, 2024 at 12:19 PM