☰
Login
Join
×
Home
Answered Questions
Repair Topics
Repair & Service Guides
Popular Questions
Warning Lights
Trouble Codes
How It Works
Testing / Diagnostics
Symptoms
Videos
Login
Become a Member
Home
Ford
Windstar
Exterior Light
Headlight
Wiring
headlight wiring diagram?
2003 FORD WINDSTAR
RDWEST
MEMBER
1 POST
FOLLOW
1 headlight has power 1 does not where does the negative wire go to for the right headlight? Can I get headlight wiring diagrams?
Oct 23, 2010 at 10:27 AM
Advertisement
BLUELIGHTNIN6
CERTIFIED EXPERT
16,542 POSTS
Hello,
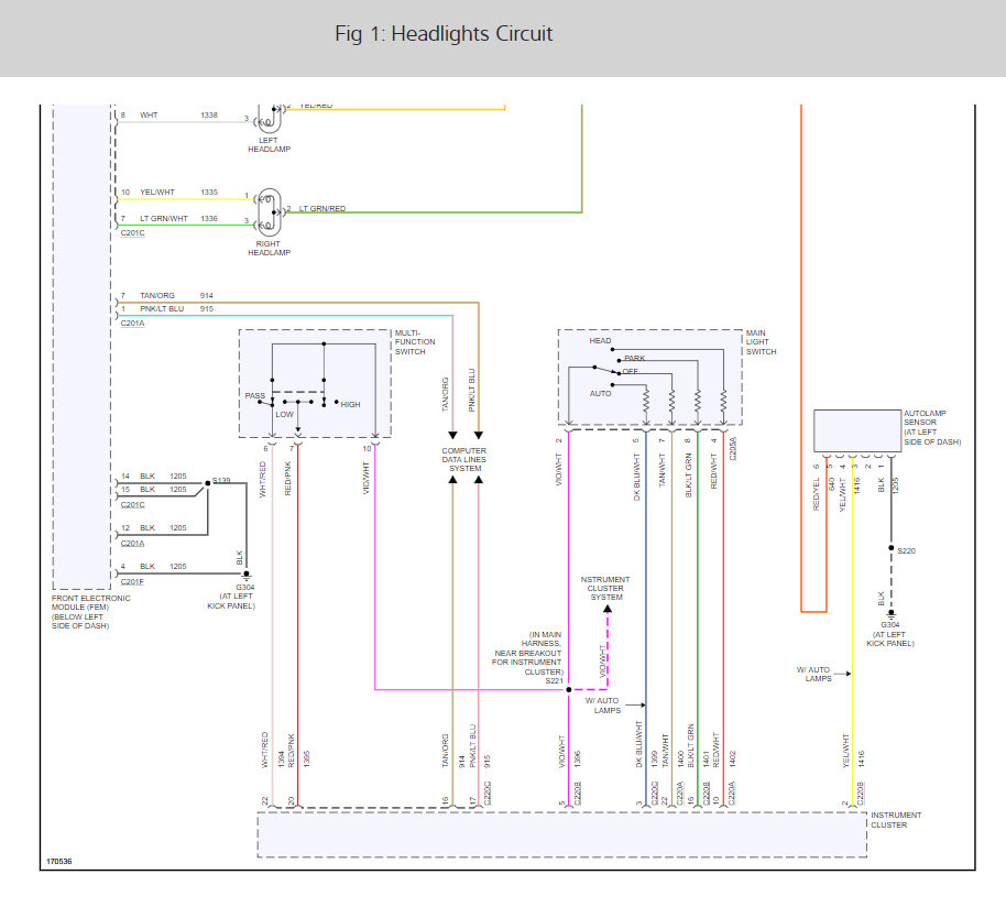
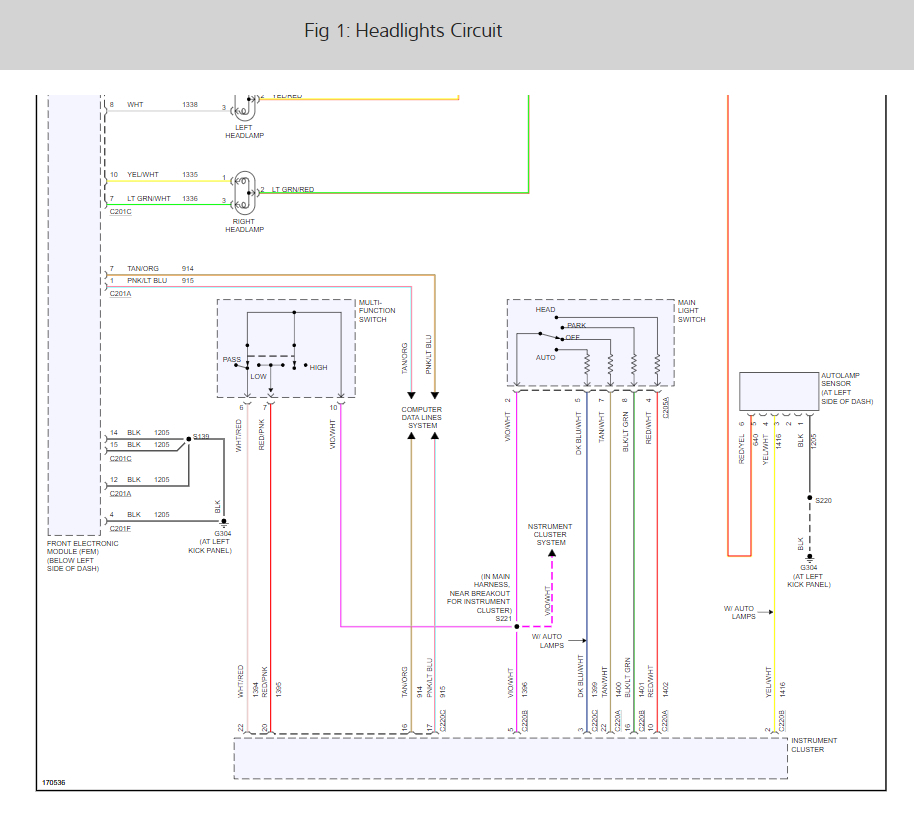
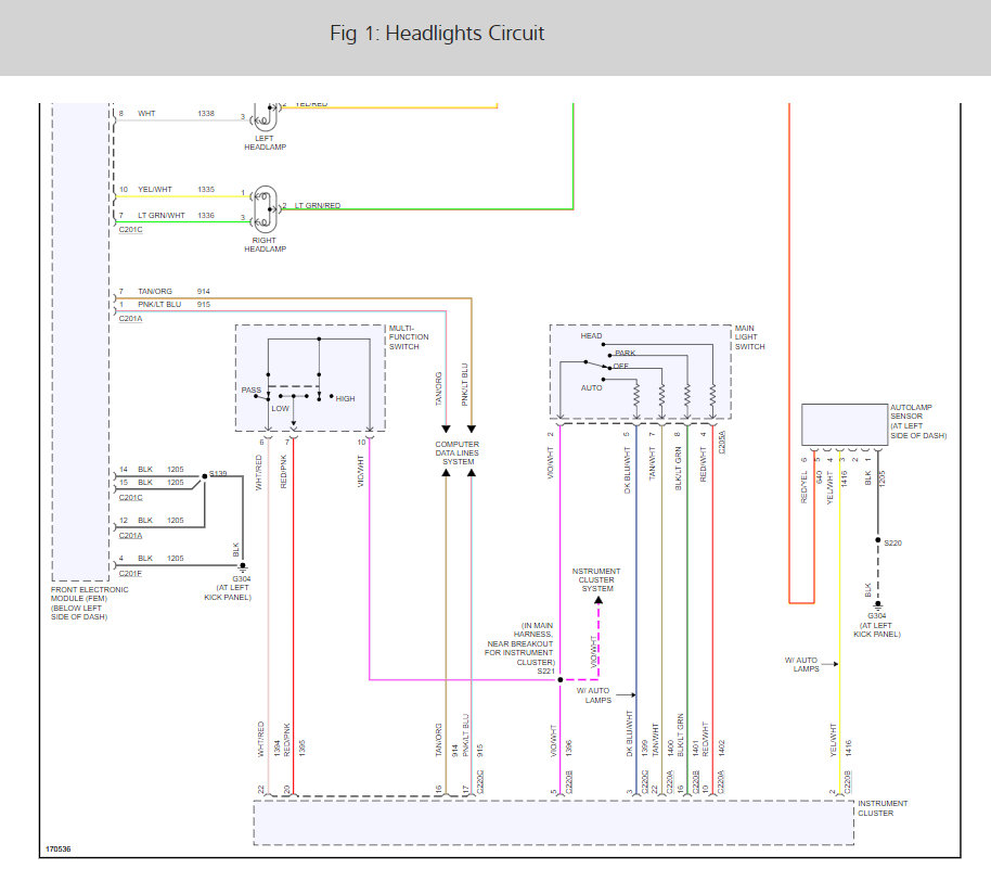
There are fuses for each headlight mode here is the fuse location and headlight wiring diagrams so you can see how the system works.
https://www.2carpros.com/articles/how-to-check-a-car-fuse
and
https://www.2carpros.com/articles/how-to-use-a-test-light-circuit-tester
Check out the diagrams (Below). Please let us know what you find. We are interested to see what it is.
Images (Click to enlarge)
Oct 24, 2010 at 12:12 AM