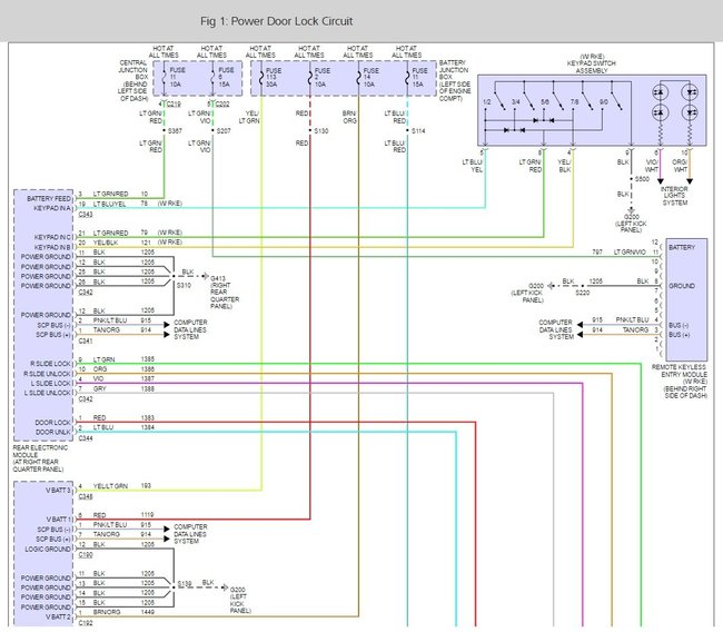
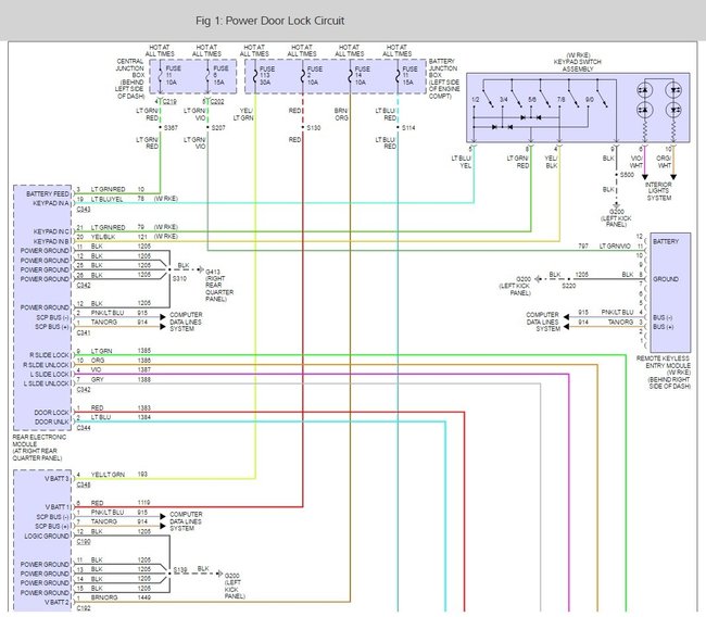
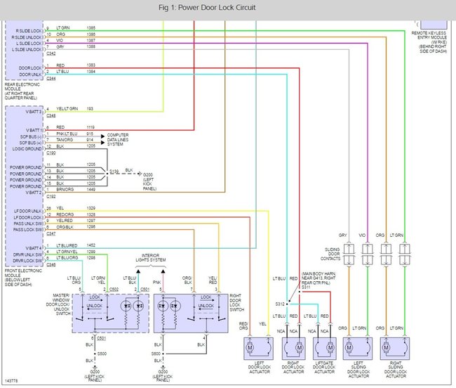
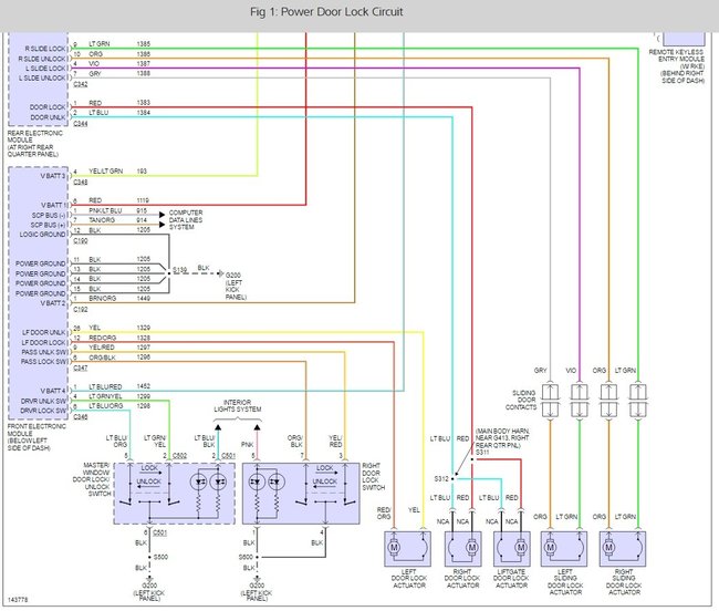
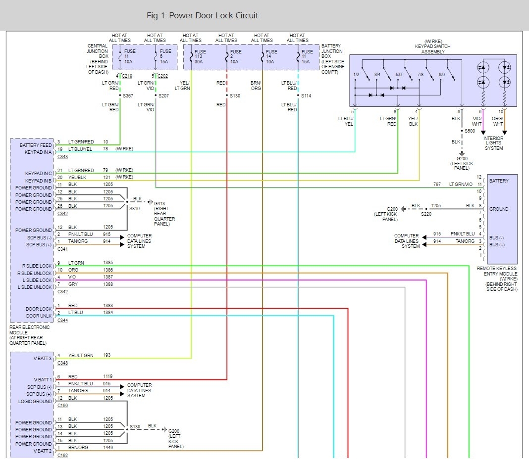
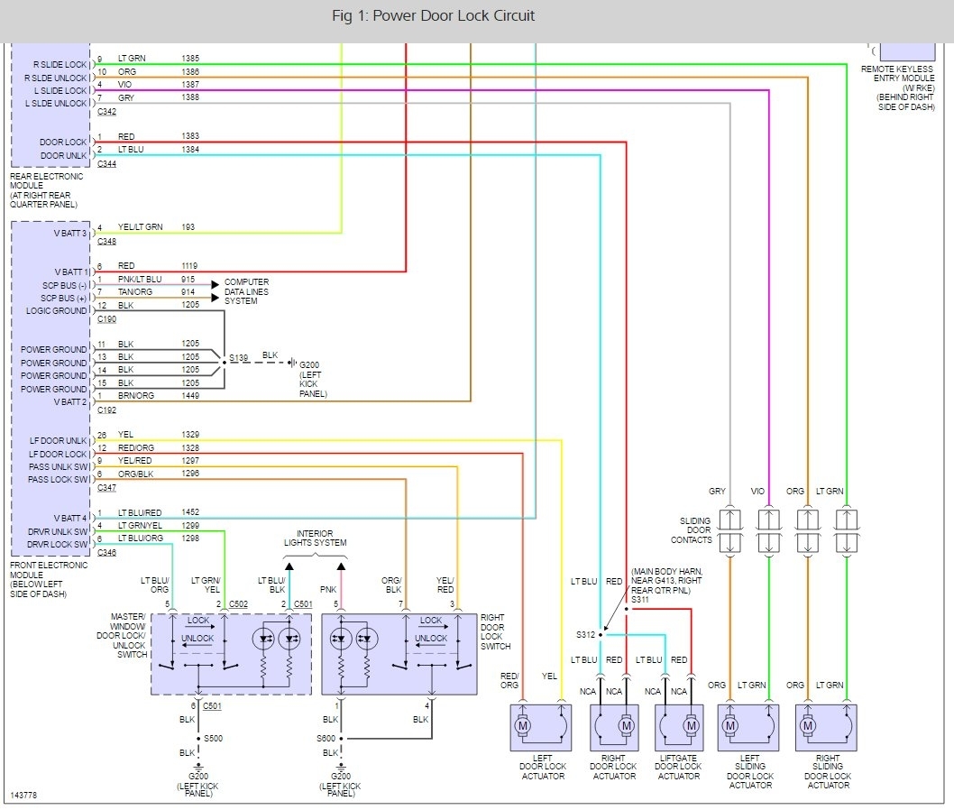
My passenger side sliding door is an automatic door. When you try to shut it, it will not close .it will keep opening up like something is between the door and the latch. It will not latch either if you try turning it to manual. The latch does not snap shut. If you try to snap the latch shut (in the inside of the door), it will not latch. You can put a screwdriver in the opening and hit something that resets the latch and then the door will close. I have tried to oil it, had it to a garage who said it would not fail for them, even though it consistently fails for me maybe thirty times in a row.
May 20, 2008 at 7:32 PM










