Hello,
Here is a video and a guide (below) with some diagrams to help you get the job done.
https://youtu.be/BGBUv5r9fk0
Here are instructions from the book.
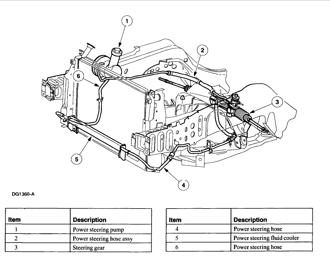
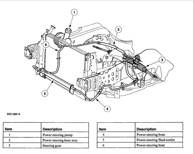
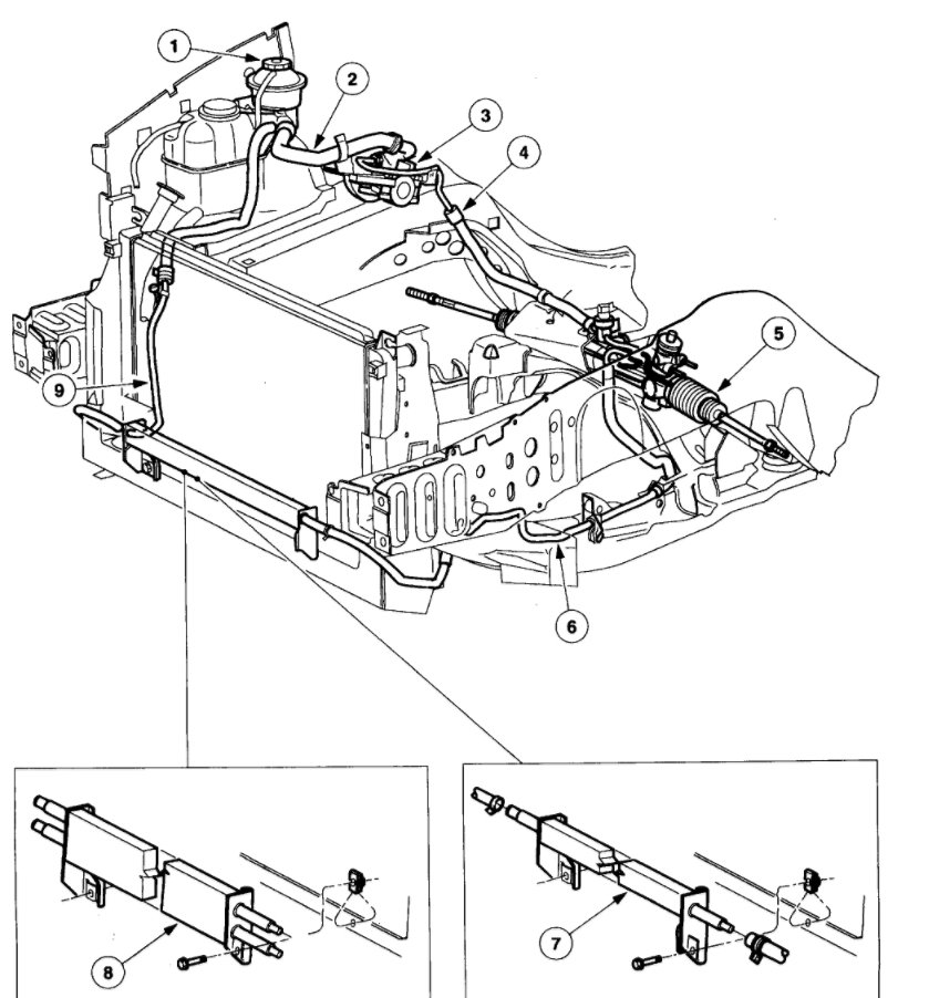
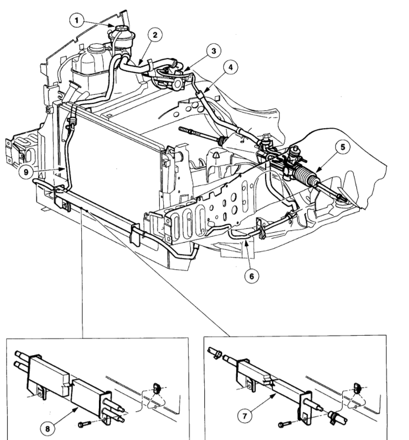
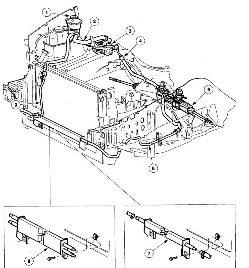
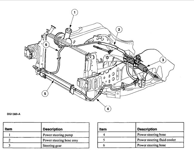
Park your car in a safe place. Make sure you have enough room at the front to work on your car. Open the hood and place a drain pain directly underneath the power steering hose you need to replace. Disconnect the hose you want to replace at the power steering pump. Use a tube wrench to loosen the nut.
Let the power steering fluid from the unplugged hose drip onto the drain pan. Disconnect the other end of the power steering hose from the rack and pinion assembly or linkage system, depending on the particular vehicle model you own. Use the tube wrench.
Let the power steering fluid drip onto the drain pan. Remove the hose from the engine compartment. Install the New Power Steering Hose
Connect the new power steering pressure hose to the rack and pinion assembly or linkage system. Start the connecting nut by hand to avoid damage to the threads. Connect the other end of hose to the power steering pump. Start the nut by hand first to avoid damage to the threads.
Tighten both ends of the steering hose connecting nuts using the tube wrench. Check the steering fluid level in the power steering reservoir, and add new fluid if necessary. The steering fluid level should be between the low and full marks. Use a funnel to add fluid through the reservoir dipstick tube or filler neck, depending on your particular vehicle model.
You should flush the system when completed.
https://www.2carpros.com/articles/power-steering-fluid-flush
Bleeding the Power Steering System
Start the engine. Turn the steering wheel fully to the left and right at least four times. Check the power steering fluid level. Make sure the level is between the "Low" and "Full" marks. Add as necessary. Repeat steps 2 and 3 until the power steering reservoir keeps the fluid at the appropriate level.
This guide will help you lift the car up
https://www.2carpros.com/articles/jack-up-and-lift-your-car-safely
Diagrams (Below)
Please let us know if you need anything else to get the problem fixed.
Cheers, Ken
Images (Click to enlarge)
Oct 18, 2017 at 5:23 PM