1999 Ford Windstar Tail lights do not work

1999 FORD WINDSTAR
120,000 MILES • 6 CYL • 2WD • AUTOMATIC
Avatar
RON DUEHRING
  • MEMBER
  • 1 POST
Might be relay fuses all okay
Oct 12, 2008 at 2:38 PM
Advertisement
Avatar
RASMATAZ
  • CERTIFIED EXPERT
  • 75,992 POSTS
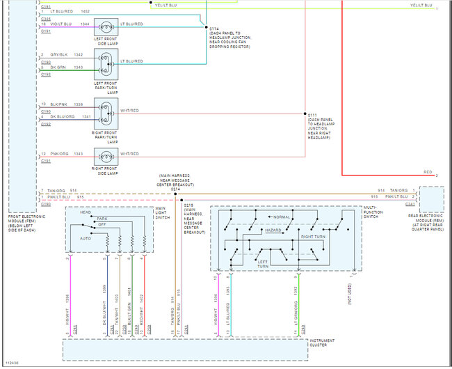
Have the main light switch and the rear electronic module.
Oct 13, 2008 at 5:01 PM
Avatar
STRAILER
  • CERTIFIED EXPERT
  • 53,854 POSTS
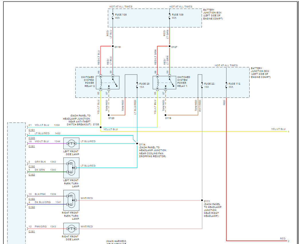
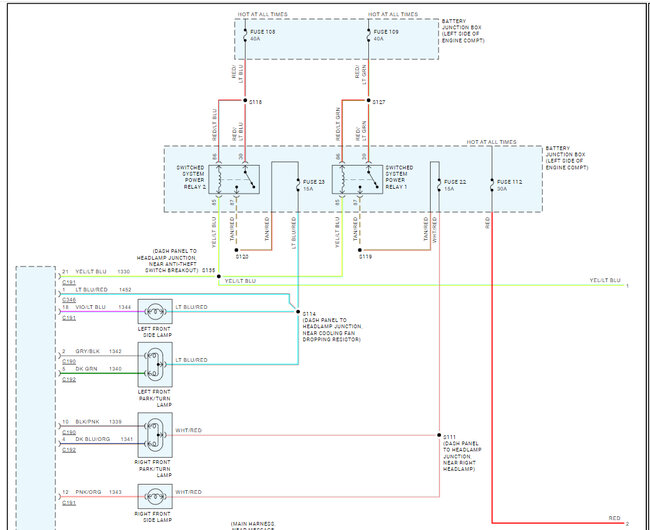
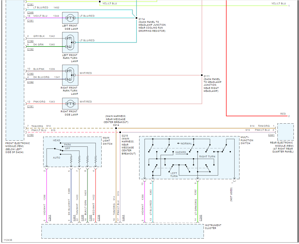
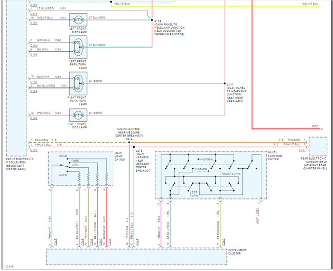
It is going to be a bad ground or the rear electronic module. Here are the taillight wiring diagrams so you can see how the system works. this guide that can help as well:

https://www.2carpros.com/articles/no-tail-lights-exterior-running-lights-tail-lights-out


Check out the images (below). Please let us know what happens.
Sep 26, 2024 at 4:17 PM
Advertisement