radio wiring diagram

1998 FORD WINDSTAR
Avatar
ADROD_72
  • MEMBER
  • 3 POSTS
I need a wiring diagram for the stereo. I have no idea what colors go to what. I have a 1998 ford windstar, 6 cylinder, front wheel drive.
Sep 2, 2006 at 10:14 PM
Advertisement
Avatar
NOS
  • CERTIFIED EXPERT
  • 320 POSTS
best thing i can tell ya is if you can get to a speaker pull it out and look at the back of it it will say + look at the color or the wire on the +side and the one on the - side and that will be the colors all the way through the back speakers will be one set of colors and the fronts wil be another.(NOS) or go to autozone or pepboys and get a book most have wiring in them and maybe even a ford dealer will give you a print out of it.
Sep 6, 2006 at 8:29 PM
Avatar
STRAILER
  • CERTIFIED EXPERT
  • 53,855 POSTS
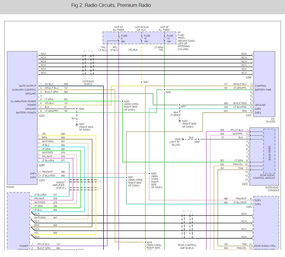
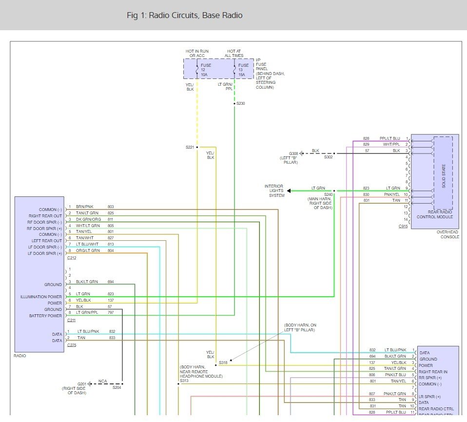
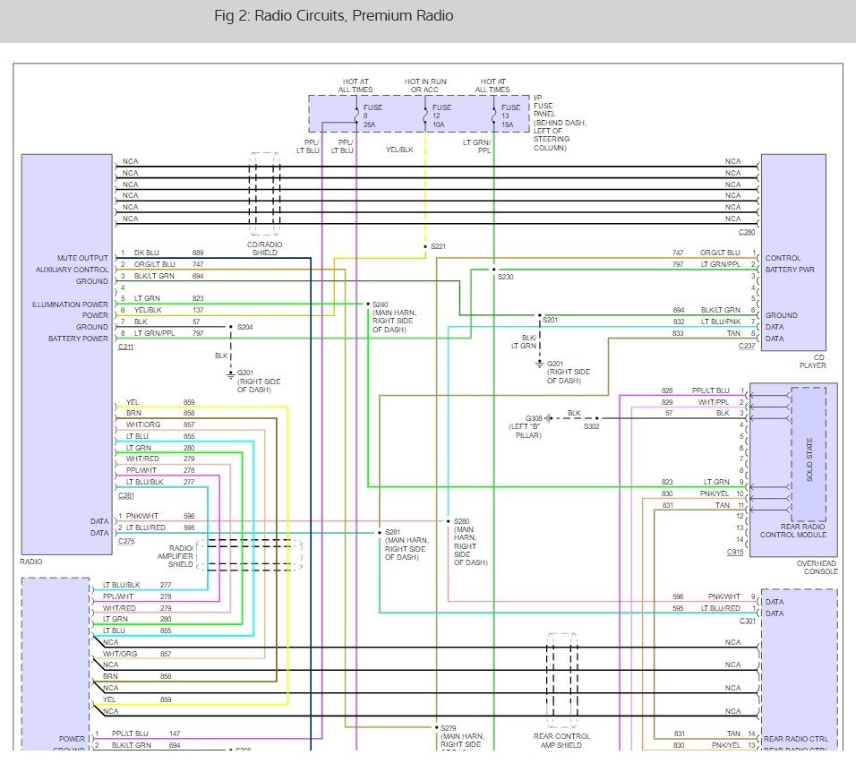
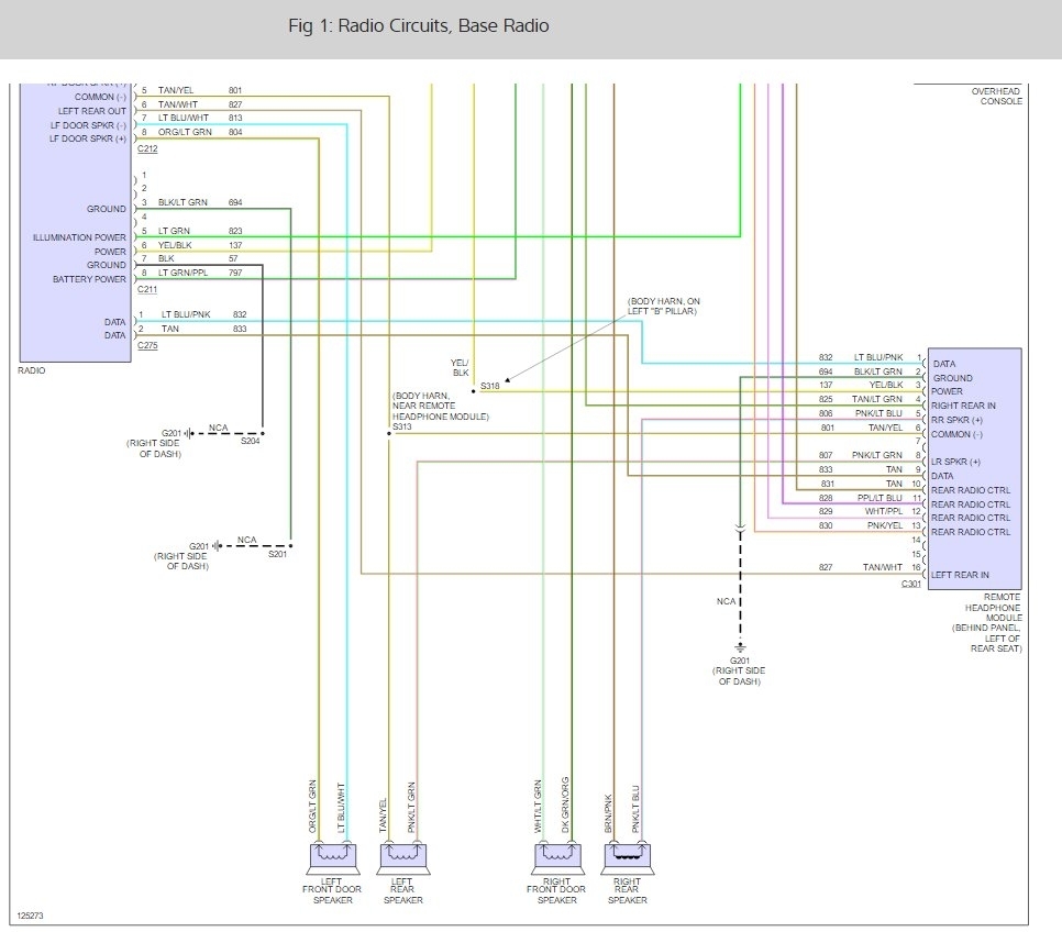
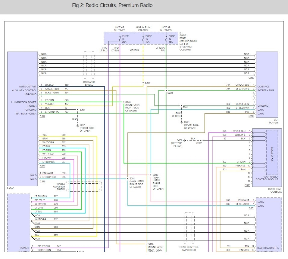
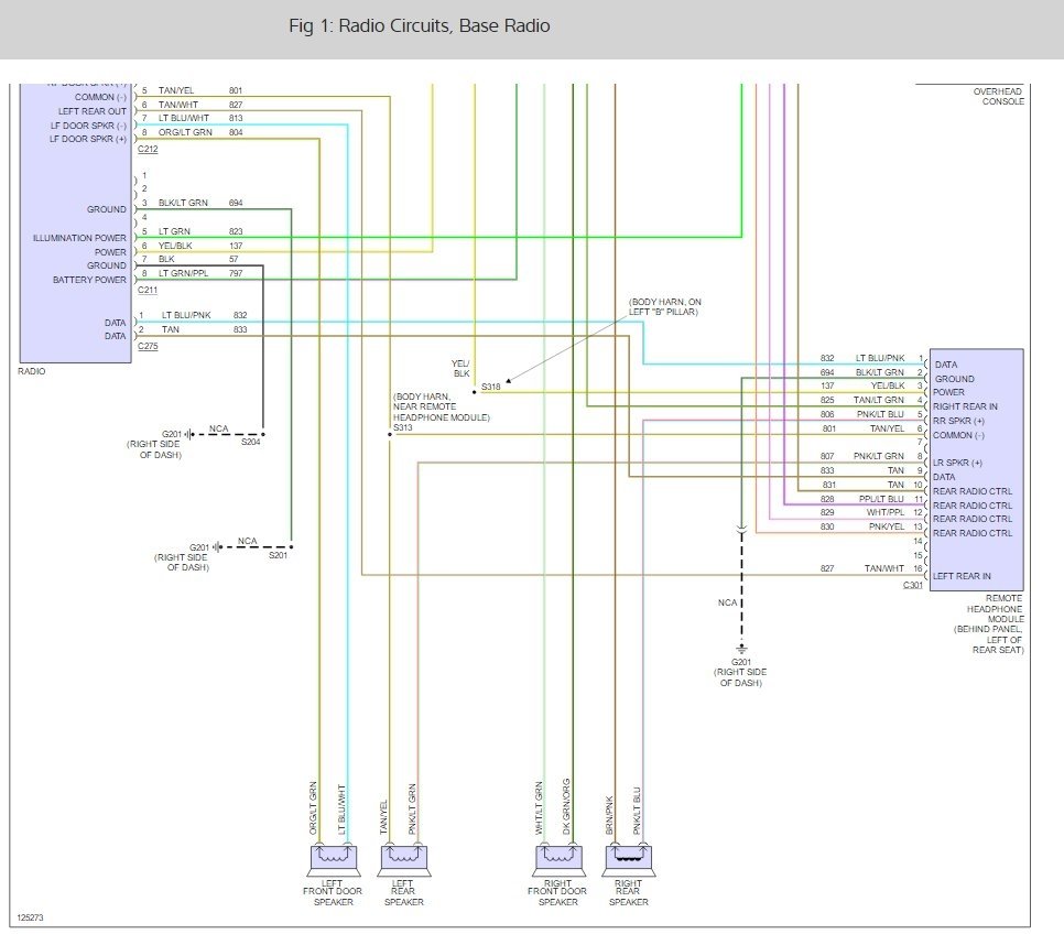
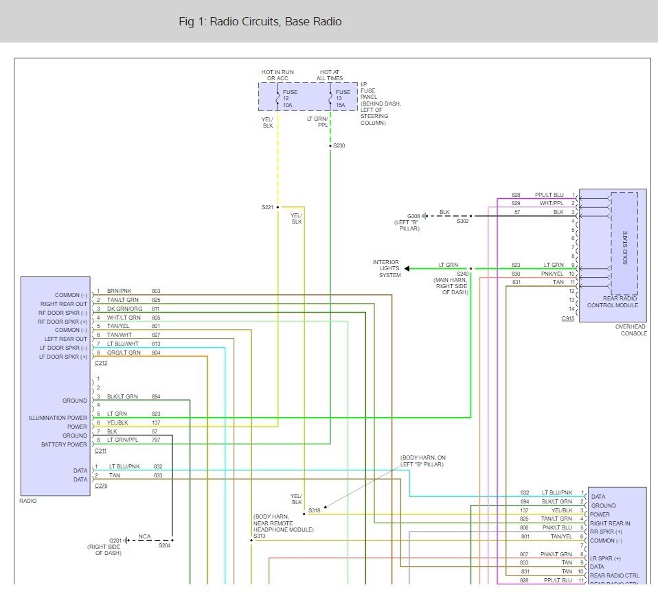
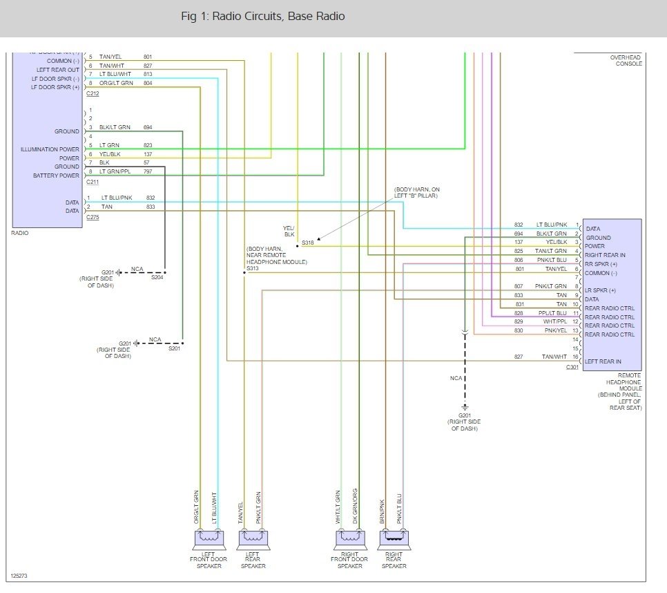
Hello,

Here are the wiring diagrams (BELOW) for both standard and premium radio systems

Please let us know if you need anything else to get the problem fixed.

Cheers, Ken


May 23, 2017 at 11:47 AM
Advertisement