van shifts into 1st hard?

1995 FORD WINDSTAR
Avatar
JASONEM
  • MEMBER
  • 1 POST
Transmission problem
1995 Ford Windstar V6 Front Wheel Drive Automatic 140000 miles
----------------------------------------------------------------
my van shifts into 1st hard,i thought if i changed filter and fluids it would fix the problem it did not what could be the problem?
Dec 9, 2007 at 12:44 PM
Advertisement
Avatar
KNOBBY
  • MEMBER
  • 37 POSTS
its on its way out be happy its gone this far its not a strong trans
Dec 9, 2007 at 1:28 PM
Avatar
STRAILER
  • CERTIFIED EXPERT
  • 53,855 POSTS
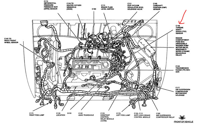
This can be causes by a turbine shaft speed sensor that is going out but we should run the codes to see if any are stored, this guide can help.

https://www.2carpros.com/articles/checking-a-service-engine-soon-or-check-engine-light-on-or-flashing

Here is the location of the sensor in case you get a codes for it which maybe it will have or not. Check out the images (below). Please let us know what happens.


Aug 3, 2024 at 7:15 PM
Advertisement