Alternator not charging

1995 FORD THUNDERBIRD
Avatar
BOB RISINGER
  • MEMBER
  • 1 POST
new alt & battery still not charging.
Aug 21, 2009 at 9:04 AM
Advertisement
Avatar
BMRFIXIT
  • CERTIFIED EXPERT
  • 19,053 POSTS
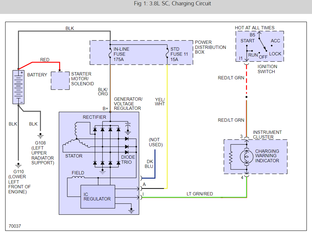
Hello, It sounds like you have a fuse out here is a the wiring diagrams to show you what to check for power and which fuses run the system please check it out and get back to us.


https://www.2carpros.com/forum/automotive_pictures/99387_Graphic1_474.jpg


https://www.2carpros.com/forum/automotive_pictures/99387_Graphic2_233.jpg

https://www.2carpros.com/articles/how-to-check-a-car-fuse Check out the diagrams (Below). Please let us know what happens. Cheers
Aug 23, 2009 at 7:06 AM
Avatar
JWW333
  • MEMBER
  • 1 POST
nice! I replaced the STD fuse and the car charges again ya! I love this site.

Aug 23, 2018 at 11:35 AM
Advertisement
Avatar
2CP-ARCHIVES
  • MEMBER
  • 4,540 POSTS
the battery and alt have been tested and both are working properly but the battery is still not charging when running and something is draining the battery when running not when the car is shut off
Aug 23, 2018 at 11:35 AM (Merged)
Avatar
STRAILER
  • CERTIFIED EXPERT
  • 53,854 POSTS
Hello,

This sounds like it could be a CD stuck in the player can you hear it running when the car is off?

This guide can help

https://www.2carpros.com/articles/car-battery-dead-overnight

Please let us know what you find. We are interested to see what it is.

Cheers, Ken
Aug 23, 2018 at 11:35 AM (Merged)
Avatar
ASOTO98
  • MEMBER
  • 1 POST
I tested the alternater at auto zone and it passed. I checked all fuses inside the car and engine compartment. I tested the harness of the alternator for bad fuse links and passed. The car starts and runs normal, but it won't charge the battery, alternator gauges is on the negetive side. The batery is OK. Can it be the computer? Need Help!!!! . I scaned the computer codes and came out empty.
Aug 23, 2018 at 11:35 AM (Merged)
Avatar
POET042005
  • CERTIFIED EXPERT
  • 134 POSTS
Check the connections to your alternator make sure they are not corroded.

Next buy a cheap test light and check the connections at the alternator for 12 volt power.

Third if these two are fine then you have a short in the system some were.

before the third step try the first two and get back with me. Then we will go over the third step more closely in detail.

Richard
Aug 23, 2018 at 11:35 AM (Merged)
Avatar
94T-BIRDGUY
  • MEMBER
  • 1 POST
1994 thunderbird, 3.8, auto,..NOT SC...ok-

just swapped tranny...completed this and car started and ran great for two weeks...alternator stopped charging so i just swapped that out...now immediately I hopped in to start her up to make sure this BRAND NEW not Rebuilt Alt. was charging and that was that and.........turned key, very quick like split second churn by the starter and then ALL of the car lost its power from the battery...no lights no nothing, car is completely dead...now, i checked all fuses and relays- OK- while i was standing there PUZZLED with the doors open, all of a sudden the Interior lights kicked on???? Now can you say HAUNTED? just kidding...so I happily climbed in and turned the key again...SAME RESULT...starter cranked for a split second and car lost ALL ELECTRICAL FLOW THROUGHOUT...any suggestions>?
Aug 23, 2018 at 11:35 AM (Merged)
Avatar
POET042005
  • CERTIFIED EXPERT
  • 134 POSTS
CHeck the connections on the side of the fuse box under the hood. Wiggle the wiring as you go to check for shorts. Next (if you have not already checked the battery connections do so 4 corrosion and tightness) CHeck 4 loose or corroded grounds.

Sounds like you have a bad connection.



______________________
I try to answer questions as though it were my car, like I’m standing in your shoes looking to diagnose the problem.
Aug 23, 2018 at 11:35 AM (Merged)
Avatar
JMK6753024
  • MEMBER
  • 2 POSTS
1988 T-bird alternator works but does not charge the battery. Battery accepts lasting charge from 120vt wall charger. Battery light on when ignition turned on but goes out when engine started. Believe its a wiring problem but can't find an issue. Believe the fusible link for the alternator is a 20 gauge blue wire connected on one side to a yellow wire that seems to go to the alternator, and on the other to the main fusible link on the starter relay. Any help appreciated.
Sep 11, 2019 at 11:05 AM (Merged)
Avatar
CARADIODOC
  • CERTIFIED EXPERT
  • 34,306 POSTS
Measure the voltage on the output terminal when the engine is off. You should find battery voltage there. If it's 0 volts, the fuse link is open but that's not going to be a 20 gauge wire. That will be closer to a 10 or 12 gauge wire.

If you have battery voltage there, measure the voltages on the other wires and holler back.
Sep 11, 2019 at 11:05 AM (Merged)
Avatar
CARADIODOC
  • CERTIFIED EXPERT
  • 34,306 POSTS
UGGGHHH! I just looked up your generator and I see it's the one with two output wires plugged into the side of the case. That is quite the design. That plug is supposed to never be disconnected. Doing so will degrade the terminals and lead to them overheating and failing. Replacement generators come with that plug already installed. You are supposed to cut the wires and splice the new ones to the car's harness.

The fact the battery warning light goes off when the engine is running proves the generator is working. Close to half of battery voltage will appear on the white wire when the unit is generating an output. That tells the regulator to turn the light off.

Back-probe one of the black / orange output wires to read the voltage while the engine is running. If you find between 13.75 and 14.75 volts, it's working. Measure the battery voltage next. If it's lower, near 12.6 volts, current isn't getting back to the battery. Look for a fuse link that's burned open.

If you find 12.6 volts or less at the output wires, those terminals have burned up. The repair will consist of trying to clean and shine them up and replacing the connector. If that repair fails, you'll need to replace the generator.
Sep 11, 2019 at 11:05 AM (Merged)
Avatar
CJ MEDEVAC
  • CERTIFIED EXPERT
  • 11,004 POSTS
Doc,

We had similar problems with my pap's 86

Turned out to be the connector at the voltage regulator was not making good contact...it's a real crappy connector that ford used forever.

It's been a long time, i think i used a teeny-tiny crescent wrench (i keep in my pocket, along with a miniature channel lock pliers, reversible screwdriver, and pocket knife!).....anyway i slightly bent the terminals down the row, to pressure against the other half........it's sorta obvious, what to do!

Maybe this helps, maybe not.....thought i'd sling it out there anyway!

The medic
Sep 11, 2019 at 11:05 AM (Merged)
Avatar
BOB SCHERER
  • MEMBER
  • 1 POST
Car won't charge, have replaced alternator. Car sat covered all winter. Charged battery, car drives but doesn'i charge.
Sep 11, 2019 at 11:05 AM (Merged)
Avatar
JDL
  • CERTIFIED EXPERT
  • 16,098 POSTS
Hello, external regulator? Did you check for voltage at the alternator bat terminal, also terminal A at the regulator, where applicable? If nothing there, a problem with the wiring circuit. You need to make sure the battery has a full charge and the cables/wires are clean and tight on both ends.
Sep 11, 2019 at 11:05 AM (Merged)