replaced the brake wheel cylinder?

1991 FORD TEMPO
Avatar
BYRONSGIRL
  • MEMBER
  • 1 POST
how do you put the adjuster back together after you have replaced the brake wheel cylinder?
Jun 19, 2009 at 2:09 PM
Advertisement
Avatar
WENDY W
  • CERTIFIED EXPERT
  • 86 POSTS
Hello!

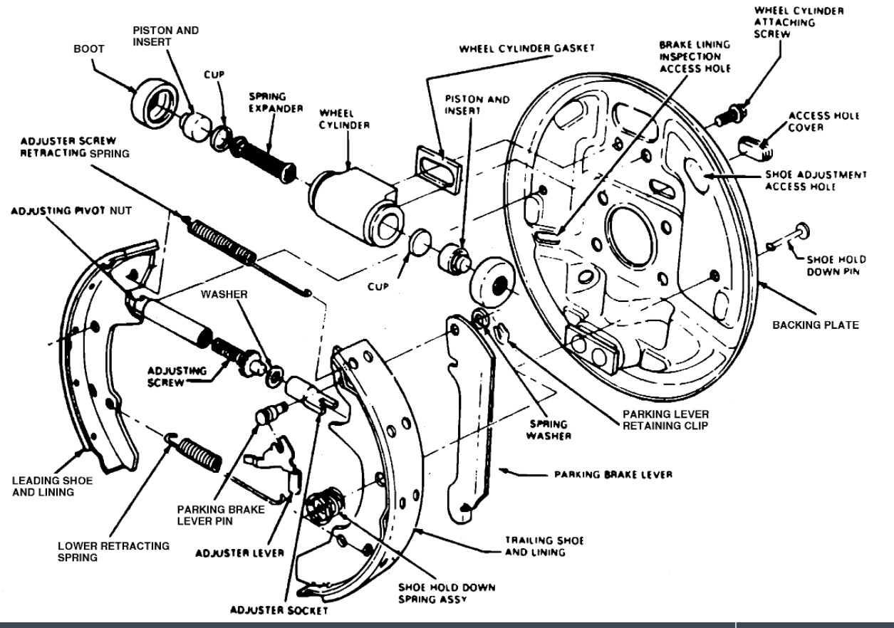
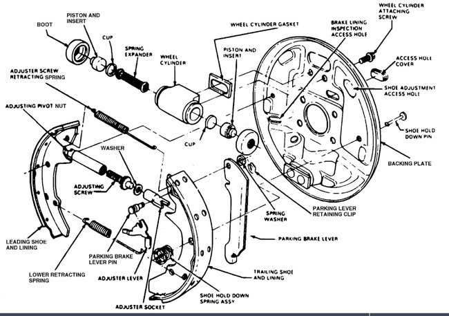
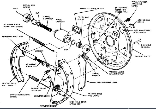
I've attached diagrams and the manufacturer's removal, installation, and adjustment directions for the rear brake assembly for this vehicle. Check out the diagrams (below).

Please take all safety precautions, including wearing safety glasses, as the springs can sometimes pop off unexpectedly.

I've also included a repair guide and video tutorial that you may find helpful:

https://www.2carpros.com/articles/how-to-replace-a-wheel-cylinder

https://youtu.be/1j7qDoi1LP0


Thanks, Wendy W
Feb 24, 2022 at 8:09 AM