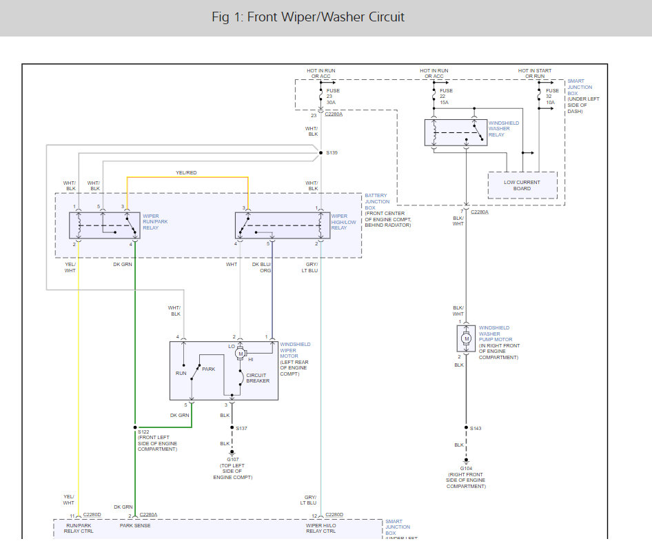
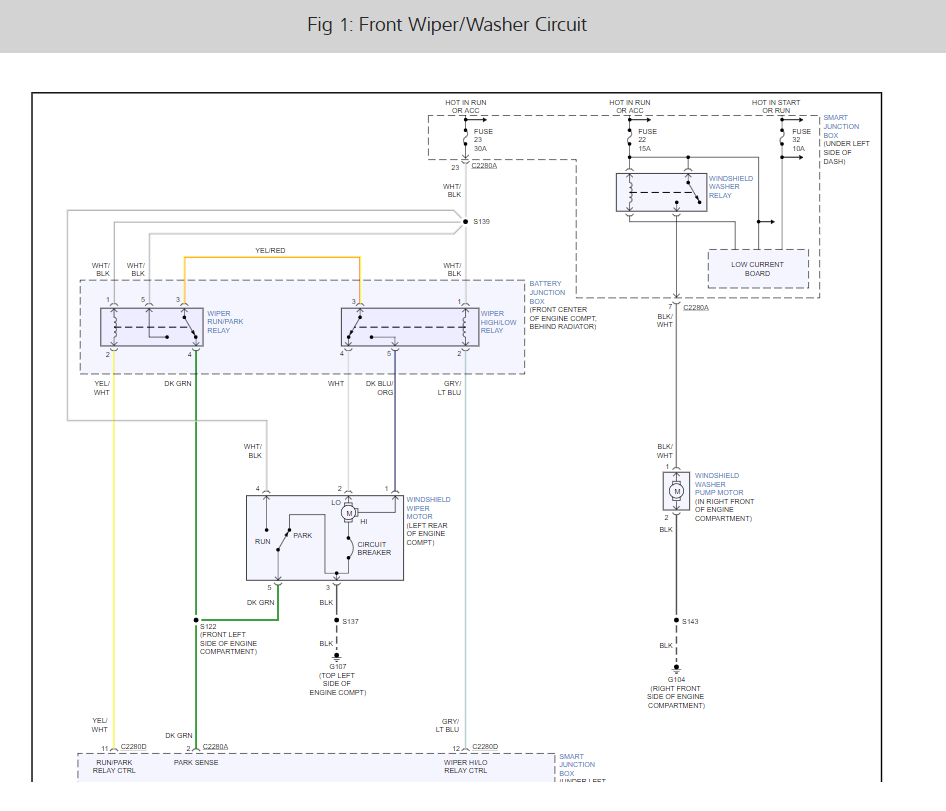
LAY A STRAIGHT EDGE RULER, ETC ON THE FLAT PART OF THE ARM---NEAREST THE WIPER (W/ WIPER REMOVED, AND THE ARM LAYING ON THE GLASS) ----KINDA EQUAL OVER THE ARM AND PUSHING DOWN ON THE FLAT PART OF THE ARM------------IS IT SORTA PARALLEL WITH THE GLASS?
NOW BUTT THE END OF THE RULER TIGHT AGAINST THE HOOK OF THE ARM (RULER SORTA POINTING TOWARDS THE TOP OF THE CAR)---WITH THE ARM SLIGHTLY LIFTED OFF OF THE GLASS AND THE RULER BUTTED TO THE TOP AND BOTTOM PART OF THE HOOK---NOW SORTA SLOWLY LOWER IT DOWN CLOSE TO THE GLASS--------IS THAT PARALLEL?
IF NOT---SORTA "TWEAK" THE HOOK WITH SOME PLIERS (HANGING ONTO THE ROUND PART OF THE HOOK)
RETEST WITH THE PARALLEL RULER
IF SATISFIED, DO THE OLE GARDEN HOSE SPRAY TEST
INSURE YOUR WINDSHIELD IS REALLY CLEAN---TREE SAP MIGHT COULD CAUSE THIS TOO
MY JEEP 5 PREVIOUS AND PRESENT 2 JEEP CJs HAVE NEVER DONE THAT---BEEN GOING ON 31 YEARS NOW......EVER THOUGHT ABOUT NEVER HAVING THEM WIPER PROBLEMS AGAIN?
LET ME KNOW HOW IT'S GOING
THE MEDIC
Jun 9, 2020 at 9:58 AM
(Merged)