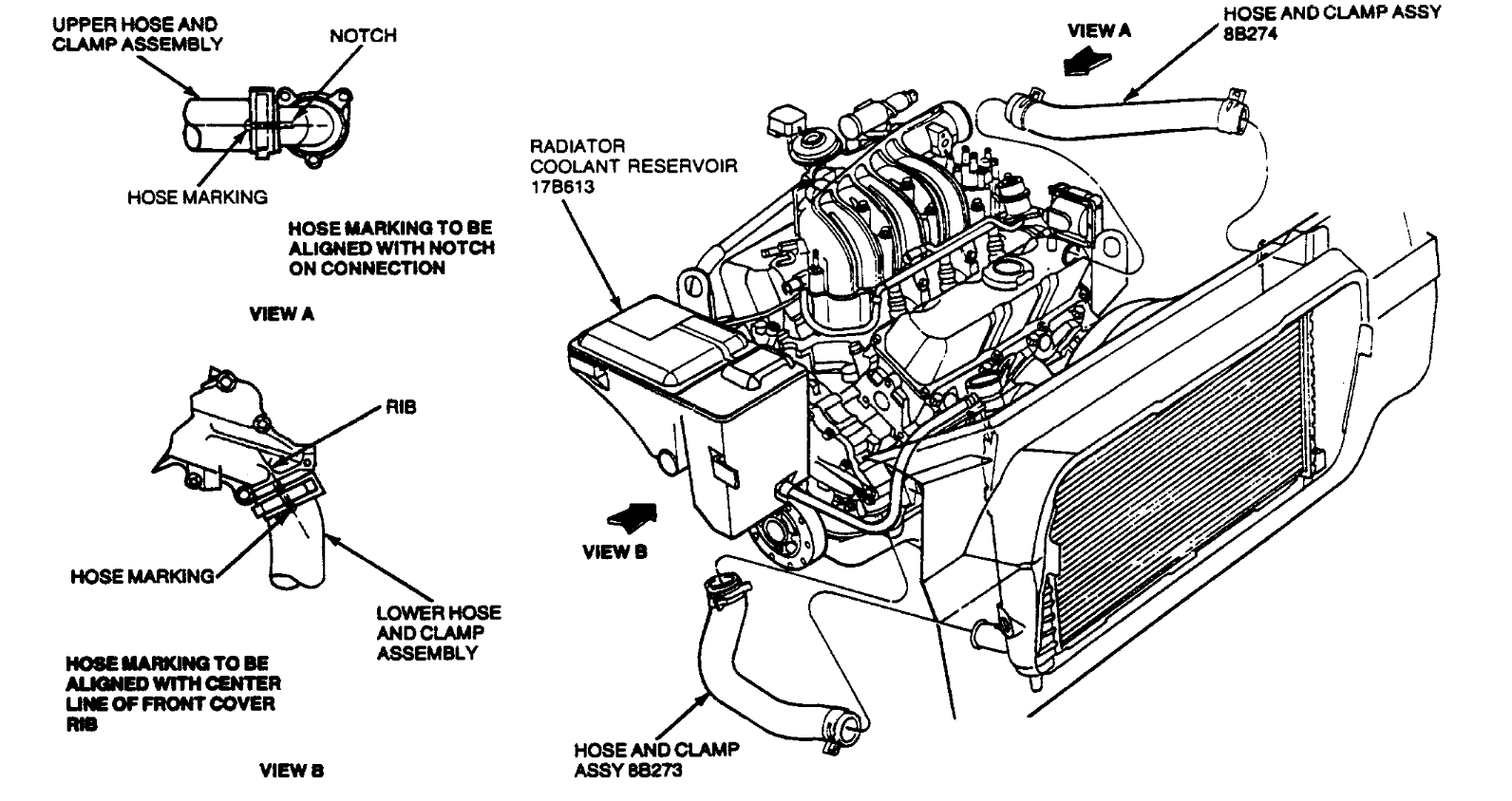
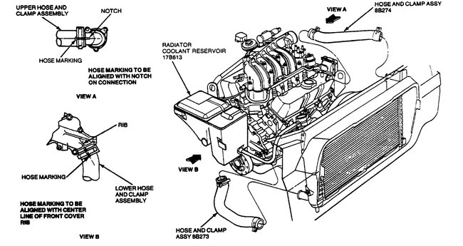
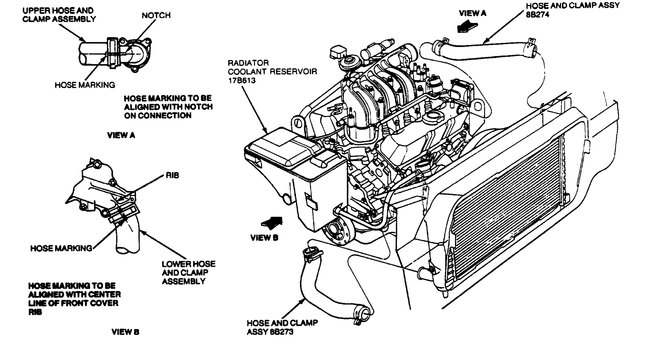
Engine problem
1992 Ford Taurus V6 Two Wheel Drive Automatic 70,000 miles
----------------------------------------------------------------
My cooling system needs to be drained and replaced and I am having a hard time locating the drain valve on the radiator, can you give me a description of where to look?
1992 Ford Taurus V6 Two Wheel Drive Automatic 70,000 miles
----------------------------------------------------------------
My cooling system needs to be drained and replaced and I am having a hard time locating the drain valve on the radiator, can you give me a description of where to look?
Dec 8, 2007 at 8:33 AM

