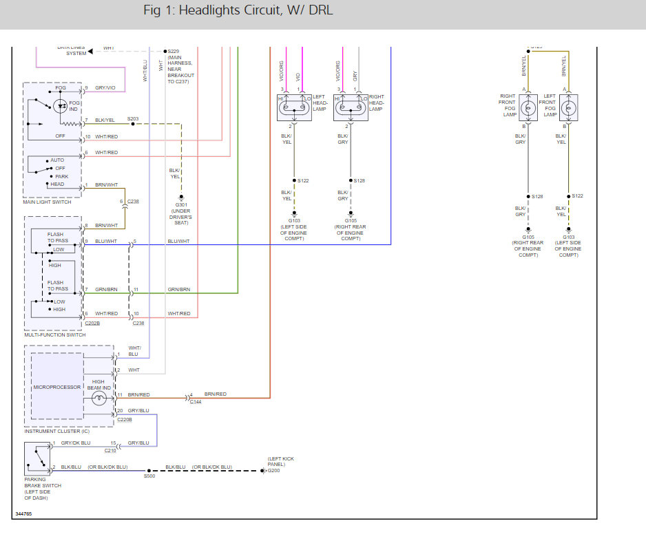
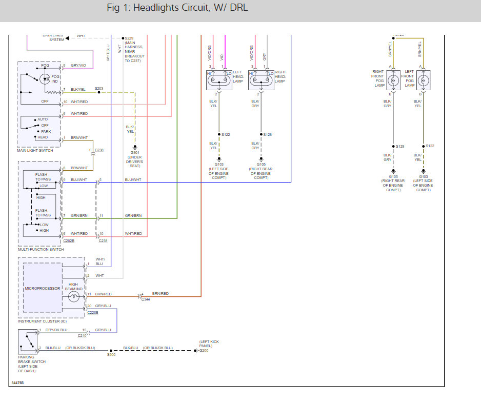
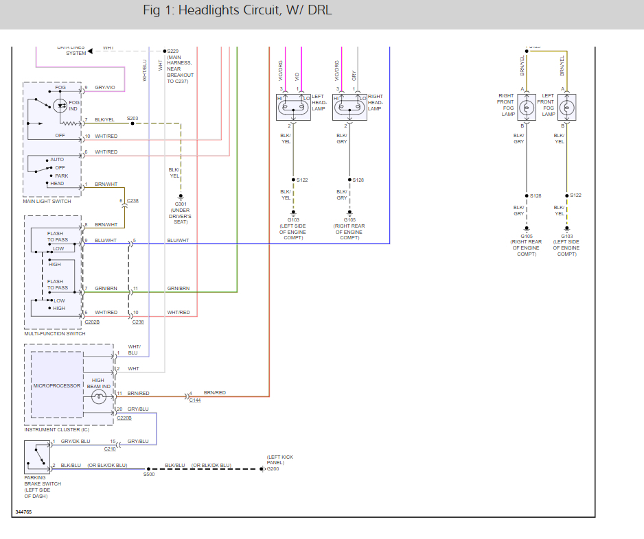
The H4 Low beam drivers side light only sends 7v through cable. The high beam on both sides and the low beam on passenger are working correctly. I can’t see a grounding problem as I have traced through. I have changed bulbs with new and switched to both sides. All fuses are fine but I can’t locate the relay if there is one to control the headlights. I’ve used the Forscan software to try and reset the BCM but that also does not work. I have read that the BCM has a circuit protection for the low beam that might have closed but have no idea if this can be reset. Truck is a Ford ranger limited t6 2015 pre facelift 2.2 UK version.
Dec 15, 2019 at 1:45 PM






