Brake light wiring diagrams? when I step on the brakes the right directionals light up

FORD RANGER
Avatar
KVPOLL
  • MEMBER
  • 1 POST
When I step on the brakes the right directionals light up solid with the brake lights. The bulbs all seem to be intact. Is it a ground? Is it a Switch? If so where? 2003 Ford Ranger.
Mar 10, 2006 at 9:09 PM
Advertisement
Avatar
2CARPRO BOB
  • CERTIFIED EXPERT
  • 45 POSTS
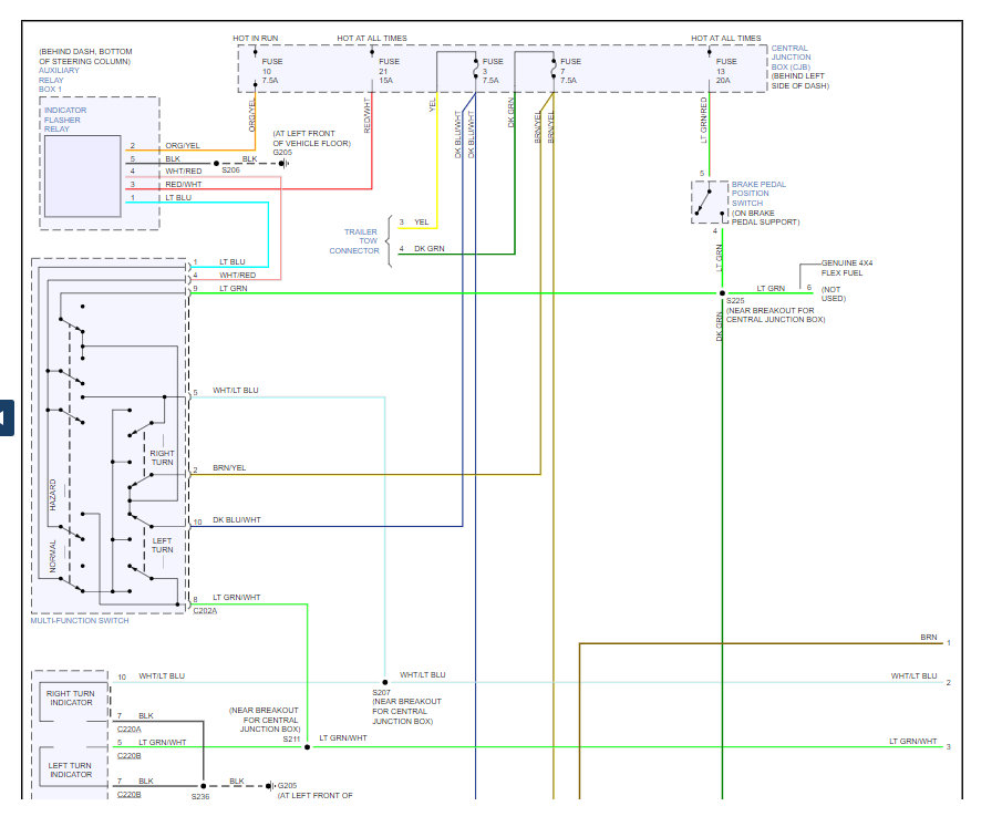
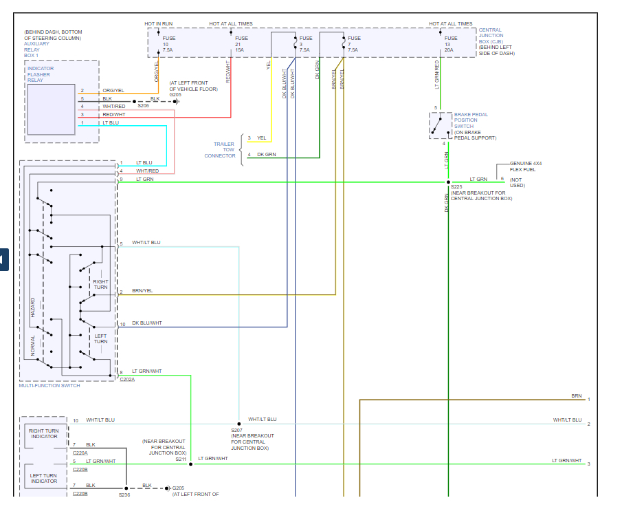
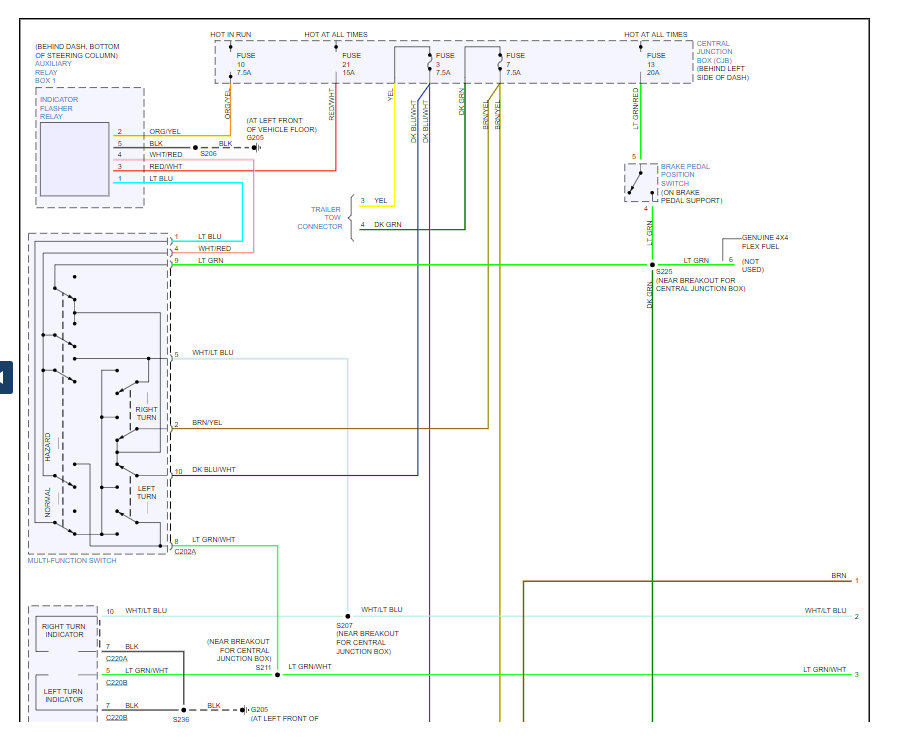
You are apparently getting feedback from your brake light circuit to the turn signal circuit. Verify that the taillight bulbs are the correct ones for your car. If your car is equipped with a wiring harness for a trailer verify that it is not shorting out between connections. Here are brake light wiring diagrams and a guide to help check the wiring so you can see how the system works and how to check the grounds.

https://www.2carpros.com/articles/how-to-check-wiring

and

https://www.2carpros.com/articles/brake-lights-not-working


Check out the diagrams (Below). Please let us know what happens.
Jun 2, 2021 at 1:51 PM
Avatar
KVPOLL
  • MEMBER
  • 1 POST
Thank you so much 2Carpro Bob, the problem was a bad ground left front of the vehicle floor like you said you must be a very smart man, I bet you family is proud of you.
Jun 2, 2021 at 1:51 PM
Advertisement