Brake light/pedal switch wiring diagram needed?

2016 FORD RANGER
120,000 MILES • 2.2L • 4 CYL • 4WD • MANUAL
Avatar
SALES LAE
  • MEMBER
  • 5 POSTS
Hi,

I need a wiring diagram for the brake pedal switch including wiring to the taillights. My brake lights are not working, fuses and relays are okay, brake pedal switch replaced but still the same. I now need the wiring diagram to trace the wires and find out where the problem is. Thank you so much.
Feb 6, 2025 at 2:35 PM
Advertisement
Avatar
CARDOCTOR74
  • CERTIFIED EXPERT
  • 62 POSTS
Hi Rob here. Let’s first go over a few things. Is there a trailer hitch on this vehicle? It’s very common for the wires to break and become damaged and cause the issue. I will get that diagram for you as well. Let’s just go over a few questions.
Feb 6, 2025 at 2:43 PM
Avatar
SALES LAE
  • MEMBER
  • 5 POSTS
Hi Sir, thank you for responding. No there is no trailer hitch.
Feb 6, 2025 at 2:45 PM
Advertisement
Avatar
CARDOCTOR74
  • CERTIFIED EXPERT
  • 62 POSTS
What year is your Ford Ranger? I’ll be more than happy to pull that up for you.
Feb 6, 2025 at 2:59 PM
Avatar
SALES LAE
  • MEMBER
  • 5 POSTS
Its a 2015 Ford Ranger 2.2L Diesel engine.
Feb 6, 2025 at 3:08 PM
Avatar
SALES LAE
  • MEMBER
  • 5 POSTS
I've a few diagrams here but can't find the wiring diagram for the brake pedal switch to the taillights.
Feb 6, 2025 at 3:08 PM
Avatar
CARDOCTOR74
  • CERTIFIED EXPERT
  • 62 POSTS
Not a problem, let me try to post it here for you.
Feb 6, 2025 at 3:12 PM
Avatar
CARDOCTOR74
  • CERTIFIED EXPERT
  • 62 POSTS
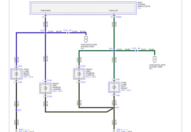
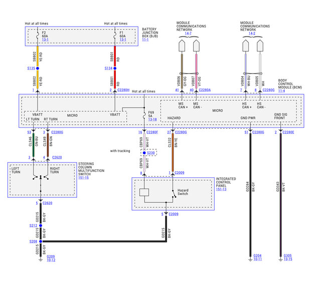
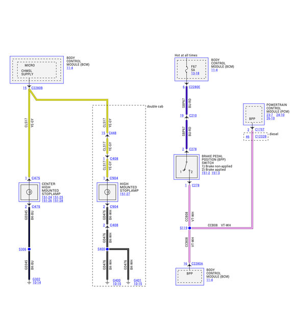
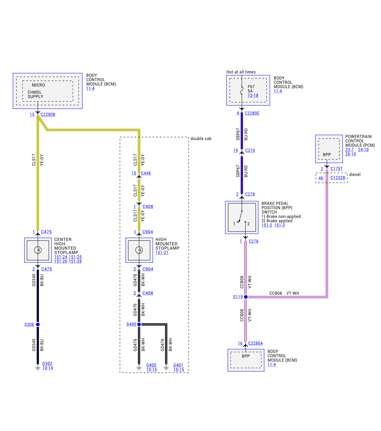
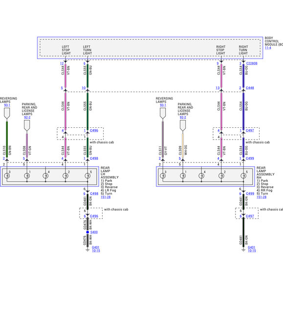
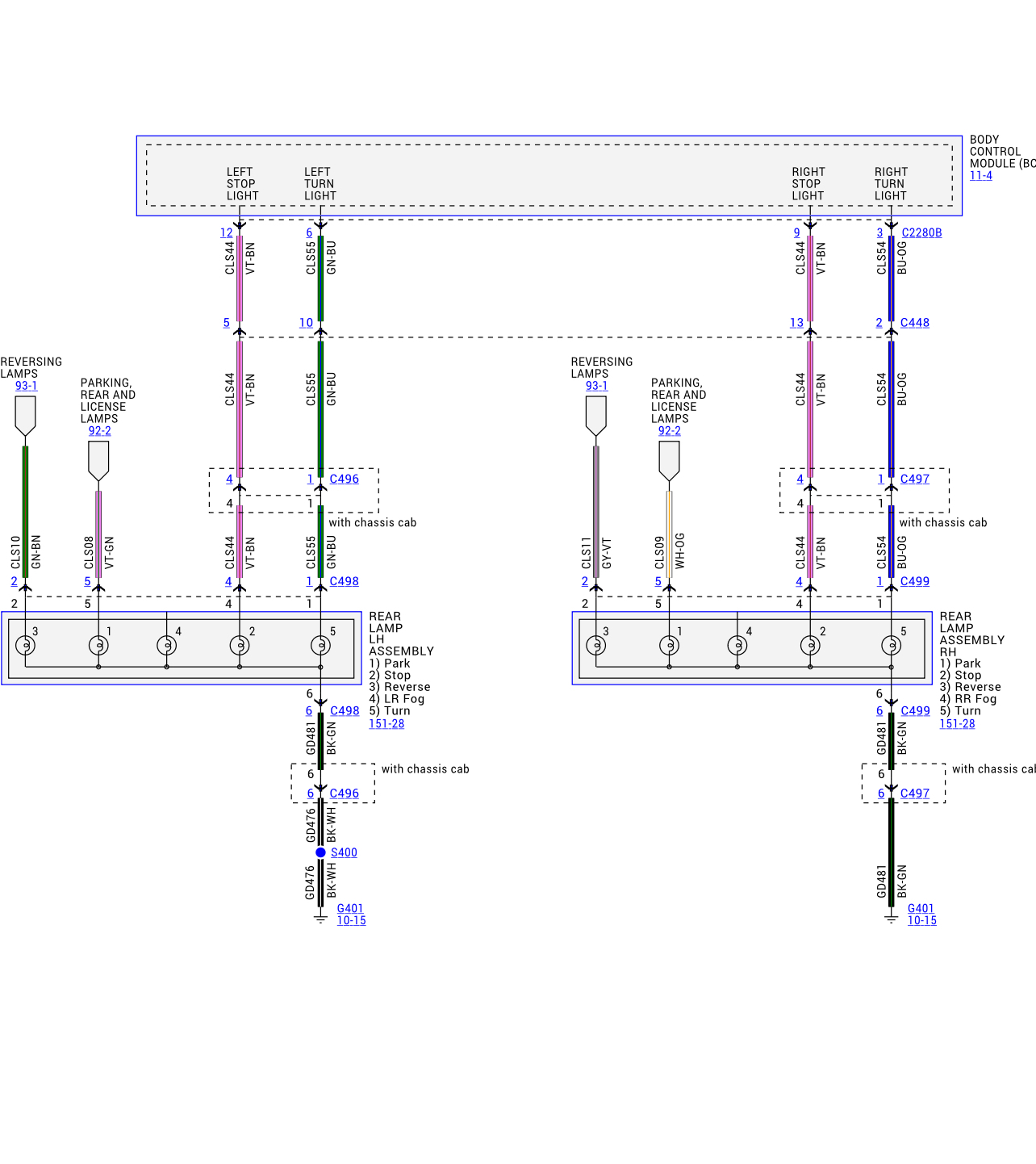
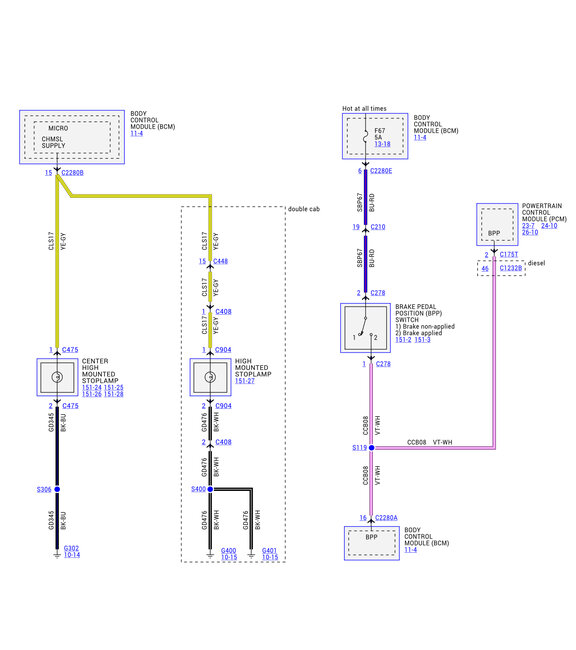
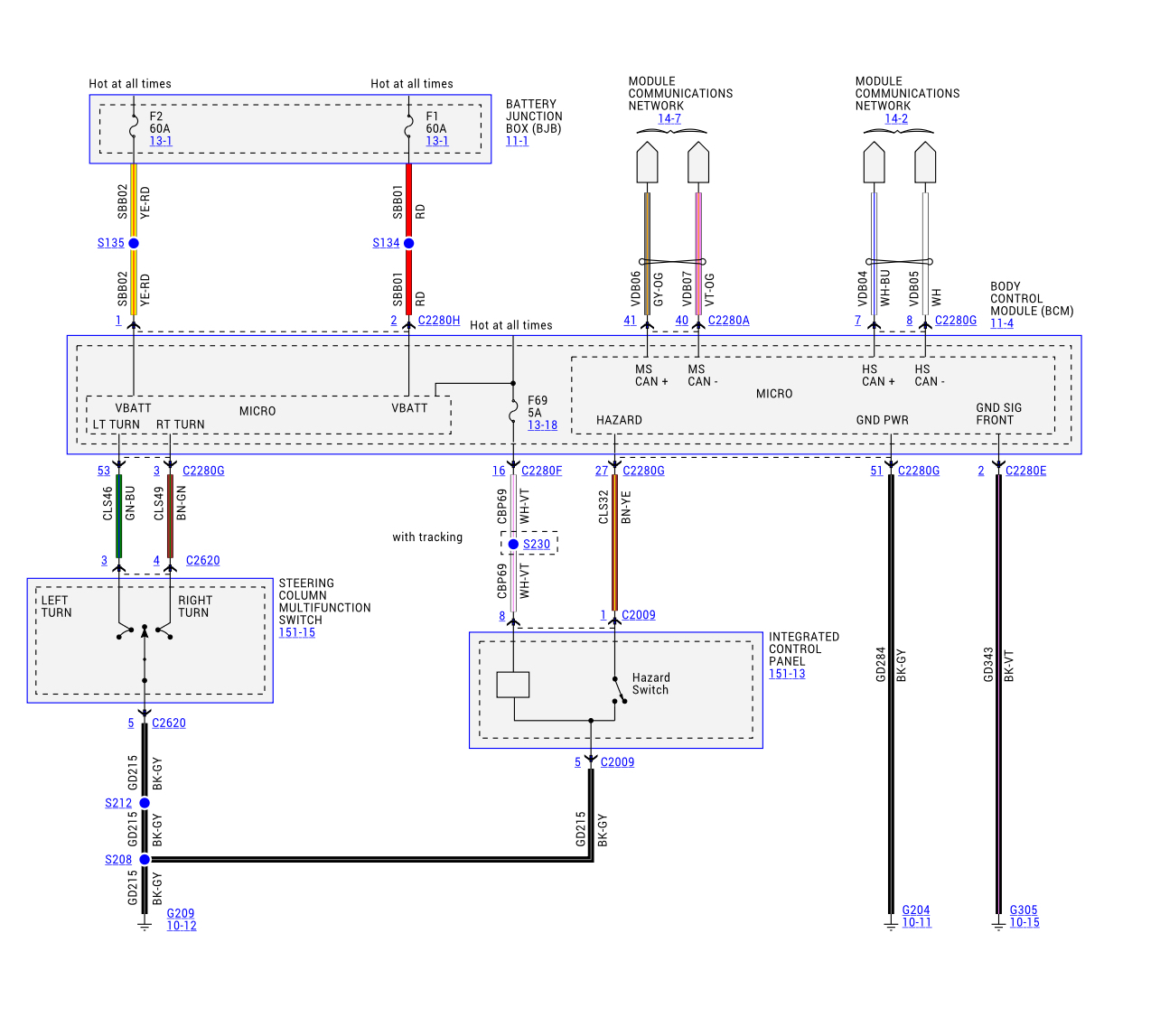
This should help you may have a body control module issue.
Feb 6, 2025 at 3:18 PM
Avatar
CARDOCTOR74
  • CERTIFIED EXPERT
  • 62 POSTS
2
Feb 6, 2025 at 3:18 PM
Avatar
CARDOCTOR74
  • CERTIFIED EXPERT
  • 62 POSTS
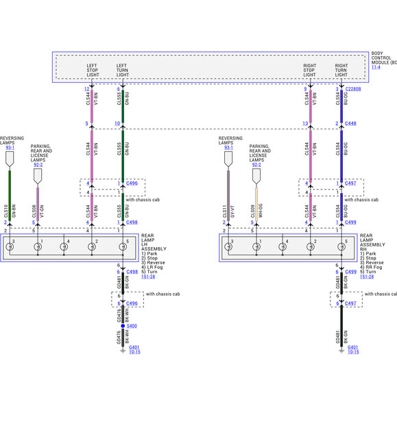
3
Feb 6, 2025 at 3:19 PM
Avatar
CARDOCTOR74
  • CERTIFIED EXPERT
  • 62 POSTS
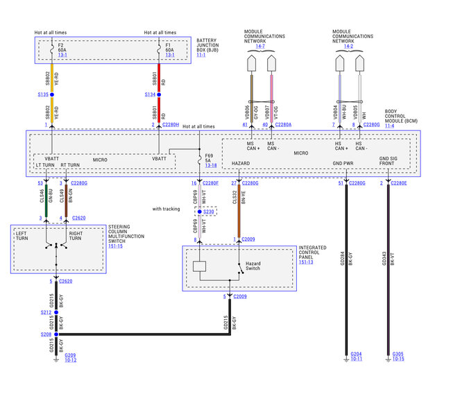
4
Feb 6, 2025 at 3:19 PM
Avatar
CARDOCTOR74
  • CERTIFIED EXPERT
  • 62 POSTS
5
Feb 6, 2025 at 3:19 PM
Avatar
CARDOCTOR74
  • CERTIFIED EXPERT
  • 62 POSTS
Did those links help ?
Feb 6, 2025 at 3:58 PM
Avatar
CARDOCTOR74
  • CERTIFIED EXPERT
  • 62 POSTS
Well, hope I was able.
To help. If you feel up to it tips are welcomed.

https://venmo.com/u/hondaguygold
Feb 6, 2025 at 5:01 PM
Avatar
SALES LAE
  • MEMBER
  • 5 POSTS
Thank you. Looking at the diagram, my brake pedal switch has 4 wires, the diagram only shows 2 wires.
Feb 6, 2025 at 5:02 PM
Avatar
CARDOCTOR74
  • CERTIFIED EXPERT
  • 62 POSTS
That is the correct diagram for your vehicle. You just need to follow the purple wire. The purple wire is the power to the brake lights and the black is the ground.
Feb 6, 2025 at 5:18 PM
Avatar
CARDOCTOR74
  • CERTIFIED EXPERT
  • 62 POSTS
Many issues with these body control, modules, failing, and causing the issue you were having as long as no fuses are blown, and you do not have a trailer hitch on this truck.
Feb 6, 2025 at 5:22 PM
Avatar
CARDOCTOR74
  • CERTIFIED EXPERT
  • 62 POSTS
If you wired something electronically and recently, and this happened, I would go over that work as well.
Feb 6, 2025 at 5:22 PM