Fog Lights not working?

2009 FORD RANGER
Avatar
CARGOSR
  • MEMBER
  • 1 POST
The fog lights do not work. I was told I need a wiring diagram is this true?
May 5, 2010 at 11:23 AM
Advertisement
Avatar
DANNY L
  • CERTIFIED EXPERT
  • 5,648 POSTS
Hello, I'm Danny.

Here is the information you requested. You might want to check the fog lamp relay first. Here is a tutorial showing how to test a relay and another for testing wiring:

https://www.2carpros.com/articles/how-to-check-an-electrical-relay-and-wiring-control-circuit

https://www.2carpros.com/articles/how-to-check-wiring

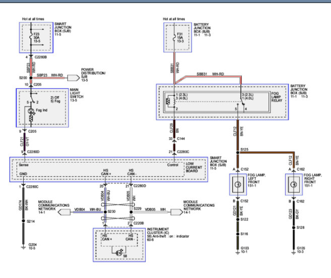
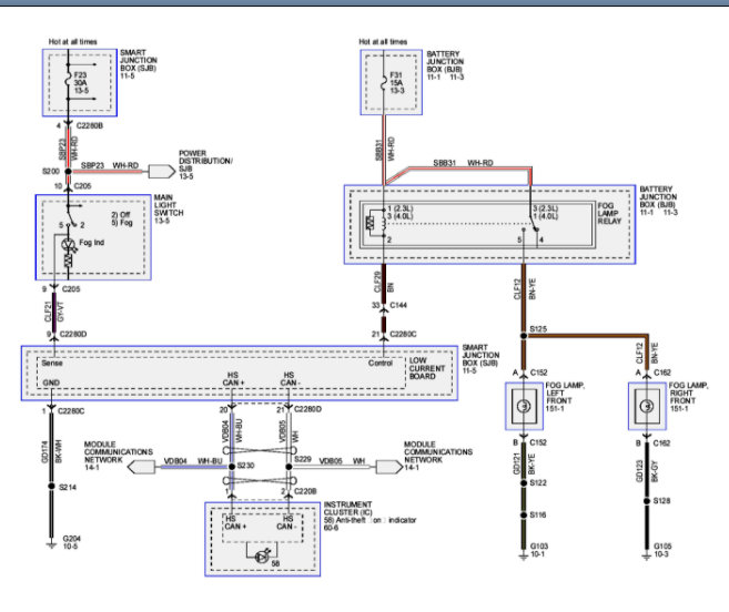
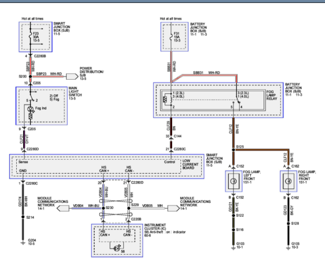
The fog lamp relay is located in the battery junction box under hood on the left side. I've attached pictures below of the fog lamp relay location and circled in red. I've also attached below if needed the fog lamp wiring diagram. Hope this helps and thanks for using 2CarPros.
Jun 2, 2021 at 8:11 AM