TRAILER WIRING

2005 FORD RANGER
Avatar
RANGER2005
  • MEMBER
  • 1 POST
Electrical problem 6 cyl Two Wheel Drive Manual 61000 miles

my ranger came from the factory with a 4 wire flat connector. i installed a 7 wire to pull a camper. it has worked fine up until now. i have lost marker/tail lights. i have checked all the fuses that i can find to check and checked all my wires. i don't have any broken wires. i cannot get current to the tail/marker lights. what else can i check ? thanks.
Apr 26, 2010 at 3:53 PM
Advertisement
Avatar
JACOBANDNICKOLAS
  • CERTIFIED EXPERT
  • 110,175 POSTS
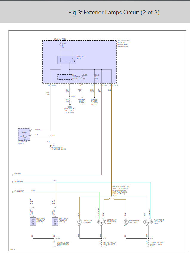
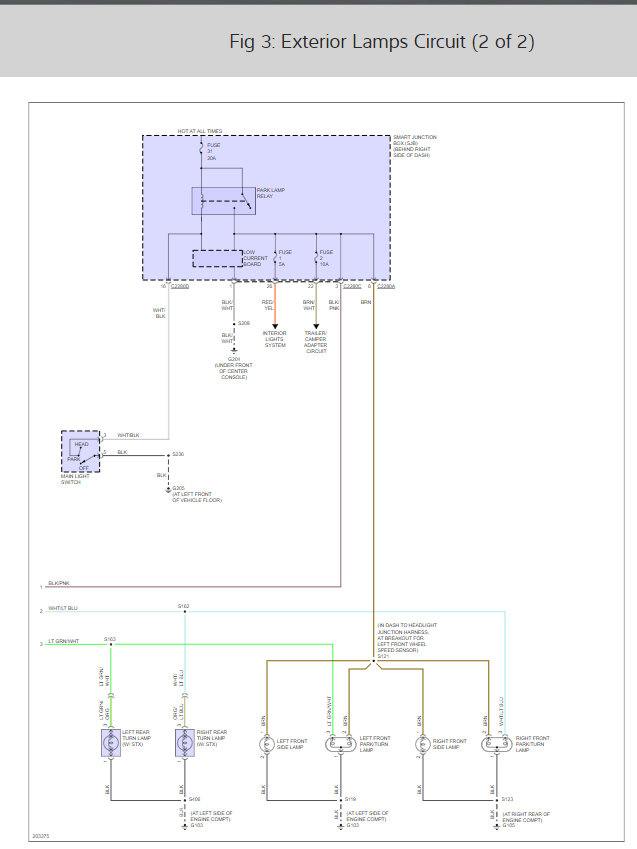
Here is a guide and the wiring diagrams you need to get the job done.

https://www.2carpros.com/articles/how-to-check-wiring

Check out the diagrams (Below)

Please let us know if you need anything else to get the problem fixed.

Cheers
May 11, 2010 at 1:46 PM