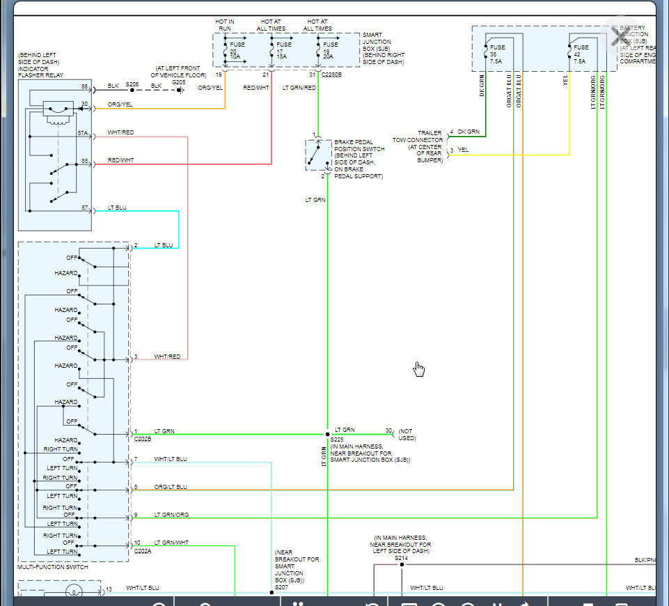
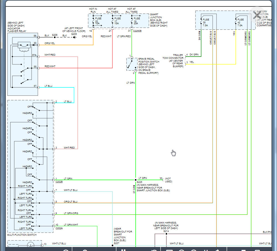
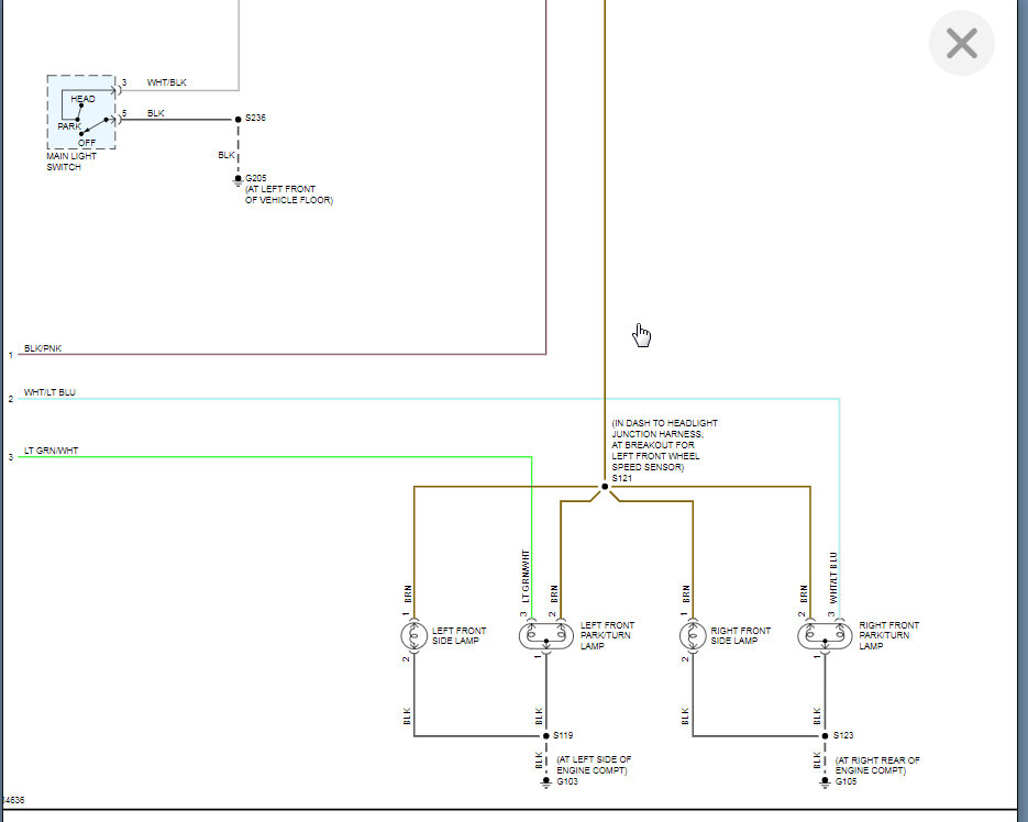
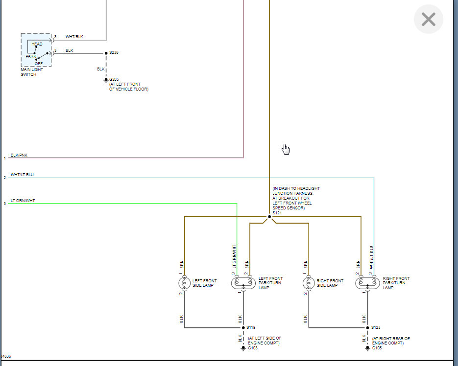
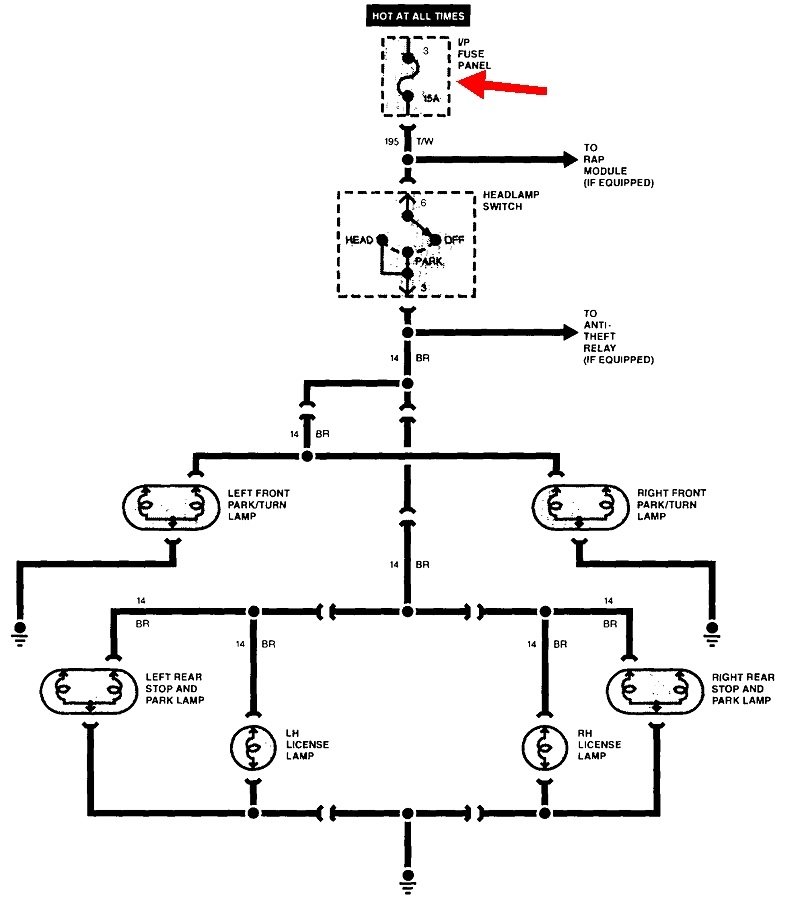
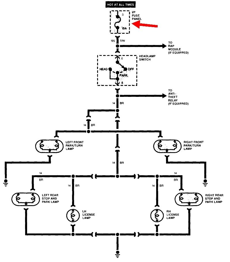
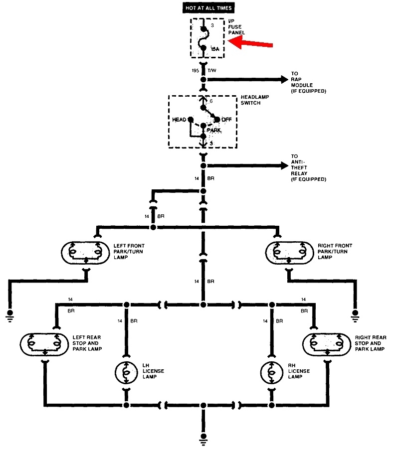
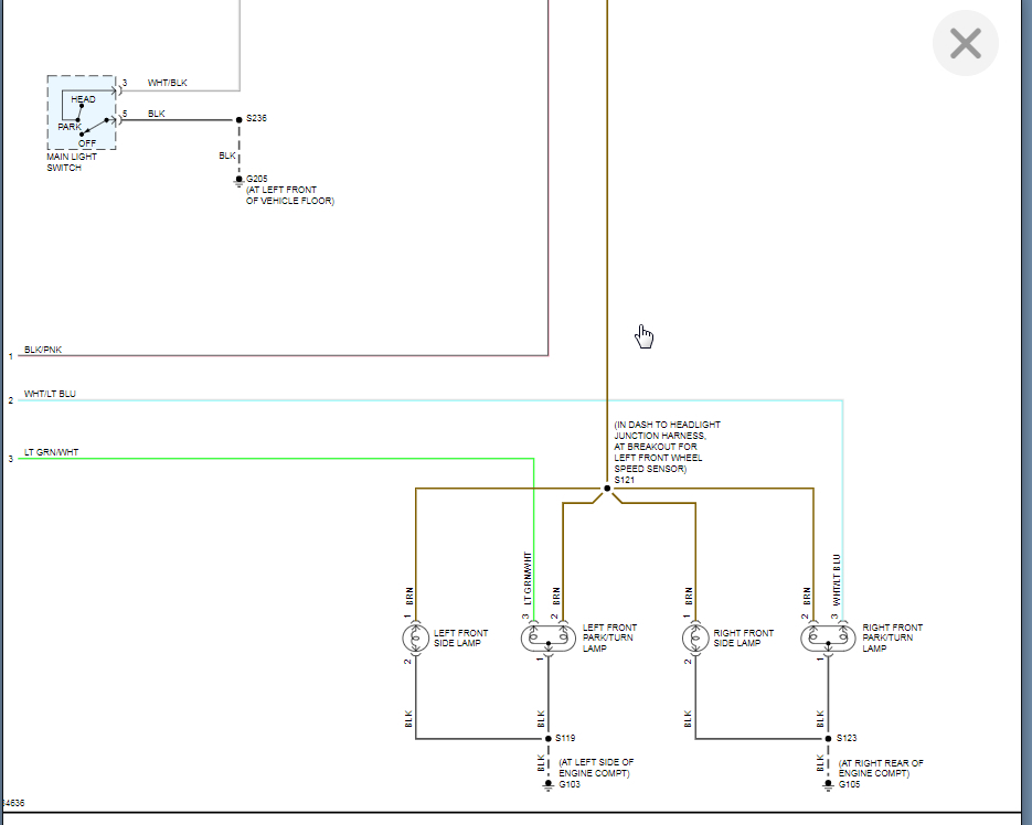
My Parking Lights don't work. I have checked all the fuses in the cab, and none of them are blown. What is the next step to troubleshoot this problem?
Apr 9, 2010 at 5:05 PM































