☰
Login
Join
×
Home
Answered Questions
Repair Topics
Repair & Service Guides
Popular Questions
Warning Lights
Trouble Codes
How It Works
Testing / Diagnostics
Symptoms
Videos
Login
Become a Member
Home
Ford
Ranger
Body
Wiper
Relay
Location
wiper relay location
2003 FORD RANGER
89,000 MILES • 4 CYL • 2WD • MANUAL
HOLLAHOLLA
MEMBER
1 POST
FOLLOW
where is the wiper relay for the wiper motor, in the power distribution center. how can I test it?
Mar 9, 2010 at 6:54 PM
Advertisement
KASEKENNY
CERTIFIED EXPERT
18,907 POSTS
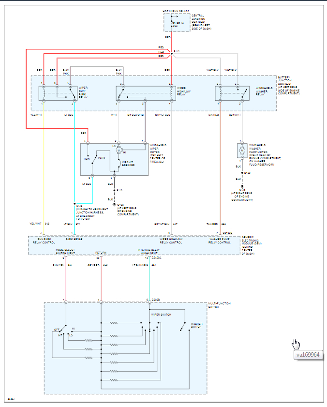
I am attaching a guide here that will help with testing this relay.
https://www.2carpros.com/articles/how-to-check-an-electrical-relay-and-wiring-control-circuit
Also, below you will find the detail about where it is and the wiring diagram that will help with this.
Let us know if you have questions. Thanks
Images (Click to enlarge)
Feb 3, 2021 at 6:01 PM