tail lights don't work, wiring diagrams ?

2003 FORD RANGER
Avatar
YFZ450RACER
  • MEMBER
  • 6 POSTS
fx4 level II, tail lights don't work but flashers, brake lights and dash lights do. What is my problem???
Oct 19, 2007 at 5:14 PM
Advertisement
Avatar
RASMATAZ
  • CERTIFIED EXPERT
  • 75,992 POSTS
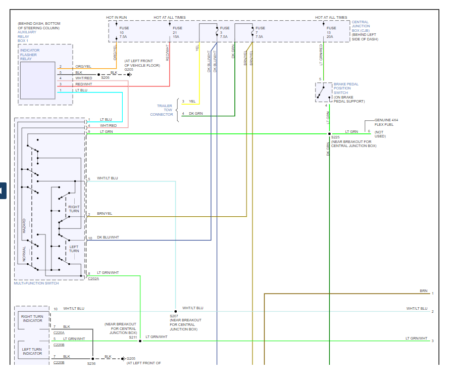
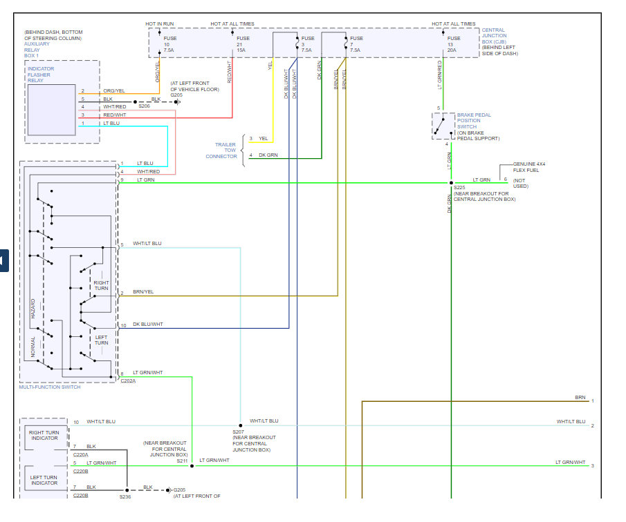
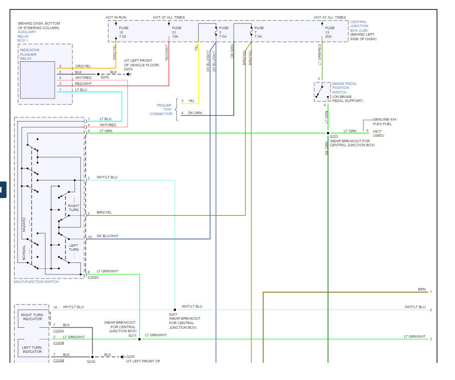
Do you have headlights if so the headlight switch is defective-it has an open in park position. No headlights check fuse no.33 15amp at battery junction box at left rear side of engine compartment. Here are the running light wiring diagrams so you can see how the system works and a guide. to help you check the connections.

https://www.2carpros.com/articles/how-to-check-wiring

Check out the diagrams (Below). Please run this test and get back to us.
Jan 15, 2019 at 11:11 AM
Avatar
YFZ450RACER
  • MEMBER
  • 6 POSTS
yes i have headlights, high beam and low beam, just no tail lights,
Jan 15, 2019 at 11:11 AM
Advertisement
Avatar
RASMATAZ
  • CERTIFIED EXPERT
  • 75,992 POSTS
[quote:6e37798a82="yfz450racer"]yes i have headlights, high beam and low beam, just no tail lights,[/quote:6e37798a82]


What about brake lights? If so you have an open wire between the switch and lights.
Jan 15, 2019 at 11:11 AM