wiring diagrams truck has no brake lights

2002 FORD RANGER
77,000 MILES • 6 CYL • 2WD • AUTOMATIC
Avatar
JSMITH1963
  • MEMBER
  • 2 POSTS
My truck has no brake lights, turn signals or hazards. I have running lights, headlights, dimmer, wiper control, etc. I have changed the turn signal flasher and brake light switch. What else could it be?
Nov 11, 2009 at 7:23 AM
Advertisement
Avatar
JDL
  • CERTIFIED EXPERT
  • 16,098 POSTS
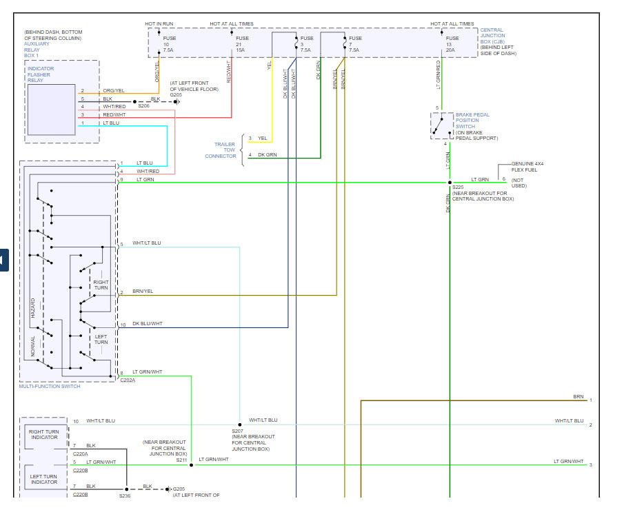
Welcome to the forum, it sounds like the multifunction switch. Does the high-mount brake lite work? Have you checked the applicable fuses? Here is the brake light wiring diagrams so you can see how the system works and a guide to help check for power.

https://www.2carpros.com/articles/how-to-use-a-test-light-circuit-tester

Check out the diagrams (Below). Please let us know what you find. We are interested to see what it is.
Jun 2, 2021 at 1:51 PM
Avatar
JSMITH1963
  • MEMBER
  • 2 POSTS
The high brake light does not work either. The high beams and wipers work that are associated with the multi-function switch. All fuses are okay.
Jun 2, 2021 at 1:51 PM
Advertisement
Avatar
JDL
  • CERTIFIED EXPERT
  • 16,098 POSTS
As far as the brake lights, the high mount brake lite is wired differently than the lower brake lights. if the high mount bulb and wiring circuit are good, I'd check the voltage to and from the brake switch. Lite green wire with red tracer is voltage to the brake switch, solid lite green wire goes hot when the brake switch is activated, carries voltage to brake lights, high and low.

See the guides below on testing wiring, they will help

https://www.2carpros.com/articles/turn-signals-not-working-blinker

https://www.2carpros.com/articles/how-to-check-wiring

Wiring diagrams are attached below
Jun 2, 2021 at 1:51 PM