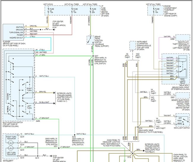
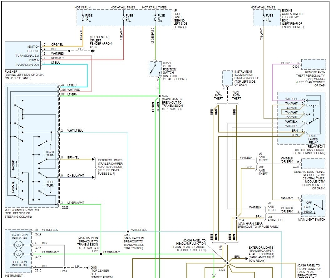
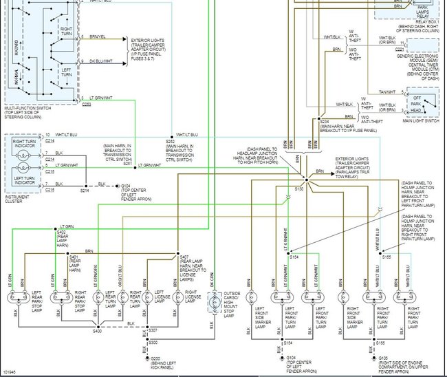
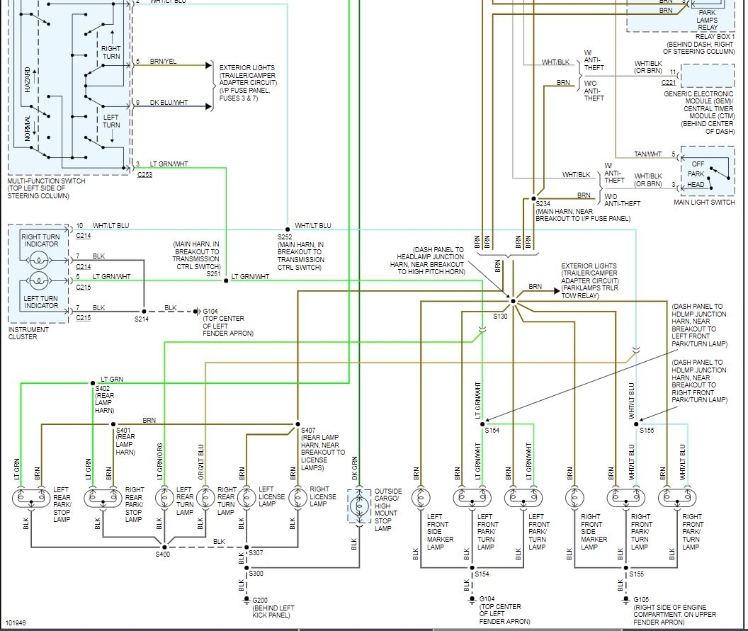
As my husband was driving down the highway his dash lights and tail lights go out. We have replaced the fuses, as we thought might be the problem. But as he drives the truck again the fuses blow out again. So we replace the fuses again. It is obvious that there is an electrical problem but what?
Jan 17, 2008 at 7:02 AM

