Electrical problem 4 cyl Two Wheel Drive Manual 140000 miles
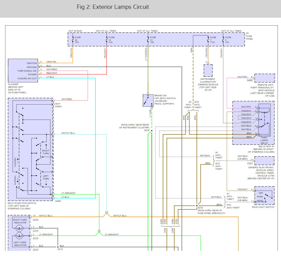
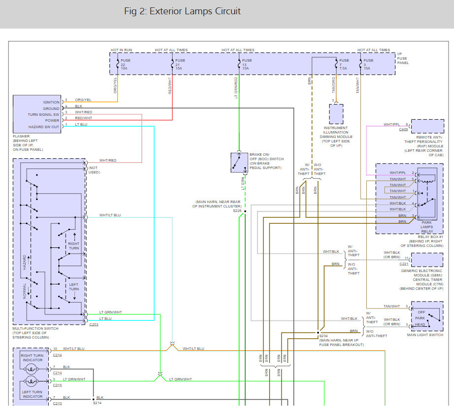
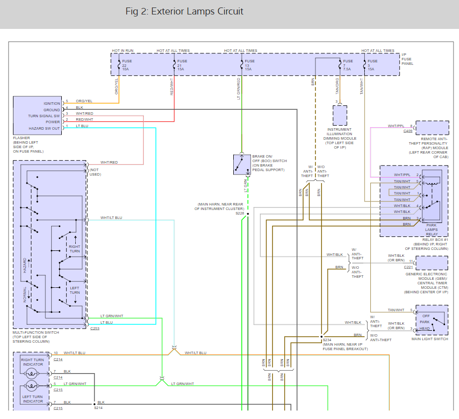
I have been searching forever online trying to find the right fuse to check for the license plate lights. Both lights are not working, No diagram, no book and do not want to take a chance driving. Already got a ticket for it.
I have been searching forever online trying to find the right fuse to check for the license plate lights. Both lights are not working, No diagram, no book and do not want to take a chance driving. Already got a ticket for it.
Dec 28, 2008 at 11:25 AM






