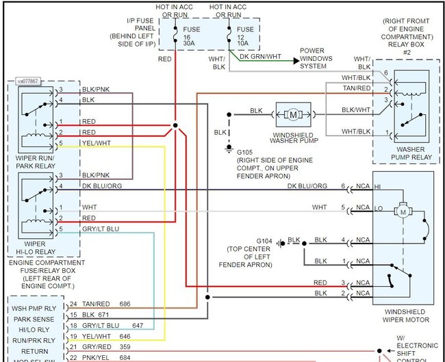
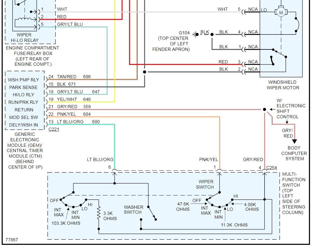
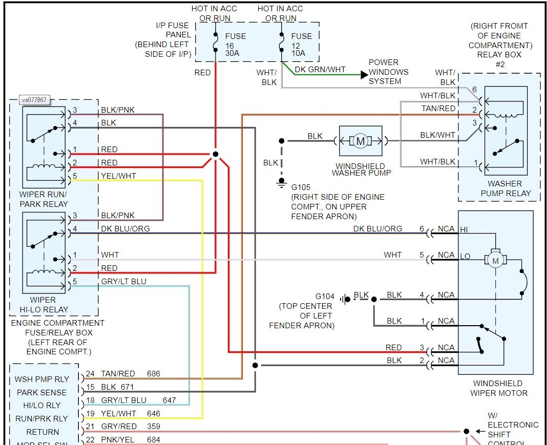
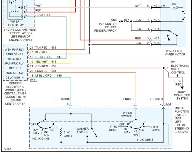
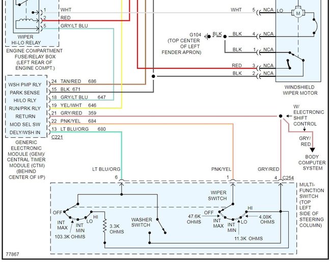
wipers quit Smelled something electrical cook. Replaced motor and burned out fuse. I have no power to new motor. Is there a relay somewhere that cooked? I unfortunately don't have an owners manual or schematic of system. Any help before it rains or snows would be great.
Nov 19, 2008 at 9:04 PM


