☰
Login
Join
×
Home
Answered Questions
Repair Topics
Repair & Service Guides
Popular Questions
Warning Lights
Trouble Codes
How It Works
Testing / Diagnostics
Symptoms
Videos
Login
Become a Member
Home
Ford
Ranger
Exterior Light
Turn Signal
Wiring
turn signal wiring diagrams
1994 FORD RANGER
WESLEY21
MEMBER
1 POST
FOLLOW
i was wondering what would cause my turn signals to not work but my hazards work
Jan 17, 2010 at 8:47 AM
Advertisement
MERLIN2021
CERTIFIED EXPERT
17,250 POSTS
Hello,
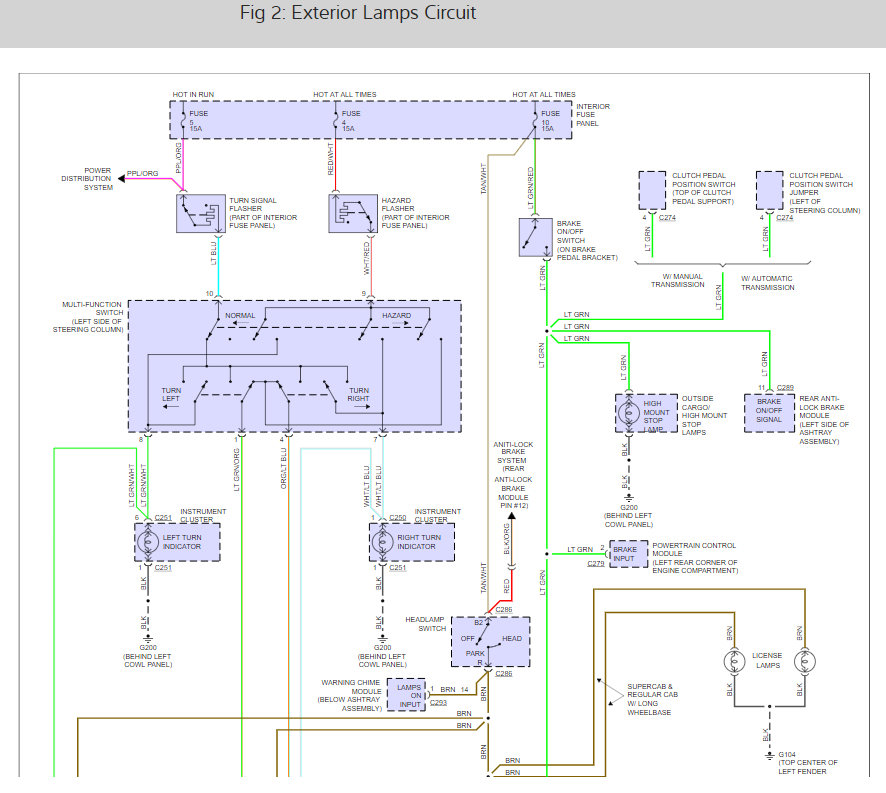
It sounds like it might be the hazard switch here is a guide to help you test along with the blinker wiring diagrams so you can see how it works.
https://www.2carpros.com/articles/how-to-use-a-test-light-circuit-tester
See where you are losing power. Check out the diagrams (Below). Please let us know what you find.
Cheers
Images (Click to enlarge)
Jun 2, 2021 at 1:51 PM