I need to bypass the neutral safety switch

1993 FORD RANGER
90,000 MILES • 6 CYL • 2WD • MANUAL
Avatar
HCAMPBELL256
  • MEMBER
  • 1 POST
my truck broke down 1/2 mile from house and i need to bypass the neutral safety switch in order to start the vehicle and get it home for repairs. i need to know which wires to jump together to bypass the switch. there are a total of five whires on the plug but i am unable to find information on which wires to jump off of in order to get the truck started and get it home to repair my problems. any help would be greatly appreciated!!!!
Jan 12, 2010 at 12:01 PM
Advertisement
Avatar
DOCFIXIT
  • CERTIFIED EXPERT
  • 18,828 POSTS
Hello,

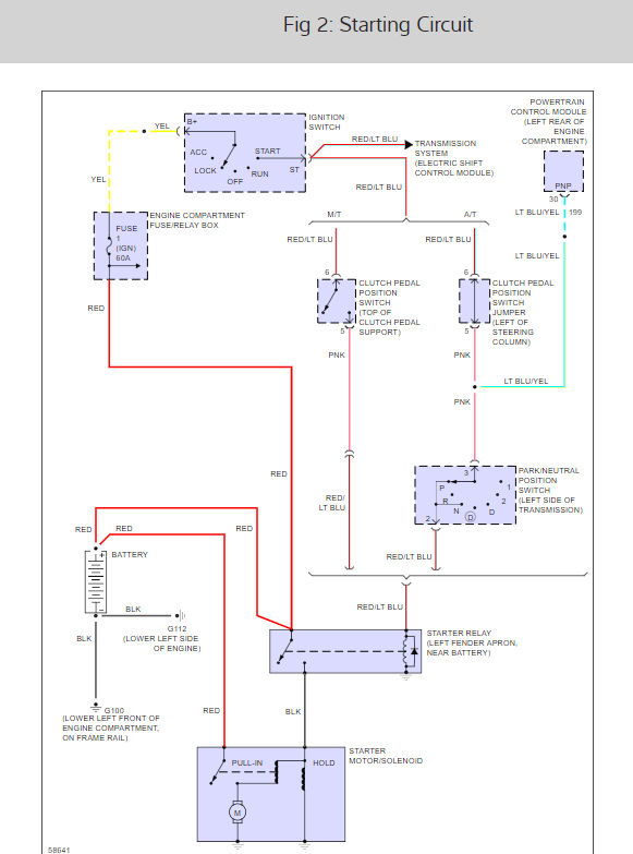
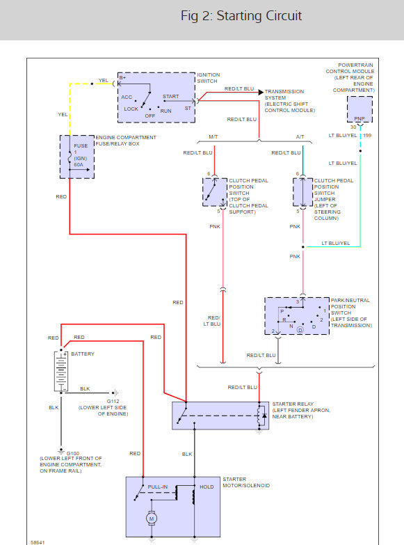
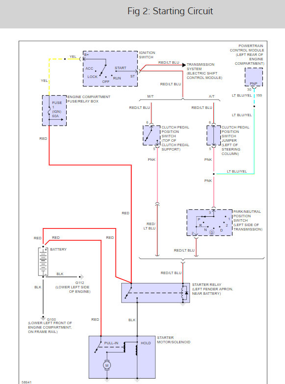
Here is the location of the neutral safety switch and the wiring diagrams to show you how to bypass the switch below. Connect the pink and red with light blue wires. Check out the diagrams (Below). Please let us know if you need anything else to get the problem fixed.


May 4, 2021 at 10:12 AM