92 ford probe gt electrical

1992 FORD PROBE
Avatar
ELGASTADOR
  • MEMBER
  • 8 POSTS
I'm a soldier stationed in Germany I bought a 92 ford probe that has several electrical problems

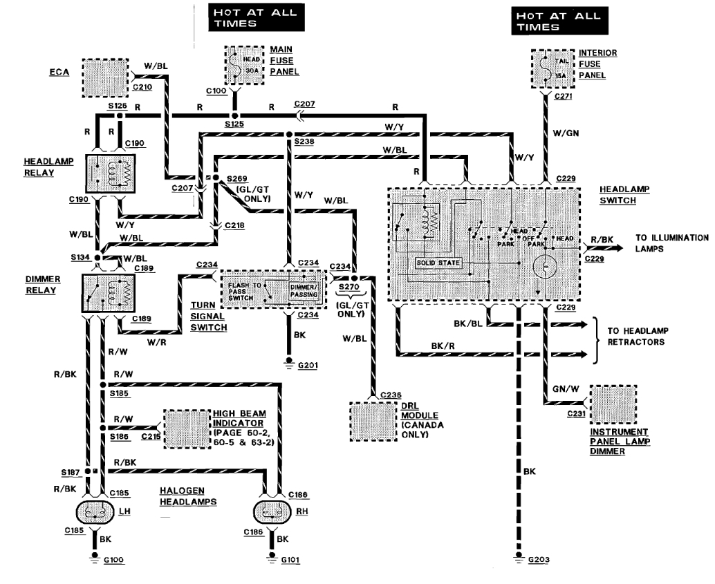
Headlights don't work (right eye don't rise)
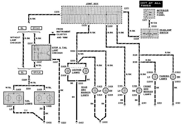
Left tail light don't work
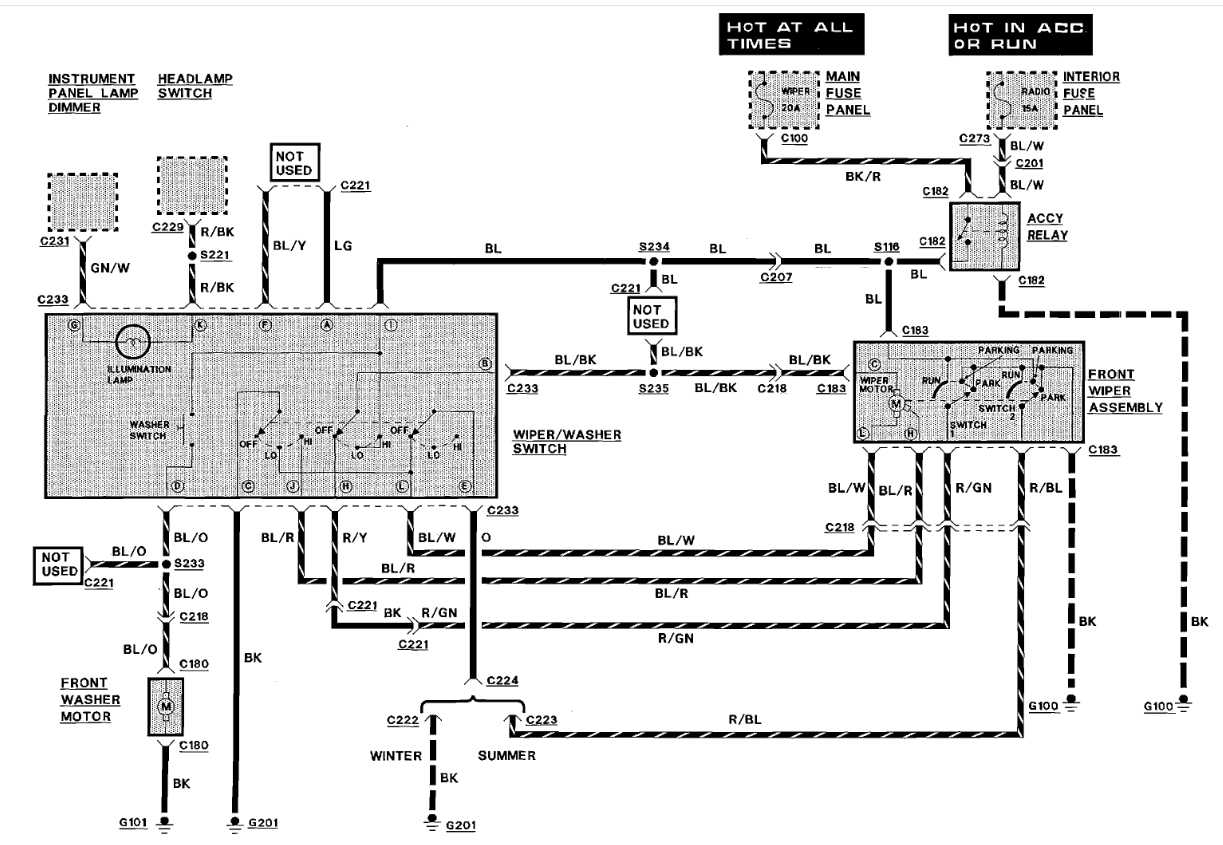
Windshield wipers won't stop.

I need help on went to start troubleshooting, and where can I find the schematics
Nov 15, 2007 at 2:12 AM
Advertisement
Avatar
2CARPRO JACK
  • CERTIFIED EXPERT
  • 11,533 POSTS
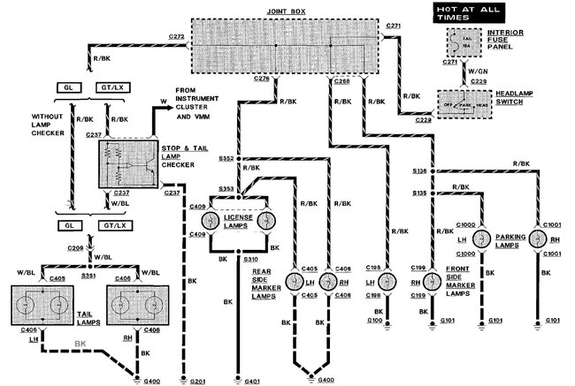
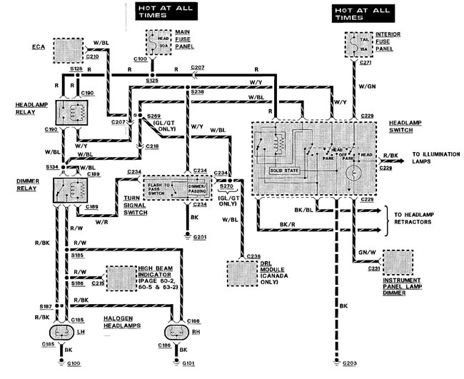
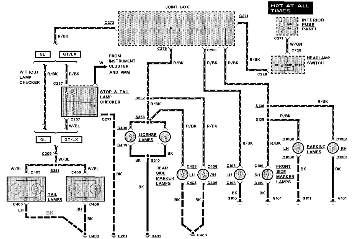
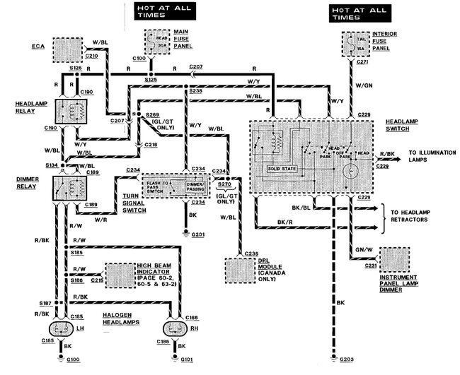
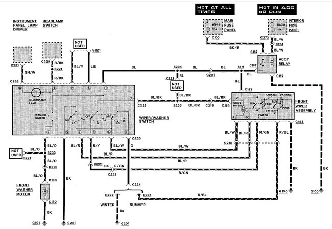
I would start by checking the fuses, here is a guide to help and I have included the wiring diagrams you need for all three systems.

https://www.2carpros.com/articles/how-to-check-a-car-fuse


Check out the images (below). Please let us know what happens.
Nov 15, 2007 at 2:45 PM