Starter Solenoid and Wiring?

1998 FORD MUSTANG
Avatar
TJARVIS
  • MEMBER
  • 1 POST
I have a 1998 Ford mustang & the solenoid needs replaced but we cant seem to find where it is so i can replace it. Its not the starter bc I had that tested.. PLEASE HELP ASAP!
Jun 24, 2010 at 3:42 PM
Advertisement
Avatar
RASMATAZ
  • CERTIFIED EXPERT
  • 75,992 POSTS
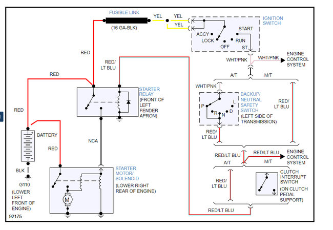
The starter relay is in the engine compartment fuse box-make sure power is coming out of the ignition switch thru the transmission range sensor white and pink wire in the cranking position of the switch before you replace the starter relay
Jun 24, 2010 at 4:00 PM
Avatar
DAHMER
  • MEMBER
  • 2 POSTS
need info on what wires go where..e.g.starter,acc,ignition.starter solenoid wires
Oct 12, 2020 at 11:30 AM (Merged)
Advertisement
Avatar
CJ MEDEVAC
  • CERTIFIED EXPERT
  • 11,004 POSTS
Starter solenoid wiring diagrams below.


i hope you have not blown fuses or done something bad! this is the old style ford solenoid all of the accessories go on the battery cable side with the battery cable the starter is all that is on the other big lug

"s" and "i" are all that should be left......with my info below, and a voltmeter, you may be able to find out which is "s"

"old ford type" solenoid system, your acces., may vary (this was really intended for jeep cj people!)

1) positive cable from battery

2) out to starter motor

3) on my jeep, this goes to the alternator

4) this feeds my fusebox (all of my accessories)

5) "s" wire is from key, 12v only while you are "cranking"

this wire activates the solinoid's electromagnet, which in turn, connects---a and b internally (only the 2 large gauge cables can handle the amperage the starter "pulls").

when the solenoid is activated, it throws 12v to starter using the large gauge cables (1) pos from batt--thru solinoid internal connection--(2) to the starter, while key is in "cranking" mode.

this is the total reason for a solenoid, because it would not be practical, to run the heavy cables to and from your key switch.

6)"i" wire (optional), feeds coil "full 12v", only while "cranking", after you release the key, the coil reverts back to reduced voltage, supplied by your key in the "run" position.

7) "solenoid mount" ground, unit must have a good ground (batt. to engine, engine to frame, frame to body [all must connect, somehow] )

(3 and 4, on my jeep) are fusable links, all are not marked, my #3----- is, #4----- is not....its sort of a "wire" fuse.

if they are good, tugging on them will be just like a wire, when they are "burned up", they will stretch out lke a rubber band.

if your solenoid is good---just not getting a "signal" from the key--we can test that too! (then you will know which direction to chase this problem)

"s" is the wire that activates the solenoid----we can sorta cheat it!

regardless what you do to cheat it, you are suppling 12 volts to the "s"('s) terminal on the solenoid....this is momentary as if you are cranking with the key

stay clear of moving parts!!!!!!-----in park--or emergency brake on!!!!

i prefer a "remote starter switch"

a jumper wire momentarily touched or a screwdriver touching pos battery or pos battery cable to the "s" terminal will by-pass the wire from the key

this will for sure let you know whether its a solenoid problem or a key ( ignition switch not delivering 12 volts)

this will start your rig if your key is in the "on" position

if you changed your coil and did not get the one that says, "for use with external resistor only"...you need to get that one! you have just "doubled" your resistance (w/ one with a internal resistor), and do not have enough volts to make it fire!!!! (your resistor is a "resistance wire" going to the coil already!)

Check out the diagrams (Below). Please let us know if you need anything else to get the problem fixed.
Oct 12, 2020 at 11:30 AM (Merged)
Avatar
WRENCHTECH
  • CERTIFIED EXPERT
  • 20,761 POSTS
It's really not all that complicated.
The battery cable attaches to the near side large post. The cable to the starter goes to the opposite large post. The ignition trigger wire pushes onto the terminal marked "S". All the remaining wires go on the battery cable side.
Oct 12, 2020 at 11:30 AM (Merged)
Avatar
DAHMER
  • MEMBER
  • 2 POSTS
mustang lx ,1993 4 cylinder. Starter solenoid will not disengage while motor is running
Oct 12, 2020 at 11:30 AM (Merged)
Avatar
CJ MEDEVAC
  • CERTIFIED EXPERT
  • 11,004 POSTS
Sounds like "S" wire has 12 Volts all the time...Can you remove the wire and Verify this with a voltmeter, or a 12Volt test light?

Did my "Wrong Solenoid" PICS help you at all, or do you think, you have something crossed?

Lastly, Whether your Solenoid is NEW OR OLD, it could be STILL BE BAD, and "Sticking"!!!

Your Turn

The Medic
Oct 12, 2020 at 11:30 AM (Merged)
Avatar
TIGER200969
  • MEMBER
  • 2 POSTS
engine was rebuilt, ran for awhile then quit
put in new cylinoid, still justed clicked, battery drained
starter is fine, alternator is fine, battery holds full charge
cylinoid sheet says only 3 wires to hook up while the person who redid the engine had more
not sure what wires go where or if that is the problem, someone also suggested that the voltage regulator might be bad, don't know how to check it.
Can you help?
Thank you
Jeri
Oct 12, 2020 at 11:30 AM (Merged)
Avatar
OBXAUTOMEDIC
  • CERTIFIED EXPERT
  • 3,711 POSTS
[quote:ed610a066c="Tiger200969"]Engine Mechanical problem
1992 Ford Mustang 4 cyl Four Wheel Drive Automatic 700 miles

engine was rebuilt, ran for awhile then quit
put in new cylinoid, still justed clicked, battery drained
starter is fine, alternator is fine, battery holds full charge
cylinoid sheet says only 3 wires to hook up while the person who redid the engine had more
not sure what wires go where or if that is the problem, someone also suggested that the voltage regulator might be bad, don't know how to check it.
Can you help?
Thank you
Jeri[/quote:ed610a066c]

Hi Jeri,

Have you tried jump starting it? Just because your battery has or holds a full charge doesn't mean it is not bad. If the CCA (Cold Cramking Amps) are low all you will get is the clicking. So, try jump starting it, if it starts go by your local auto parts store and have them check to battery.

Post finding...

.
Oct 12, 2020 at 11:30 AM (Merged)
Avatar
TIGER200969
  • MEMBER
  • 2 POSTS
tried jump starting, didn't work
only three wires are to be hooked to cylinoid I am told and this car has more, not sure which wires are to be hooked up where
was told that hooking up too many could drain the battery
can't find a guide to help us know what to hook where
Thank you,
Jeri
Oct 12, 2020 at 11:30 AM (Merged)
Avatar
JDL
  • CERTIFIED EXPERT
  • 16,098 POSTS
Hello, I came across this.


https://www.2carpros.com/forum/automotive_pictures/170934_ford_starter_1.jpg

obxautomedic is correct, if something is wrong with the battery or cables, you need to fix that first.
Oct 12, 2020 at 11:30 AM (Merged)
Avatar
OBXAUTOMEDIC
  • CERTIFIED EXPERT
  • 3,711 POSTS
[quote:f062c3a6f1="Tiger200969"]tried jump starting, didn't work
only three wires are to be hooked to cylinoid I am told and this car has more, not sure which wires are to be hooked up where
was told that hooking up too many could drain the battery
can't find a guide to help us know what to hook where
Thank you,
Jeri[/quote:f062c3a6f1]

Ok, this is the seleniod by the battery. There are actually more than 3 wires that are connected to it.

Wire 1 positive cable from battery to large terminal closest to battery. other side or seleniod the large terminal should have all the other wires with eyelets, then inbetween the large terminals are 2 small terminals one should have an "I" and one an "S" there should be a small wire that should push on it will go on the "S" Terminal.

.
Oct 12, 2020 at 11:30 AM (Merged)
Avatar
MACHOVERA
  • MEMBER
  • 1 POST
I bought a starter solenoid for my 1971 mustang. The one I bought has four connections two small ones and two large ones. I bought it with the specifications to the car 1971. The solenoid on the car has only three connectors
two large one and one small, but the car has two small wires going to the solenoid only one was connected. Please let me know what's wrong.
Oct 12, 2020 at 11:31 AM (Merged)
Avatar
RASMATAZ
  • CERTIFIED EXPERT
  • 75,992 POSTS
The two small ones should be lable S and I the S is where the ignition switch start circuit hooks up to and the I goes to the ignition bypass-which means it goes to the ignition coil positive terminal to apply full battery voltage during cranking mode-
Oct 12, 2020 at 11:31 AM (Merged)
Avatar
CHRISTYMICHELLE1
  • MEMBER
  • 3 POSTS
I'm working on fixing up my 1967 mustang, and all of a sudden, it won't try to turn over when I turn the key. I can jump it from the solenoid (which I just replaced) but it won't do anything when I turn the key. Also, the fuel pump has been working great, and now all of a sudden all I see is a trickle going through the inline filter, so even when I get it it to start from the solenoid, it won't idle. There are electrical issues inside the car (none of the lights work) and also, turn signal on front passenger side on both the hood and the front of the car won't work. Could there be a short causing not only the lights, but now the starter to not work, or is that 2 separate issues? And if it's not related, do I need to replace the starter and fuel pump?
Oct 12, 2020 at 11:31 AM (Merged)
Avatar
HMAC300
  • CERTIFIED EXPERT
  • 48,601 POSTS
check to see if power is going through ignition switch to relay first it should go to one of the small wires on relay if not it may be a neutral switch. Fuel pumps can go out like yours , however check to see if there is no blockage in fuel line. take a small gas can and run hose to inlet side of pump then try pumping into jar that will tell you if pump Is good or not. some of the ignition switches would burn up behind them and ford used to sell a kit to just replace that part but I think you need round pins . I still have them in my tool box lol. as far as interior lights check your door switches they usually rotted out and wires fell off. the turn signal can be a bad bulb as well as shorted wire or t/s switch.
Oct 12, 2020 at 11:31 AM (Merged)
Avatar
CHRISTYMICHELLE1
  • MEMBER
  • 3 POSTS
Thank you! I got it running by tightening the nuts on the solenoid and tapping the fuel pump of few times. For some reason now, the turn signal lights on the hood have now flip-flopped on which side is working. Guess I have some loose connections somewhere!
Oct 12, 2020 at 11:31 AM (Merged)
Avatar
HMAC300
  • CERTIFIED EXPERT
  • 48,601 POSTS
they may be wired wrong if they are doing that. should be green white wire to LH side and blue/white wire to RH side for turn signals. it will be that color wire all the way back to turn signal switch. also check ground on both which is black wire. the ground can be connected to body/bumper or near the battery
Oct 12, 2020 at 11:31 AM (Merged)
Avatar
CHRISTYMICHELLE1
  • MEMBER
  • 3 POSTS
Before I received your answer, I popped the bulb out and hit the contact end with a little WD-40, and now it's working just fine. I have a feeling I have a lot of corrosion in electric. I'm trying to get the bulb out of the front passenger-side turn signal to see if it needs to be replaced, but it won't budge.
Oct 12, 2020 at 11:31 AM (Merged)
Avatar
HMAC300
  • CERTIFIED EXPERT
  • 48,601 POSTS
to get that out break the bulb with pliers, take needle nose pliers and bend base so pliers will grab it then twist to take out normally. clean base with a round wire brush then use dielectric compound when putting new bulb in it's at auto parts stores. also if socket is shot you can get new guts for it at auto parts as well.
Oct 12, 2020 at 11:31 AM (Merged)
Avatar
FATBEEZIE17
  • MEMBER
  • 1 POST
I have a 1989 Ford Mustang LX 5.0
The problem that im having is that I cranked my car one day and the starter kept on spinning. I had to disconnect the negative cable from the battery for the starters to stop spinning. removing the key doesn't stop the starter from spinning. When I connect the negative terminal the starter spins. I already replaced the ignition switch and the starter is actually brand new so i dont think its the starter. I've been told to switch the solenoid, could that be the solution?
Oct 12, 2020 at 11:31 AM (Merged)
Avatar
BRUCE HUNT
  • CERTIFIED EXPERT
  • 3,754 POSTS
The solenoid is what kicks out the starter gear to engage the flywheel. Usually the starter and solenoid are sold together. Get a replacement. Rebuilt starters and sometimes new starters fail.
Oct 12, 2020 at 11:31 AM (Merged)