Radio wiring diagrams?

1996 FORD MUSTANG
Avatar
MBHUDD
  • MEMBER
  • 2 POSTS
Left rear speaker not working. Replaced with new. Still not working. Is it the wiring or my cd player? How do I rewire the speakers?
Mar 9, 2006 at 6:40 PM
Advertisement
Avatar
PEPPERMRJ
  • CERTIFIED EXPERT
  • 1,158 POSTS
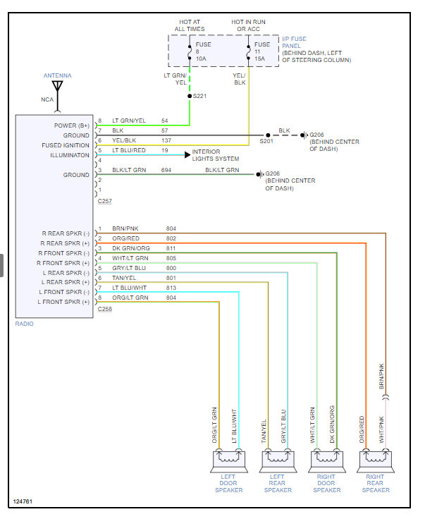
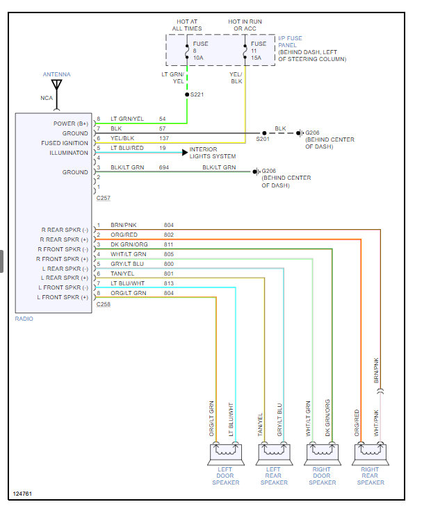
Try hooking up the old speaker to the right speaker wire. If it works then cut the left wire about a foot or 2 from your player and hook the old speaker up. If it plays then run a nw wire to the left speaker. If it does not then its the player. Here is a guide to help check the wiring with the radio wiring diagrams below.

https://www.2carpros.com/articles/how-to-check-wiring

Check out the diagrams (Below). Please let us know what you find.
Mar 11, 2006 at 7:17 PM