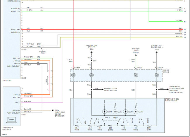
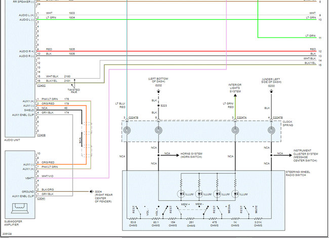
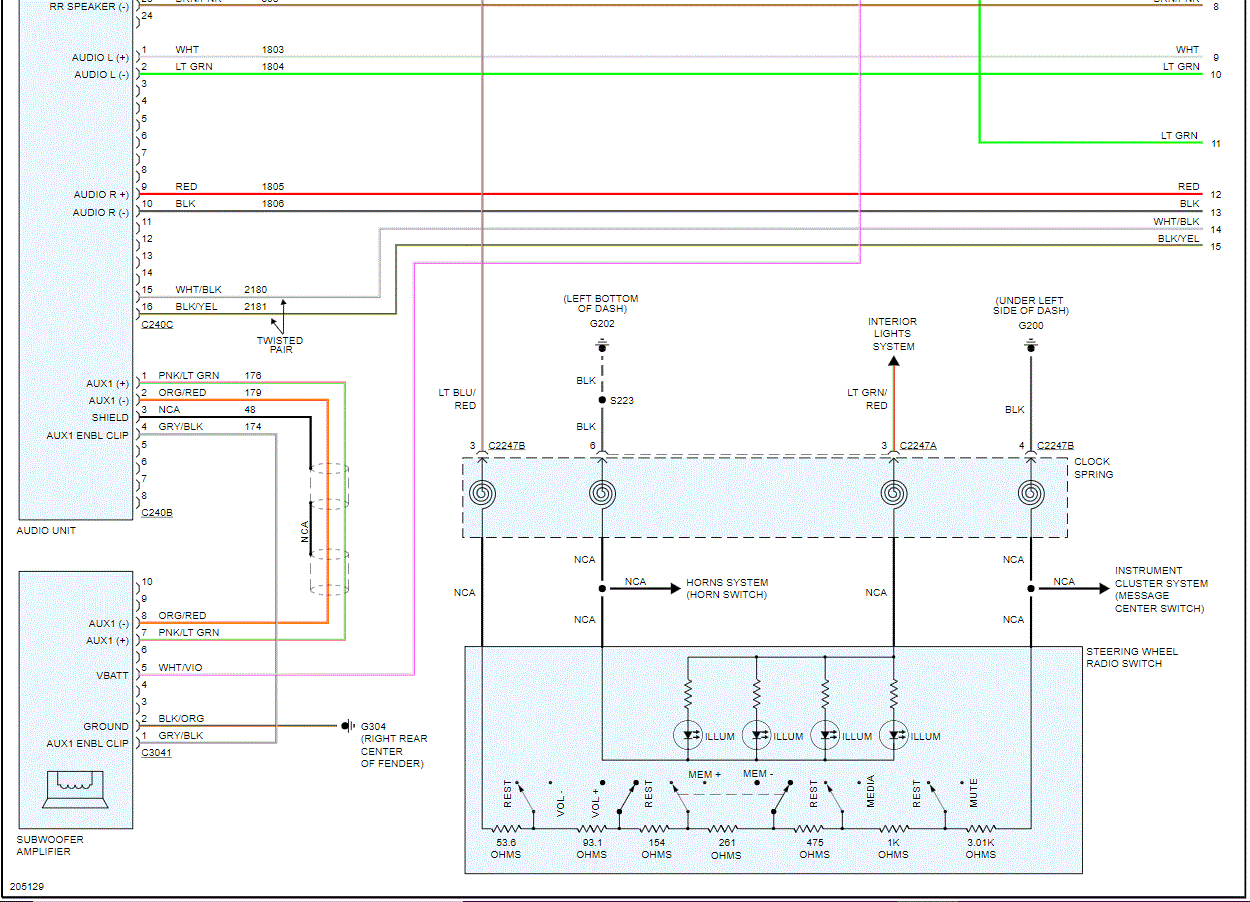
Vehicle has CD unit w/ AUX selector. Currently the factory DVD player is the input for the AUX. What I want to do is splice in an additional input into the input wires for the AUX. I intend to add a stereo port that I plug in my iPod into the stereo.
The wiring diagram is from a shaker model. I think that is a a amp addon and uses the J4 connector. Mine only has the J1 & J3 connectors. I think the pinouts are the same on all of these connectors.
My main concern would be not blowing the stereo because two units are inputting to the AUX. I don't plan on playing the DVD player and iPod and the same time but...... I doubt the combined power of the two units would do any damage but tolerances of today's electronics are the same as in the 80's so I thought I'd ask.
Thanks for the time.
The wiring diagram is from a shaker model. I think that is a a amp addon and uses the J4 connector. Mine only has the J1 & J3 connectors. I think the pinouts are the same on all of these connectors.
My main concern would be not blowing the stereo because two units are inputting to the AUX. I don't plan on playing the DVD player and iPod and the same time but...... I doubt the combined power of the two units would do any damage but tolerances of today's electronics are the same as in the 80's so I thought I'd ask.
Thanks for the time.
Apr 20, 2008 at 8:05 PM



