my heat works, but when I stop it smells like exhaust?

FORD FOCUS
Avatar
KEVIN74
  • MEMBER
  • 1 POST
i have a 2000 ford focus se 4 cyl. 150,000 miles.

my heat works, but when i stop it smells like exhaust..
Nov 24, 2007 at 8:35 PM
Advertisement
Avatar
BMRFIXIT
  • CERTIFIED EXPERT
  • 19,053 POSTS
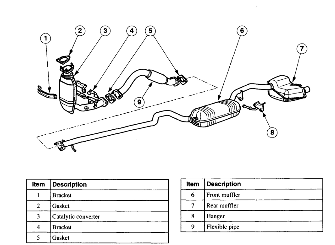
This is because you have an exhaust leak under the hood or under the car, also please check to make sure the tail pipe is intact because if the exhaust fumes are not routed to the rear of the car you will smell exhaust when the car is stopped. Please go over this guide and check out the images below.

https://www.2carpros.com/articles/how-exhaust-systems-work

Open the hood and star the engine to listen for exhaust leaks, here is what the exhaust system looks like for clarification. Check out the images (below). Please upload pictures or videos in your response of any problems so we can see what to help you with.
Nov 24, 2007 at 11:46 PM