brake light does not work

2003 FORD FOCUS
Avatar
SHAWN_LAHA
  • MEMBER
  • 1 POST
The driver side brake light does not work. The turn signal and the hazard lights work. Any ideas on what might be wrong?
Dec 31, 2008 at 2:12 PM
Advertisement
Avatar
BAC512
  • MEMBER
  • 16 POSTS
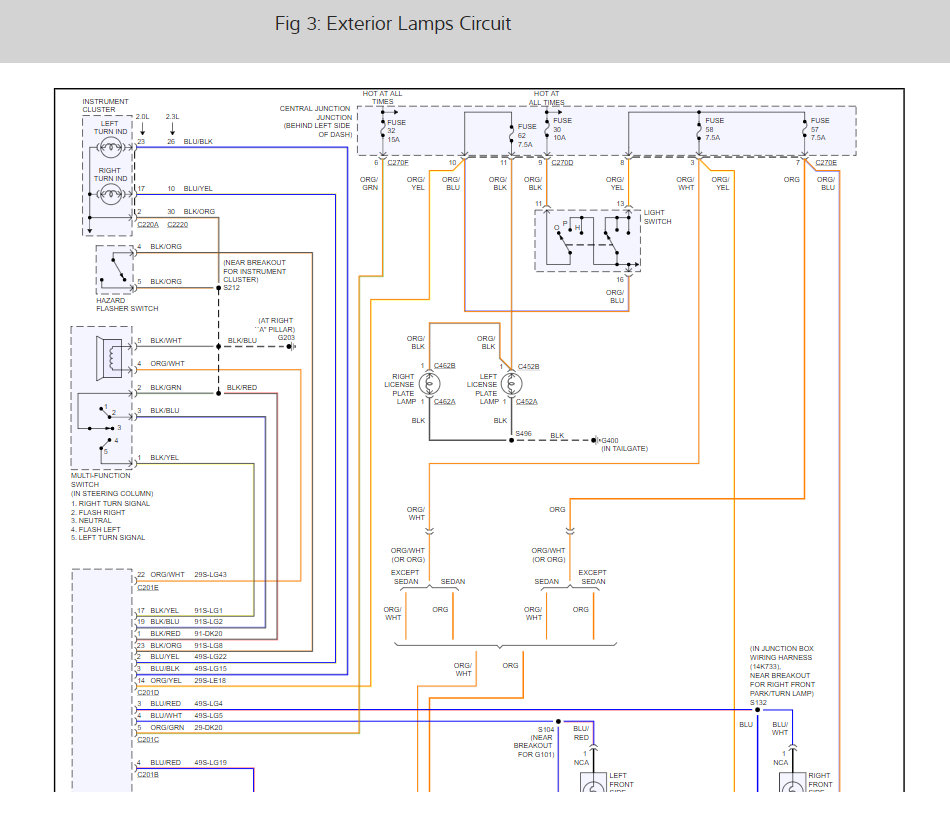
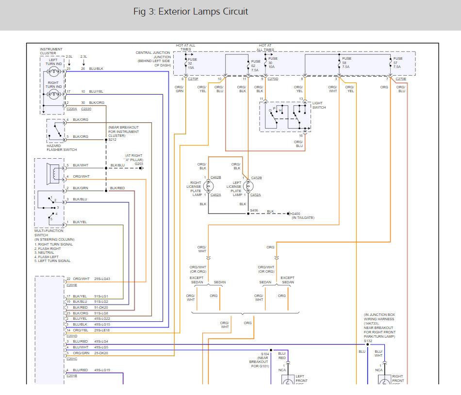
I have seen the GEM go bad causing the brake lights not to work but to be sure here are the brake light wiring diagrams so you can see how the system works and a guide to help test for power.

https://www.2carpros.com/articles/how-to-use-a-test-light-circuit-tester

Check out the diagrams (Below). Please let us know what you find. We are interested to see what it is.
Jan 5, 2009 at 7:17 PM
Avatar
BRYANC1
  • MEMBER
  • 15 POSTS
[quote:7fa2819297="shawn_laha"]2003 Ford Focus 4 cyl Front Wheel Drive Automatic

The driver side brake light does not work. The turn signal and the hazard lights work. Any ideas on what might be wrong?[/quote:7fa2819297]

Hi, These have a problem with the emergency flasher switch going bad. The brake lights are wired through this switch and if it goes bad, one or both of the brake lights will stop working. Please note that the hazard lights may still work. This is because several circuits are controlled by this one switch. This might be a good place to look after you have verified the bulbs and fuses are good. Hope this helps.
Jan 9, 2009 at 12:41 PM
Advertisement
Avatar
GOLLUMZ
  • MEMBER
  • 0 POST
I had this problem and had to get a new GEM module cost me $112.00 all fixed I love this site.
Aug 27, 2019 at 1:16 PM
Avatar
RKHARWOOD1
  • MEMBER
  • 6 POSTS
my focus has no brake lights i have checked all fuses and relays all seem to be good replaced the brake light switch and still no lights the back lights work when the lights are on just don't brighten when you push the brake pedal ?
Aug 27, 2019 at 1:16 PM (Merged)
Avatar
JDL
  • CERTIFIED EXPERT
  • 16,098 POSTS
Thanks for the donation, does the high-mount brake lite work? Are you three door or four door?

Also, at the central junction block, under left side of dash, fuse 54-- 15 amp, use a teslite, see if fuse circuit is hot, should be hot all the time.
Aug 27, 2019 at 1:16 PM (Merged)
Avatar
RKHARWOOD1
  • MEMBER
  • 6 POSTS
no the third light don't work its a four door and i will check to see if its hot
Aug 27, 2019 at 1:16 PM (Merged)
Avatar
RKHARWOOD1
  • MEMBER
  • 6 POSTS
i do not have power at fuse 54-15 amp
Aug 27, 2019 at 1:16 PM (Merged)
Avatar
JDL
  • CERTIFIED EXPERT
  • 16,098 POSTS
Under hood fuse box, driver side rear, fuse 1--40 amp, check the fuse and see if the circuit is hot, key on.

The wiring diagram for the brake lites showed fuse 54, hot all the time, but, looking at the power distribution diagram, to track the circuit to fuse 54, shows the the key has to be on, for the feed to fuse 1 and fuse 54 to go hot. Turn the key on to check fuse circuits for voltage.
Aug 27, 2019 at 1:16 PM (Merged)
Avatar
RKHARWOOD1
  • MEMBER
  • 6 POSTS
fuse 1 has power when key is on fuse 54 still does not
Aug 27, 2019 at 1:16 PM (Merged)
Avatar
JDL
  • CERTIFIED EXPERT
  • 16,098 POSTS
I'd have to get at the wiring circuits to the fuse box, under left side of dash. As you can see, green wire with red tracer carries voltage to several fuses, including fuse 54. The info I looked at was for Focus LX.


https://www.2carpros.com/forum/automotive_pictures/170934_focus_LX_wiring_circuit_1.jpg

Aug 27, 2019 at 1:16 PM (Merged)
Avatar
SARTOH
  • MEMBER
  • 2 POSTS
Hi, I changed the battery on my ford focus and now the Hazard light on the dash is stuck on solid red, the brake lights and signals will not work. The upper light on the hatch back will work. The Radio was also not working but after checking the fuses I found only one not burnt out and now the radio works. I tried disconecting the battery and then re-connecting it but it did not improve the situation.
Any suggestions.
Aug 27, 2019 at 1:16 PM (Merged)
Avatar
BMRFIXIT
  • CERTIFIED EXPERT
  • 19,053 POSTS
Turn on and off the 4 way switch (hazard switch )
I would suspect a bad flasher and or a multifunction switch

its NOT the brake light switch ,because 3rd light is working

good luck
Aug 27, 2019 at 1:16 PM (Merged)
Avatar
RKHARWOOD1
  • MEMBER
  • 6 POSTS
ichanged the relays under the hood and now have power to the fuse and switch but still no lights and when i went to move the car the park lock whould not release so you can't shift the car from park to drive or anything?
Aug 27, 2019 at 1:16 PM (Merged)
Avatar
RASMATAZ
  • CERTIFIED EXPERT
  • 75,992 POSTS
Check fuse no. 33 15amp and no. 59 7.5 amp


https://www.2carpros.com/forum/automotive_pictures/12900_h1_5.jpg


https://www.2carpros.com/forum/automotive_pictures/12900_h2_5.jpg


https://www.2carpros.com/forum/automotive_pictures/12900_h3_2.jpg


https://www.2carpros.com/forum/automotive_pictures/12900_h4_2.jpg

Aug 27, 2019 at 1:16 PM (Merged)
Avatar
JDL
  • CERTIFIED EXPERT
  • 16,098 POSTS
Did you check for voltage to and from the brake switch? Dark green wire with white tracer is voltage to the brake switch. Green wire with red tracer is voltage from the stop lamp switch, for stop lamps. If you have IVD, there is a stop lamp relay, under hood passenger side rear, you'd have to check relay circuits, replacing relay may not help anything. If you have that relay, coil side of relay is controlled by electronic stability module. I can't troubleshoot that module from here, I'd have to look at it.
Aug 27, 2019 at 1:16 PM (Merged)
Avatar
SARTOH
  • MEMBER
  • 2 POSTS
Thanks for your reply. Where is the location of these switches and how do you check if you have a bad flasher?
Aug 27, 2019 at 1:16 PM (Merged)
Avatar
BMRFIXIT
  • CERTIFIED EXPERT
  • 19,053 POSTS
turn 4 way flasher on does it work? WARNING: Deactivate air bag system before performing any service operation involving steering column components . DO NOT apply electrical power to any component on steering column without first deactivating air bag system. Air bag may deploy. Steering column switches consist of a multifunction switch, ignition switch and wiper/washer switch. The multifunction switch controls hazards, turn signals headlight high beams, wiper/washers and flash-to-pass feature Multifunction switch resistance test Left turn check resistance between terminals 1&2 Right turn check resistance between terminals 2&3 resistance should be greater than 10k/ohms


https://www.2carpros.com/forum/automotive_pictures/99387_Graphic1_98.jpg

Aug 27, 2019 at 1:17 PM (Merged)
Avatar
  • MEMBER
  • 1 POST
My brake lights do not work when I press the brakes. I checked the fuse and light bulbs and they are both working. Further they do turn on when you activate the hazard lights.
I read in this forum that it could be the switch that is connected to the brake pedal. How do I located this switch and how can I check if it is working?
Thanks
Aug 27, 2019 at 1:17 PM (Merged)
Avatar
RASMATAZ
  • CERTIFIED EXPERT
  • 75,992 POSTS
Follow the brake pedal arm it will lead you to it-disconnect it and jumper the connector-if the lights come on-adjust or replace the brake switch
Aug 27, 2019 at 1:17 PM (Merged)