Hi
i have ford flex 2011 Limited. and unfourtnaly after 10 years now it's start overheating.
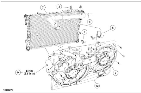
i changed the thermostat even that the old one is good as new and i replacesd WATER COOLANT ANTIFREEZ and i bought a new Radiator Fan Assembly with Cooling Fan Control Module(made in taiwan) from a company called dorman the reason why i didn't bought the orignal one because ford dealership told me the car is 10+ years old and i had to wait one month or more.
.
the issue is the fans sometimes stop running and then out of no where running again and that cuase the overheating. one more thing i notice that the fans when i leave the car off overnight and use it on the morning and use the AC the fans run without stopping and the issue come when i use the car for a long ride
i'm in suadi arabia and it's really gets hot here like +40c
and i cant even open the hood without getting sting from the heat.
i read that it might be the Coolant Temperature Sensor that cause fans sometimes not running
i dont want to be hasty to change it because i think the job for it, it will be expensive because the location of the Coolant Temperature Sensor
sorry for my bad english
i have ford flex 2011 Limited. and unfourtnaly after 10 years now it's start overheating.
i changed the thermostat even that the old one is good as new and i replacesd WATER COOLANT ANTIFREEZ and i bought a new Radiator Fan Assembly with Cooling Fan Control Module(made in taiwan) from a company called dorman the reason why i didn't bought the orignal one because ford dealership told me the car is 10+ years old and i had to wait one month or more.
.
the issue is the fans sometimes stop running and then out of no where running again and that cuase the overheating. one more thing i notice that the fans when i leave the car off overnight and use it on the morning and use the AC the fans run without stopping and the issue come when i use the car for a long ride
i'm in suadi arabia and it's really gets hot here like +40c
and i cant even open the hood without getting sting from the heat.
i read that it might be the Coolant Temperature Sensor that cause fans sometimes not running
i dont want to be hasty to change it because i think the job for it, it will be expensive because the location of the Coolant Temperature Sensor
sorry for my bad english
Jun 25, 2023 at 7:01 AM
