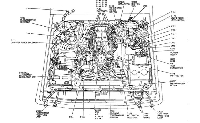
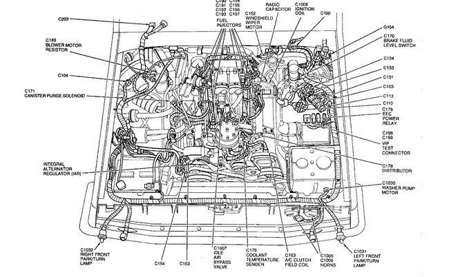
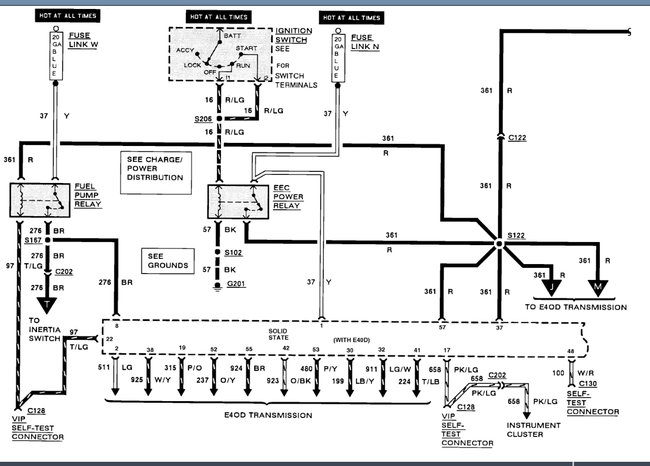
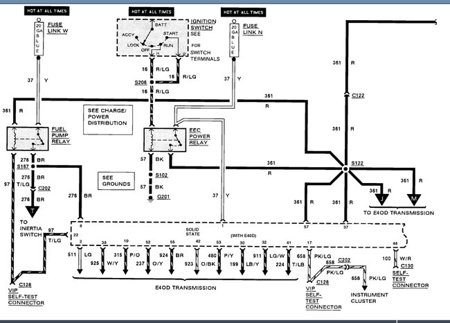
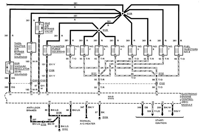
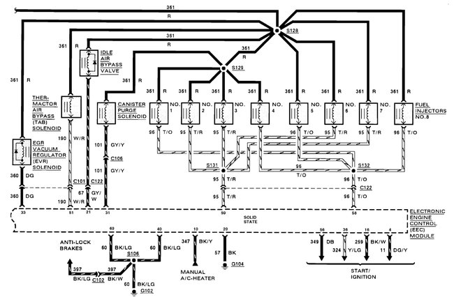
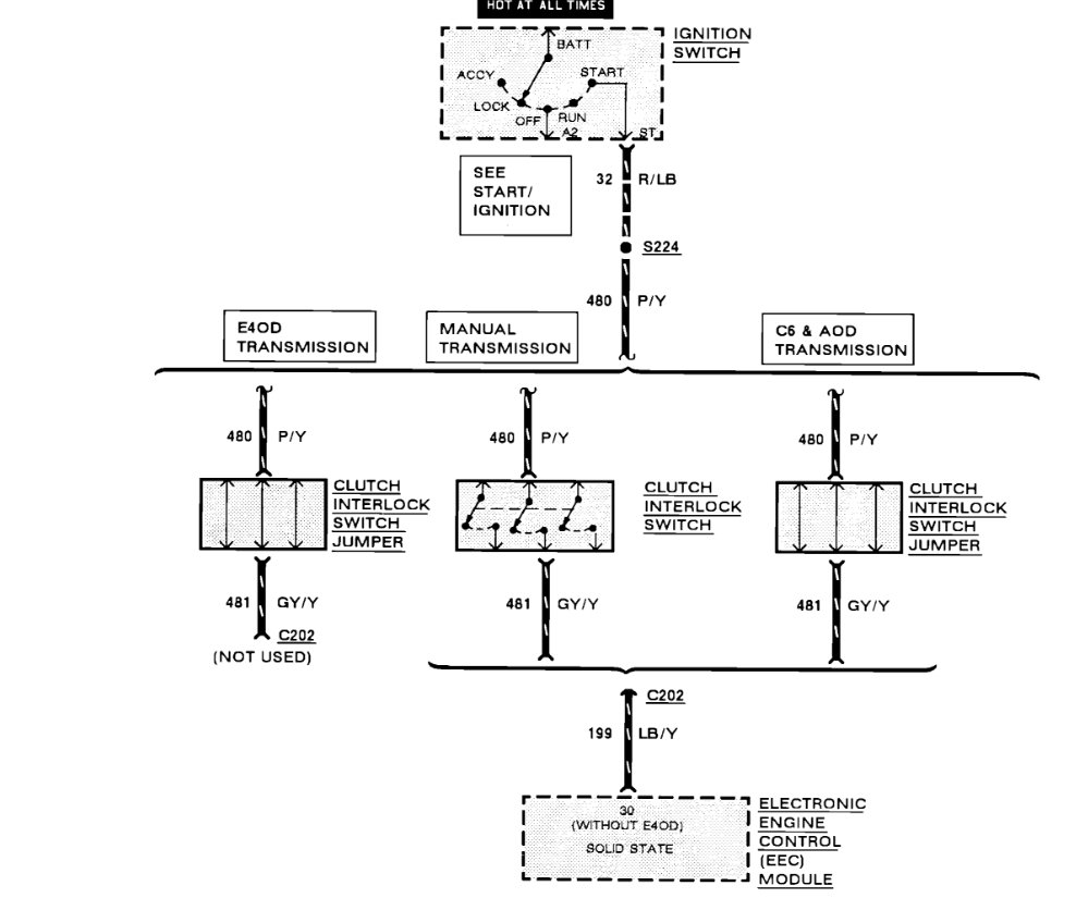
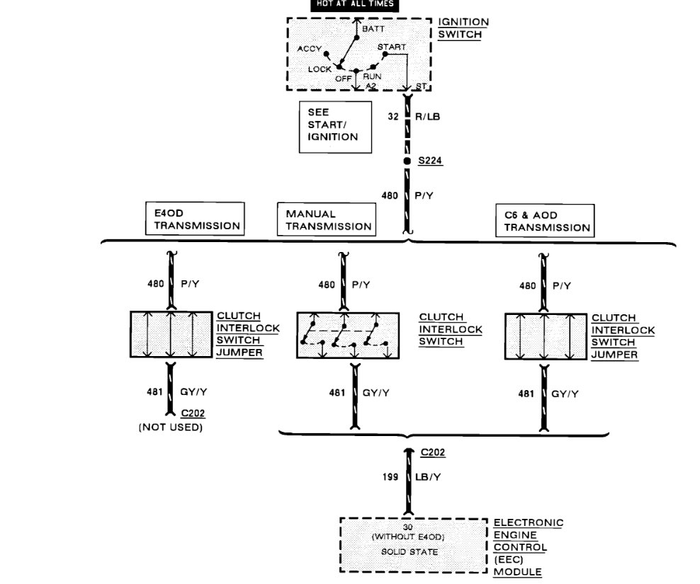
Ok. I just bought this truck. I have dual tanks. After I got it home I was playing around with it a little and I decided to switch the tanks to see how much fuel was in the rear tank. I flipped the switch and the truck stalled 2 seconds after. The rear tank was empty. So, I flipped the switch back to the front tank after I had shut the key off again. (The front tank had a half tank) Then I tried starting is again and it would not start. I'm figureing that the selector valve is now vapor locked or stuck somehow, the relay for the front tank had coencidentally went bad at that moment, or the fuel tank switch may have also coencidentally went bad at that point. I am not sure if there is two pump relays for this truck though. My 88' f-150 had dual tanks and had two relays; one for each tank. I couldn't get a chilton manual that could help me with this dilema. I am assuming that there is only one relay for the fuel pumps though. I think it is the green one. My 88' had a green relay and a brown relay. I would for sure like to know if there is more than one relay so that I can eleiminate that. I would also like to know where the selector valve is for the tanks. I pry should also add that when I use the rear tank I can hear the pump kick on for the second that it should to prime the line. When I try to use the front tank the pump doesent kick on but I can hear something click. Which is pry the relay. Thank you.
Jan 31, 2008 at 8:00 PM











