Fuel tank wiring

1985 FORD F-250
126,000 MILES • V8 • 4WD • AUTOMATIC
Avatar
PATRICKJORDAN
  • MEMBER
  • 2 POSTS
I need a wiring diagram for my truck with dual tanks the fuel pumps are intermittant i need to trouble shoot the system
Jan 13, 2010 at 9:15 AM
Advertisement
Avatar
JDL
  • CERTIFIED EXPERT
  • 16,098 POSTS
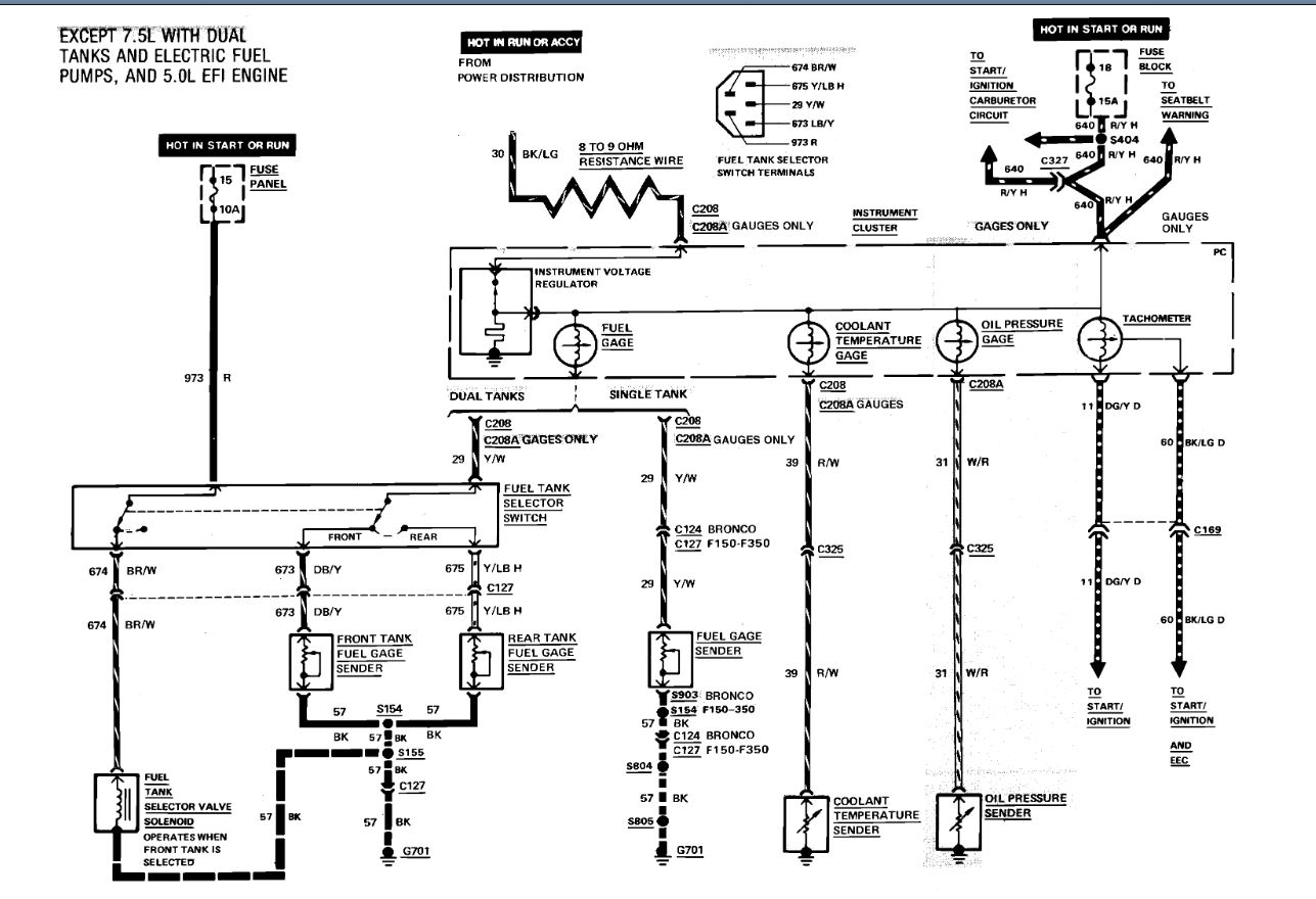
Welcome to the forum, I found this for 5.0L engine

Diagram is attached below
Jan 13, 2010 at 10:02 AM
Avatar
CATTLECLERK
  • MEMBER
  • 10 POSTS
I have a 460 engine dual tanks and it will not switch to the rear tank. Is there any way to manually switch to the rear tank? If not does any one have a diagram of the system so I can crawl under there and follow it all out??
Jul 8, 2019 at 12:36 PM (Merged)
Advertisement
Avatar
BLACKOP555
  • CERTIFIED EXPERT
  • 10,386 POSTS
when switch is pushed do the fuel pumps switch and guages move or notthin at all?
Jul 8, 2019 at 12:36 PM (Merged)
Avatar
CATTLECLERK
  • MEMBER
  • 10 POSTS
nothing at all. The fuel gauge goes to empty and the truck only runs till the carbs run out of fuel then it sputters and dies. I just got the vehicle yesterday and tried the back tank while sitting in a parking lot and did notice the gauge didn't work but figured it was just the gauge, but I evidentally didn't let it run long enough on the back tank while in the parking lot to know it wasn't working because during my drive home I switched tanks and nothing worked and I had to go back to my front tank (fortunately I had not used all the fuel in the front tank yet.)
I will climb under there today and do more checking like the fuses, wires, and I understand there is a resetable fuse on the fire wall by tranny hump to check also??
Please let me know what all I should check and I will check all of it and then get back to you with what the outcome was. In the meantime is there any way to try and manually switch to the rear tank in case it is just the interior switch?? or am I gonna have to siphon the fuel back out of the back tank??
Jul 8, 2019 at 12:36 PM (Merged)
Avatar
BLACKOP555
  • CERTIFIED EXPERT
  • 10,386 POSTS
if the fuel shut off switch was bad or needed resseting neither tank would work.

i would suspect a faulty switch or fuel pump wiring harness first of all.
Jul 8, 2019 at 12:36 PM (Merged)
Avatar
CATTLECLERK
  • MEMBER
  • 10 POSTS
Climbed under the truck and I do not hear the pump in the tank working. The reset switch for the pumps is set (wasn't bad)
All wiring looks good no leaks.
But the gauge shows nothing and the pump in the tank makes no noise. Tomorrow after work I will get the test light out and see where I have power and where I do not.
Jul 8, 2019 at 12:36 PM (Merged)
Avatar
SHARON1050
  • MEMBER
  • 1 POST
I have two fuel tanks. When i switch to the back tank, my engine shuts off. Thank you
Jul 8, 2019 at 12:36 PM (Merged)
Avatar
BLACKOP555
  • CERTIFIED EXPERT
  • 10,386 POSTS
defenitely soudns like a faulty switch or wiring harness.
Jul 8, 2019 at 12:36 PM (Merged)
Avatar
DAVE H
  • CERTIFIED EXPERT
  • 13,384 POSTS
check you are getting power to both pumps ? FUEL DELIVERY System Types Electric fuel delivery systems differ in design depending on model. System designs use one of the following configurations: Single tank with one Fuel Delivery Assembly (FDA). See Fig. 1 . Dual tank with one FDA per tank. Fig. 1: Identifying Fuel Delivery Assembly (FDA) Courtesy of FORD MOTOR CO. Fuel Delivery Assembly (FDA) The FDA consists of a fuel pump inside a reservoir that is attached to the pump and sender assembly. See Fig. 1 . In a 2-tank system, there is one FDA per tank. Fuel sender assembly handles the fuel switching through internal valves. Fuel reservoir is used to prevent fuel flow interruptions during extreme vehicle maneuvers when fuel tank level is low. Reservoir is located in-tank and is either molded or welded into fuel tank or is part of FDA. Shuttle valve opens fuel return line to fuel tank when fuel pressure on shuttle diaphragm exceeds opposing check valve spring force. When pump is de-energized, supply check valve closes to maintain pump prime and fuel supply line pressure. A portion of high pressure flow from the pump is diverted to operate the venturi jet pump. The jet pump draws fuel from the tank into the FDA. This ensures adequate fuel supply during extreme vehicle maneuvers and steep vehicle attitudes when fuel level is low. If FDA is defective, it must be replaced as an assembly.


https://www.2carpros.com/forum/automotive_pictures/266999_fda_1.jpg

Jul 8, 2019 at 12:36 PM (Merged)
Avatar
WOODMARK
  • MEMBER
  • 2 POSTS
344,785 miles. The front tank is full, but will not switch over. I can only use the rear tank.
Jul 8, 2019 at 12:36 PM (Merged)
Avatar
10FOTUCK
  • MEMBER
  • 28 POSTS
I would take that tank out clean it replace all the fuel lines sound like a breather tube or something is plugged up and not letting it create a vacuum to get to the other tank
Jul 8, 2019 at 12:36 PM (Merged)
Avatar
WOODMARK
  • MEMBER
  • 2 POSTS
When you throw the fuel tank switch in the cab, what is it doing? Is there a valve or something outside the tank that might not be working? :?:
Jul 8, 2019 at 12:36 PM (Merged)