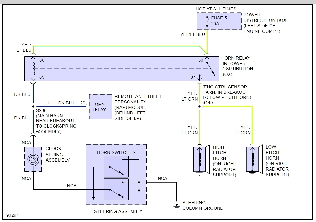
Hello, the horn fuse is in the power distribution center in slot number #5
Here is a diagram and a guide to help you see how to test for power.
https://www.2carpros.com/articles/how-to-check-a-car-fuse
Check out the horn wiring and fuse panel diagrams (Below). Please let us know if you need anything else to get the problem fixed.
Images (Click to enlarge)
Sep 27, 2016 at 11:25 AM