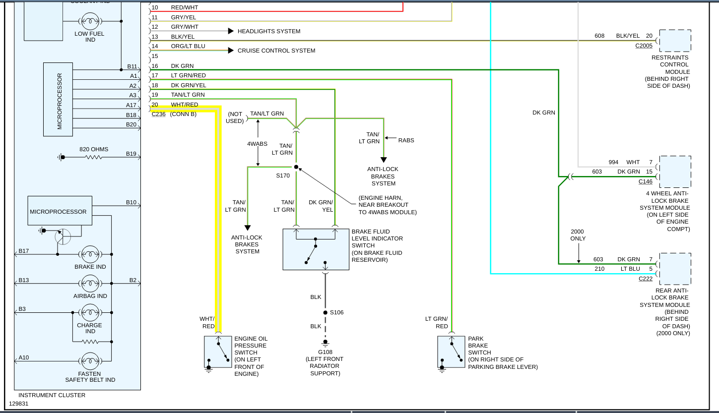
Hello, the other day I was getting ready to go to work in my truck and when I got in it started just fine, I had it running for a second before I noticed it showed no oil pressure, so I shut it off. When I turned my truck back on it would just crank and not start.I have changed the oil pressure switch as well as my oil and filter.
Any help would be appreciated.
Any help would be appreciated.
Nov 25, 2019 at 12:30 PM




