disconnected the fuel line and had my wife crank the engine and had no pressure?

2006 FORD F-150
Avatar
BIGDADDYSPRADLIN
  • MEMBER
  • 1 POST
At first I thought my fuel pump had gone out. I disconnected the fuel line and had my wife crank the engine and had no pressure. After buying the 360$ replacement pump I decided to see if I had voltage to the pump before replacing it. 1 out of the four wires is always hot. But when I had my wife crank the engine again none of the three remaining wires recieved voltage. I checked the fuse and reset the IFS (inertia fuel shut off) switch. The rely is buit on to the fuse board and I dont know how to check that. Is there something im missing other than that rely? I should be getting 12vdc when the ignition is turned on to one of the other three wires correct? I have scoured the internet for a wiring diagram to no avail. I am at a stand still, and need some help. Thank you, -Jason
Aug 25, 2010 at 4:44 AM
Advertisement
Avatar
WRENCHTECH
  • CERTIFIED EXPERT
  • 20,761 POSTS
I don't think you really want to tackle this diagnosis. This truck uses a Pulse Width Modulated fuel pump system with variable pressure. It is controlled by a driver module that uses logic from numerous sensor readings. You really need a professional scan tool to diagnose this one. Here is a guide to help you step by step with instructions in the diagrams below to show you how on your car.

https://www.2carpros.com/articles/how-to-check-wiring

Check out the diagrams (Below). Let us know what happens and please upload pictures or videos of the problem.
Aug 25, 2010 at 5:18 AM
Avatar
COMUCOSEY
  • MEMBER
  • 2 POSTS
Thank u for your help and when I get my customers to pay me on time I will send money for the help u have helped me with
Feb 4, 2015 at 12:10 PM
Advertisement
Avatar
DANNY L
  • CERTIFIED EXPERT
  • 5,648 POSTS
Hello again.

Here is a tutorial showing how to test electrical wiring:

https://www.2carpros.com/articles/how-to-check-wiring

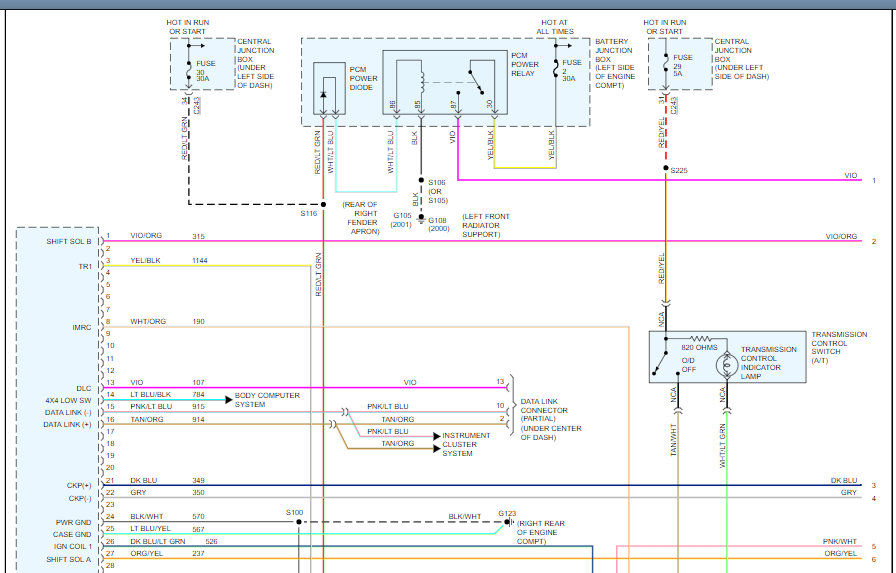
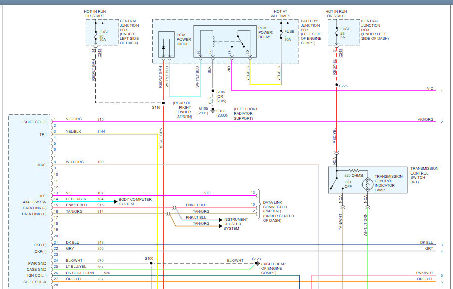
I've attached below the engine wiring diagrams for your truck that includes the fuel injector circuit. Hope this helps and thanks again for using 2CarPros.

Danny-
Feb 15, 2021 at 8:13 PM