backup lights

2004 FORD F-150
75,486 MILES • V8 • 4WD • AUTOMATIC
Avatar
HILLER
  • MEMBER
  • 1 POST
I have no reverse lights ,i have checked and changed the bulbs before having it checked by a friend he said there is no power to the bulbs.any answers?
Feb 11, 2010 at 2:21 PM
Advertisement
Avatar
JDL
  • CERTIFIED EXPERT
  • 16,098 POSTS
Hi,

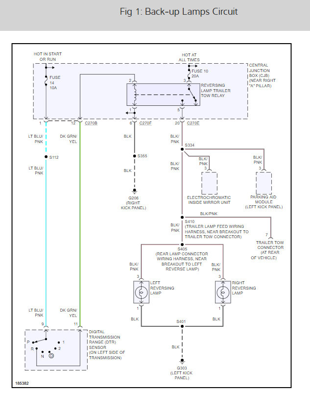
Check the reverse light relay, here is the location and the reverse lights wiring diagrams so you can see how it works.

https://www.2carpros.com/articles/how-to-check-an-electrical-relay-and-wiring-control-circuit

Check the circuits at the transmission range sensor. For the back-up lights. Voltage to the sensor, lite blue wire with pink tracer. In reverse, black wire with pink tracer carries voltage to back-up lamps. There is also a ground for the back-up lamps, you may need to check that also.

Check out the diagrams (Below). Please let us know what you find. We are interested to see what it is.
Feb 11, 2010 at 3:54 PM
Avatar
BROWNN
  • MEMBER
  • 1 POST
It was the #14 fuse on my truck thanks for the post I love this site.
Jul 5, 2019 at 7:27 PM
Advertisement
Avatar
JERRY EBNER
  • MEMBER
  • 1 POST
I have a problem with my back up lights on a 2013 Ford F 150 , you can put it in reverse with out starting the engine and they work fine, but when the engine is running they do not work...
Feb 15, 2020 at 2:47 PM
Avatar
JOETECHPRO
  • CERTIFIED EXPERT
  • 705 POSTS
Hey JERRY EBNER,

Can you please repost your truck problem in a new thread.

Please follow the link below to the home page, select your vehicle make and model and describe the fault you are experiencing.

Please post your new question here, you must be logged in.

https://www.2carpros.com/questions/new

We will get back to you as soon as we can.

Regards, Joe
Feb 17, 2020 at 8:24 AM