Daytime running lights not working

2002 FORD F-150
175,000 MILES • 6 CYL • 2WD • AUTOMATIC
Avatar
NOVA5966
  • MEMBER
  • 1 POST
Daytime running lights not working when truck is started.
Jan 1, 2008 at 2:44 PM
Advertisement
Avatar
BMRFIXIT
  • CERTIFIED EXPERT
  • 19,053 POSTS
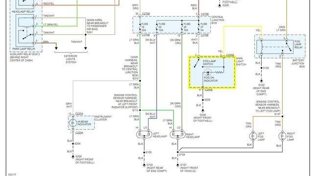
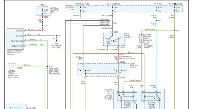
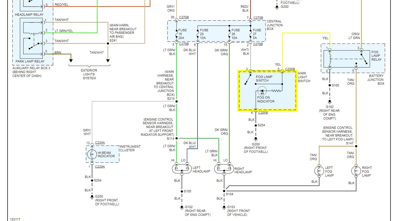
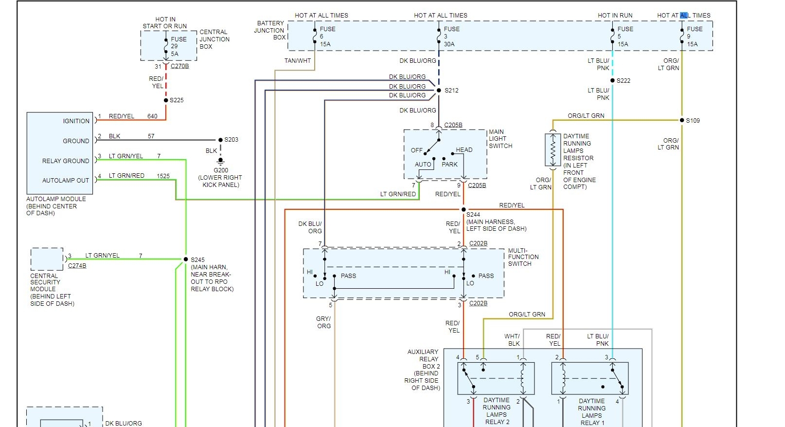
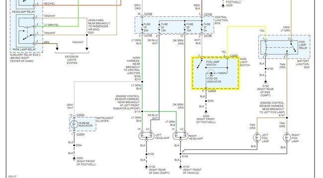
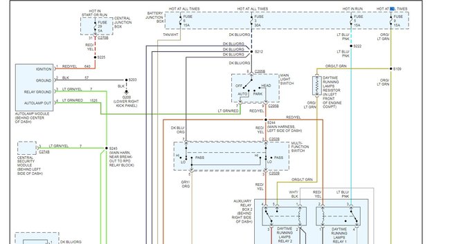
There are a couple fuses and relays that control the DRL's in your truck. Of course start basic and be sure the bulbs are good, after that you will need to do some testing to see what the problem is.

See the attached guides/diagrams below for information on how to test wiring and relays.
Check back in with what you find

https://www.2carpros.com/articles/how-to-check-wiring

https://www.2carpros.com/articles/how-to-check-an-electrical-relay-and-wiring-control-circuit
Jan 1, 2008 at 9:32 PM
Avatar
SMITHHOMEWORX
  • MEMBER
  • 1 POST
Hello,

My DRL has suddenly stopped working. I have a 2003 Ford F150 XL. The headlights both work and both fuses (in the cab and under the hood) are fine. What else can I check from here. What would cause them to suddenly stop working?

Thank you
Sep 14, 2018 at 6:03 PM (Merged)
Advertisement
Avatar
RASMATAZ
  • CERTIFIED EXPERT
  • 75,992 POSTS
Check the ground at the lower right footwell this is what the relays need to work
Sep 14, 2018 at 6:03 PM (Merged)
Avatar
JENNY1ST
  • MEMBER
  • 1 POST
I checked the ground wire which was broken, so I got a new connector and made it work again. thanks for the tips this site rocks!
Oct 25, 2020 at 11:56 AM
Avatar
WAYLON24
  • MEMBER
  • 1 POST
Could you describe where the ground wire is more precisely? I don’t exactly know where the lower right footwell is, but I have this same issue.
Mar 9, 2021 at 9:10 PM
Avatar
JACOBANDNICKOLAS
  • CERTIFIED EXPERT
  • 110,175 POSTS
Hi,

The footwell is where your feet would sit. If you were in the passenger side, it would be approximately where your right foot would lean against the kick panel.

Let me know if you find it.

Joe
Mar 12, 2021 at 7:06 PM