Stuck on defrost

2001 FORD F-150
185,000 MILES • V8 • 4WD • AUTOMATIC
Avatar
JERRYAUSTIN
  • MEMBER
  • 10 POSTS
My F-150 is not putting out the heat that it used to. heat level is equivalent to having the knob at the 11 o'clock position when in full hot. I also have a problem with the distribution door switching to defrost from floor when I'm going up a hill. All this started at the same time. Any suggestions?
Feb 10, 2010 at 9:11 AM
Advertisement
Avatar
RACEFAN966
  • CERTIFIED EXPERT
  • 5,029 POSTS
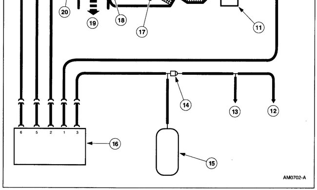
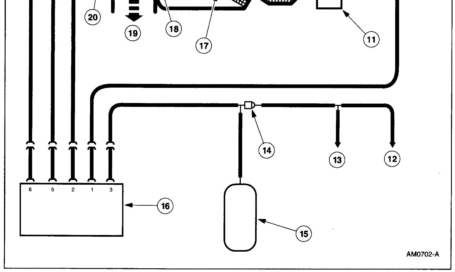
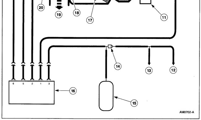
If you would use the pic below to check the vacuum lines and make sure there are no crack in the rubber hoses as well as the plastic ones. If there are cracks in the plastic ones I would get rubber hose that will go over it, using it as a splice. Let me know what you find ok. Also there is a check valve that holds vacuum check that as well.

See the vacuum diagram below for your truck
Apr 19, 2021 at 3:02 PM
Avatar
JERRYAUSTIN
  • MEMBER
  • 10 POSTS


https://www.2carpros.com/forum/automotive_pictures/479893_Firewall_Manifold_1.jpg


https://www.2carpros.com/forum/automotive_pictures/479893_Extra_line_1.jpg

Couple questions, reference the pictures attached, so I can finish. 1. What are the two ...valves/manifolds on the firewall? 2. Is this a spare vacuum line installed in the harness? 3. Where is the reservoir and check valve? 4. Which vacuum line supplies vacuum to the Temperature blend door? I see electrical wires behind the knob.
Apr 19, 2021 at 3:02 PM
Advertisement
Avatar
RACEFAN966
  • CERTIFIED EXPERT
  • 5,029 POSTS
OK the vacuum comes from the intake manifold to the reservoir tank (which should be under the hood). There usually is no extra vacuum lines so I would check to see if it is broke and if there is another end to it. Now as the the vacuum solenoids if there are part numbers on it get those to me so I can look them up. I think they will be evap solenoids used for smog stuff.

This guide can help

https://www.2carpros.com/articles/air-vents-stay-in-the-defrost-position
Apr 19, 2021 at 3:02 PM
Avatar
JERRYAUSTIN
  • MEMBER
  • 10 POSTS
solenoids not associated with the heating and cooling then. Been looking through my Haynes manual and there is no mention of the vacuum reservoir...is it under the battery? How big is it?
Apr 19, 2021 at 3:02 PM
Avatar
RACEFAN966
  • CERTIFIED EXPERT
  • 5,029 POSTS
No they are not. I would like you to check the vacuum control for the defrost the floor and fresh air intake. Use the pic to find those. The reservior tank should be under the hood but it won't tell me where.
Apr 19, 2021 at 3:02 PM
Avatar
JERRYAUSTIN
  • MEMBER
  • 10 POSTS
get back to you next week
Apr 19, 2021 at 3:02 PM
Avatar
RACEFAN966
  • CERTIFIED EXPERT
  • 5,029 POSTS
OK thats fine. Let me know how things go. We will keep at this till we fix it.
Apr 19, 2021 at 3:02 PM
Avatar
JERRYAUSTIN
  • MEMBER
  • 10 POSTS
tested the lines by removing the vacuum harness and suppying vacuum individually and found the following:

#3 Black Able to supply vacuum and it held for 1 minute without loss. Released vacuum and hooked up again, then started truck and vacuum supplied by engine measured approximately 21 inches.(gauge not calibrated)

#1 White Able to supply vacuum and it held for 1 minute without loss. Ran system and supplied vacuum and fan speed increased indicating recirculate door had closed.

#2 Yellow Able to supply vacuum and it held for 1 minute without loss.

#5 Blue Able to supply vacuum and it held for 1 minute without loss.

#6 Red Able to supply vacuum and it held for 1 minute without loss. Ran system in defrost mode and supplied vacuum. Air switched from Defrost to Panel.

Another question. Is the temperature blend door Electrically controlled and vacuum actuated? Diagram shows a full vacuum position but doesn't show a vacuum source to it. Temp switch has 3 wires coming out of the back.

Going back in today and check vacuum under load while driving to verify drop of vacuum pressure and see how much. Will also try adding vacuum to blue and yellow lines to see what results are .
Apr 19, 2021 at 3:02 PM
Avatar
RACEFAN966
  • CERTIFIED EXPERT
  • 5,029 POSTS
The blend door motor is electrically controlled. So that is what I would like to test next when you are ready.
Apr 19, 2021 at 3:02 PM
Avatar
JERRYAUSTIN
  • MEMBER
  • 10 POSTS
Found the reservoir and check valve. fitting going to line running from check valve to reservoir appears to have had a small crack at the valve (it broke off when looking at it and one side seemed dirty indicating sucking air for a while.). New one on order. will arrive tomorrow. Go ahead and let me know how to test blend door
Apr 19, 2021 at 3:02 PM
Avatar
RACEFAN966
  • CERTIFIED EXPERT
  • 5,029 POSTS
Lets wait till the new reservior tank is put in. If that it no good the test will not be correct.
Apr 19, 2021 at 3:02 PM
Avatar
JERRYAUSTIN
  • MEMBER
  • 10 POSTS
everything under the hood has been reinstalled. problem still exists. Did not replace the reservoir tank but did test it. 20" vacuum from tester held for 1 hour. know there has to be a leak somewhere. Do you know what line provides vacuum to the blend door?
Apr 19, 2021 at 3:02 PM
Avatar
RACEFAN966
  • CERTIFIED EXPERT
  • 5,029 POSTS
Blend door actuator is not vacuum it is electric and rotates the door. I am thinking that is the problem. Do you want to test it?
Apr 19, 2021 at 3:02 PM
Avatar
JERRYAUSTIN
  • MEMBER
  • 10 POSTS
yes need to test it. The reason I asked about the vacuum line was because the diagram shows the door in the full hot position as being with full vacuum....hence the previous question re is it electrically controlled and vacuum actuated
Apr 19, 2021 at 3:02 PM
Avatar
RACEFAN966
  • CERTIFIED EXPERT
  • 5,029 POSTS
Ok first if you would check fuse number 5 15amp. Now with key off disconnect the blend door motor harness. Now find the light blue wire with a pink stripe with key on is there battery voltage there? If not fix wire if so go to next step. Now set you meter on ohms and check the ohms between term number 2 and 3 (use diiagram below), with temp switch on full cool should read 3000 ohms and full warm should read 300 ohms. If this is not correct then replace the temp switch if this is correct then replace the blend door actuator. Let me know how it goes.


https://www.2carpros.com/forum/automotive_pictures/249564_Graphic_201.jpg

Apr 19, 2021 at 3:02 PM
Avatar
JERRYAUSTIN
  • MEMBER
  • 10 POSTS
15 Amp fuse OK. Power to the blue w/pink stripe wire when power on. The switch behind my temp control knob has 3 terminals. Tested resistance on terminals 2 & 3 with Digital ohm meter set at 20K. Full hot shows .300 . Full Cold shows 4.50. Replace the switch?
Apr 19, 2021 at 3:02 PM
Avatar
RACEFAN966
  • CERTIFIED EXPERT
  • 5,029 POSTS
Well full cold should be 3000 ohms and you are at 4500 ohms so I would say yes with the tests that would be correct your call.
Apr 19, 2021 at 3:02 PM
Avatar
JERRYAUSTIN
  • MEMBER
  • 10 POSTS
replaced the potentiometer . had different readings than the old one. Have more heat now but still not what it used to be. How much trouble to change the actuator? By the way, the new checkvalve fixed the problem of distributing air to the defrost when going up hills. Or could there be a partial blockage in the heater core?
Apr 19, 2021 at 3:02 PM
Avatar
IKEVINSCOTT
  • MEMBER
  • 4 POSTS
Hi, I have a similar problem i think.

When I am driving, there is a hiss coming from the dash around the heater control area, when I come to a stop, it goes away, and is not there when I idle. I find I have less power while driving, and again, seems fine while idling. I looked under the hood, and as far as i can see, from pictures i have found on the forums, everything is connected.
Before I take apart the dash, is there another way of diagnosing it?

I could get a replacement heater control from the wreckers for $50, which could be an easy job, if that is the quickest solution.

Kevin
Apr 19, 2021 at 3:02 PM
Avatar
RACEFAN966
  • CERTIFIED EXPERT
  • 5,029 POSTS
How do the brakes feel? It could be the brake booster making that noise.
Apr 19, 2021 at 3:02 PM
Avatar
DTALBOT
  • MEMBER
  • 1 POST
Oh, man, this thread is hitting very close to home now, at least for me! Same vehicle (2001 F150) too. I belive I do have an issue with vacuum/pressure and I can feel it in my brakes. If I run with the heater off, pressure is much better, as is the brake sensitivity.
Apr 19, 2021 at 3:02 PM
Avatar
RACEFAN966
  • CERTIFIED EXPERT
  • 5,029 POSTS
What hae you checked at this point?
Apr 19, 2021 at 3:02 PM
Avatar
CADIEMAN
  • CERTIFIED EXPERT
  • 3,544 POSTS
use brake cleaner to check your vacuum sys.spray your hoses when you find the problem you will notice the idle change.this will help you find the leak easyier.the leak sucks the cleaner in and makes finding it a lot easyier.start under the hood the leak is allmost allways there.
Apr 19, 2021 at 3:02 PM
Avatar
PAULW2
  • MEMBER
  • 1 POST
In your response on February 22, 2010 you stated you found the reservoir, where specifically was it. A description or picture would be very helpful. My grandson just purchased an '01 and his does the same when under heavy acceleration. Thanks for any help.
Apr 19, 2021 at 3:02 PM
Avatar
KEITHNYSM
  • MEMBER
  • 1 POST
The Two Values in the Photo are for the 4X4 front axle actuator. They are Vacuum Solenoid's. One controls the vehicle in 2WD the other for 4WD. The black line that is not connected to anything is actually a vent line from the front Axle. This line is not connected as it is just a vent.
Apr 19, 2021 at 3:02 PM
Avatar
STRAILER
  • CERTIFIED EXPERT
  • 53,855 POSTS
It sounds like the heater core is plugged, lets remove the hoses to flush the core using a garden hose. Here is a guide that can help as well.

https://www.2carpros.com/articles/car-heater-not-working

Please run down this guide and report back.



Apr 19, 2021 at 3:02 PM