The blinkers are not working?

1999 FORD F-150
900,000 MILES • 6 CYL • 2WD • MANUAL
Avatar
DJ SINC
  • MEMBER
  • 1 POST
Hi.,im having a problem with my 99 f150 ext cab. when i have my my headlights on my right blinker wont blink . can anyone help me out with this issue?
Jul 1, 2010 at 8:34 PM
Advertisement
Avatar
BLUELIGHTNIN6
  • CERTIFIED EXPERT
  • 16,542 POSTS
sounds like grounding issues, check the wiring at the headlamp switch as well as the turn signal switch. This guide can help us fix it

https://www.2carpros.com/articles/turn-signals-not-working-blinker

Please run down this guide and report back.
Oct 19, 2018 at 4:20 PM
Avatar
ZODIGIRL
  • MEMBER
  • 1 POST
I have replaced the multifunction switch and check all fuses and still have nothing. I have checked all bulbs they are good Still no turn signal nor flashers. What else can it be and where is it located please need your help.
Oct 11, 2020 at 3:44 PM (Merged)
Advertisement
Avatar
JDL
  • CERTIFIED EXPERT
  • 16,098 POSTS
Did you check voltage and ground, anywhere?
Oct 11, 2020 at 3:44 PM (Merged)
Avatar
JDL
  • CERTIFIED EXPERT
  • 16,098 POSTS
Check for voltage at the fuses in diagram. One fuse circuit is hot all the time, for hazard lamps. The other fuse goes hot with key on, for turn signals. Use a testlite to check voltage. Your flasher could be faulty?

Next, I'd have to check voltage circuits to and from multifunction switch.
Oct 11, 2020 at 3:44 PM (Merged)
Avatar
2CP-ARCHIVES
  • MEMBER
  • 4,540 POSTS
when it's cold the blinkers don't work but the flashers do
Oct 11, 2020 at 3:44 PM (Merged)
Avatar
HMAC300
  • CERTIFIED EXPERT
  • 48,601 POSTS
check to see if you have good ground at the tailights. it also may be a bad flasher
Oct 11, 2020 at 3:44 PM (Merged)
Avatar
SUSSY
  • MEMBER
  • 1 POST
I have checked all of my fuses they are fine. all of the lights work with the acception of the turn signals , brake lights and hazzards. Whats wrong? the lights all worked when i got the truck on 7-1-13, then they stopped working. i have head lights and tail lights. but the brake, turn signals and hazzards don't work.
Oct 11, 2020 at 3:44 PM (Merged)
Avatar
JACOBANDNICKOLAS
  • CERTIFIED EXPERT
  • 110,175 POSTS
check to see if the flasher is bad. Make sure all fuses are good.
Oct 11, 2020 at 3:45 PM (Merged)
Avatar
CRMIV67
  • MEMBER
  • 7 POSTS
I had the same problem with my 86 F150. The problem was a bad ground at the tailights. Check to make sure you have a good ground.
Oct 11, 2020 at 3:45 PM (Merged)
Avatar
JACOBANDNICKOLAS
  • CERTIFIED EXPERT
  • 110,175 POSTS
that is a good recommendation
Oct 11, 2020 at 3:45 PM (Merged)
Avatar
STILLWATER10
  • MEMBER
  • 27 POSTS
I have a 97 ford f150 ,the other day my turn signals stop working flashers still worked just turn signals stopped. I opened the steering column and found two burnt wires on the turn signal harness, fuses were fine under the dash. I then replaced the harness and replaced multifunction control . while working under the dash turn signals worked for a short period then stopped. I then replaced both relay switches under the dash one blue one black still no turn signals fuses were still fine, i am lost any other relays or switches i don"t no about. HELP.
Oct 11, 2020 at 3:45 PM (Merged)
Avatar
PROTECH1980
  • MEMBER
  • 901 POSTS
Hello,

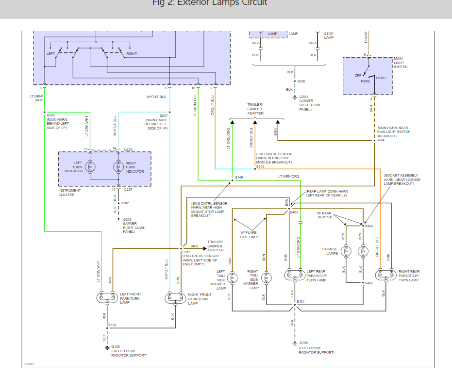
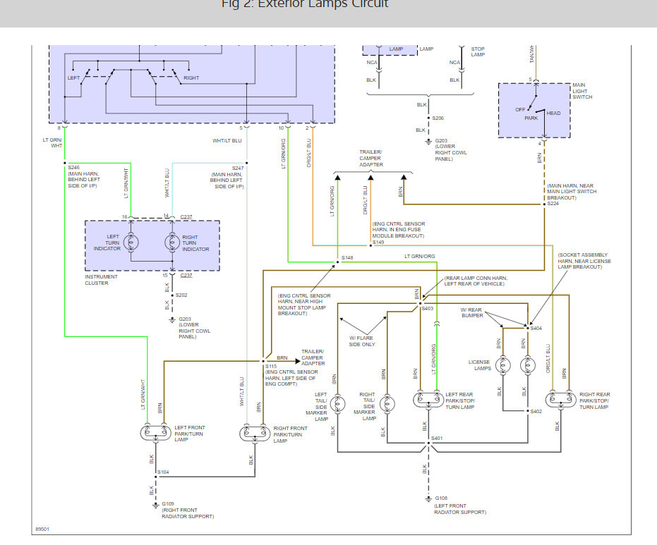
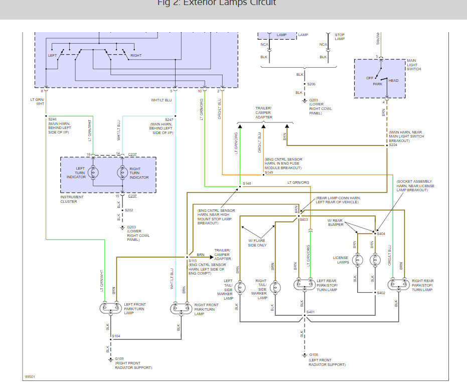
Please check fuse number 13, 1 and 23. Here is a guide to help you check for power and the blinker wiring diagrams so you can see how the system works.

https://www.2carpros.com/articles/how-to-check-a-car-fuse

Check out the diagrams (Below). Please let us know what you find.

Cheers
Oct 11, 2020 at 3:45 PM (Merged)
Avatar
STILLWATER10
  • MEMBER
  • 27 POSTS
Well i started checking wires and refitted my switch and the turn signals came on, moved the column they when't off the switch on top pulls out slightly i will try something to make it snug the clip on top is broke. and as far as the wires go i did not check the ones on top just the side. The wires connecting to the turn are light blue with orange stripe (no power)fuse 1 fine, Dark blue with orange stripe (with power)
Oct 11, 2020 at 3:45 PM (Merged)
Avatar
PROTECH1980
  • MEMBER
  • 901 POSTS
No problem on the time, so you've discovered the issue(connection) with the turn signals? I hope that the wiring diagram helped, I didnt understand the last part of your message, did you have another issue with the wires?
Oct 11, 2020 at 3:45 PM (Merged)
Avatar
STILLWATER10
  • MEMBER
  • 27 POSTS
No good to go.
Oct 11, 2020 at 3:45 PM (Merged)
Avatar
PROTECH1980
  • MEMBER
  • 901 POSTS
Good to hear, please use 2CarPros anytime we are here to help.

Cheers
Oct 11, 2020 at 3:45 PM (Merged)
Avatar
GAYLANDB
  • MEMBER
  • 1 POST
Electrical problem
1998 Ford F150 6 cyl Two Wheel Drive Automatic

My 98 f150 the turn signals and blower motor quit working at the same time. I have checked all fuses and relays and can't find problem. Also I installed a new ignition and key switch and truck still will not start with key. I have to jump across solenoid to start. HELP!!!!!!!!
Oct 11, 2020 at 3:45 PM (Merged)
Avatar
JACOBANDNICKOLAS
  • CERTIFIED EXPERT
  • 110,175 POSTS
Hi:
It sounds like there may be a problem with the ignition switch. Does the engine crank when you try to start it? If so, are you getting spark and fuel?

Joe
Oct 11, 2020 at 3:45 PM (Merged)
Avatar
MIKEHOWARD4
  • MEMBER
  • 1 POST
Brakes problem
1997 Ford F150 V8 Four Wheel Drive Automatic

1997 ford f150 right side brake and turn signal will not work in the back only
Oct 11, 2020 at 3:45 PM (Merged)
Avatar
BMRFIXIT
  • CERTIFIED EXPERT
  • 19,053 POSTS
Check and change the bulb
Oct 11, 2020 at 3:45 PM (Merged)
Avatar
JLUKE44004
  • MEMBER
  • 1 POST
When I turn on the headlights, all my dashboard lights go off. the turn signals turn on inside but do not flash. The heater will not come on, just get a buzzing sound. The fuse box loses power to half of it when lights r off, but it starts and runs fine. Door locks will not work, neither will the power seats. But the windows do. Driver side window will go down by itself, but will go back up. Friend who is a ford mechanic said possibly body control module. Any ideas? thanks much
Oct 11, 2020 at 3:48 PM (Merged)
Avatar
MERLIN2021
  • CERTIFIED EXPERT
  • 17,250 POSTS
There is a known problem with some F150's of your year, but you need to check the production date on the door sticker, I will email the fix to you if yours falls in the affected model. All info is in the emailed PDF file.
Oct 11, 2020 at 3:48 PM (Merged)
Avatar
NETTNETT
  • MEMBER
  • 6 POSTS
I have a 1997 F150 pickup and the turn signals only work when there's no headlights on and the heat is off. If the lights are on there's no turn signals. If the lights are off and I put the heat on there's a buzzing noise coming from the flasher under the drivers dash. When headlights are on there are two green arrows on dash lit up. High beam shows up but the high beam is not on. When headlights are off dash lights come on. when lights on hazards don't work. Lights of and heat off Hazards work. Never seen this before please help.
Oct 11, 2020 at 3:49 PM (Merged)
Avatar
KHLOW2008
  • CERTIFIED EXPERT
  • 41,814 POSTS
Hi nettnett,

Is your vehicle equipped with Day Running Lights?
Did you test the headlight bulbs for high beams?

I would suspect a bad grounds for the headlights at the body near wheelhouse behind headlight.
Oct 11, 2020 at 3:49 PM (Merged)
Avatar
NETTNETT
  • MEMBER
  • 6 POSTS
truck doesn't have Day Running Lights. what would high beam on headlights have to do with blinkers and heat. The truck has no heat coming out of vents. If you turn on heat and turn it from low to high there's no heat and there's a buzzing noise coming from the flasher under dash. If lights are on the blinkers will not work the heat still doesn't work but there's no buzzing noise from heat when headlights are on. Not sure whats going on.
Oct 11, 2020 at 3:49 PM (Merged)
Avatar
KHLOW2008
  • CERTIFIED EXPERT
  • 41,814 POSTS
Hi nettnett,

The thing they have in common are grounding points.

Unloosen and retighten the grounding point at lower front cowl panel. It is the grounds for the blower and flasher relay box and should be the main culprit.
Sorry I do not have any diagrams to show.
Oct 11, 2020 at 3:49 PM (Merged)
Avatar
MANAOU
  • MEMBER
  • 1 POST
what wires do you check in steering column, for signal light relay
Oct 14, 2020 at 2:54 PM (Merged)
Avatar
CJ MEDEVAC
  • CERTIFIED EXPERT
  • 11,004 POSTS
Check your Fuses and your "Flasher"??................................................................................................

The Medic
Oct 14, 2020 at 2:54 PM (Merged)