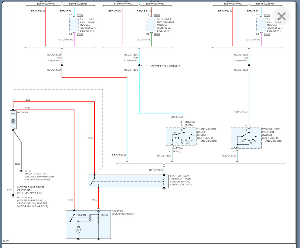
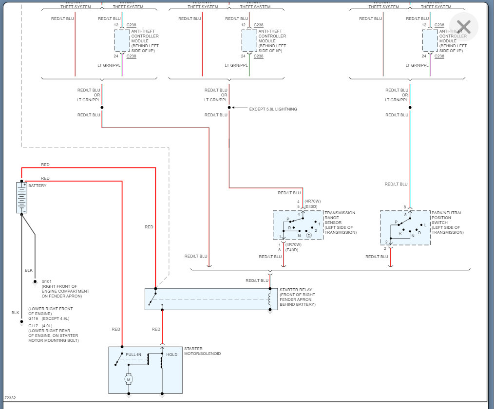
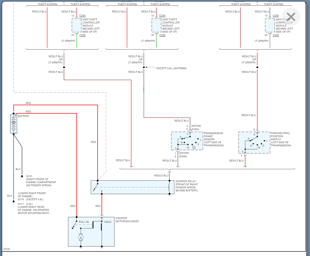
It would not start, but the battery was good. I replaced the starter and the solenoid on the firewall, but that did not fix the problem. The vehicle will start if I use a screwdriver to jump from the starter to the starter solenoid. I am assuming it may be an electrical issue. What can I do to fix this problem? Thank you for your help.
Apr 1, 2010 at 5:09 PM

