Electrical problem V8 Four Wheel Drive Automatic 55000 miles
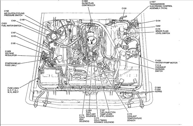
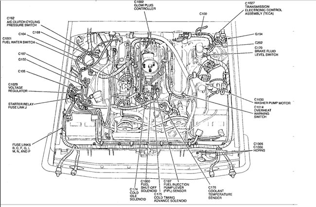
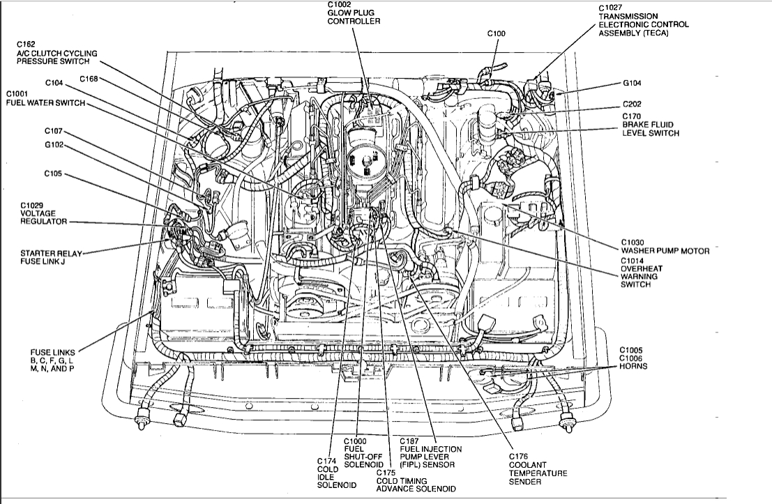
where do I find the voltage regulator on the 1992 Ford F150 xlt 8 cylinder
where do I find the voltage regulator on the 1992 Ford F150 xlt 8 cylinder
Apr 2, 2010 at 6:56 PM
