what does a fusible link look like and where is it located

1991 FORD F-150
Avatar
VERBAL2009
  • MEMBER
  • 1 POST
what does a fusible link look like and where is it located
Apr 14, 2009 at 4:18 PM
Advertisement
Avatar
RASMATAZ
  • CERTIFIED EXPERT
  • 75,992 POSTS
Those should be coming off the starter solenoid, there will be several of them attached to one of the large posts on the solenoid. The starter solenoid will be mounted on the inner fender near the battery

This guide will help you teat them

https://www.2carpros.com/articles/how-to-check-wiring

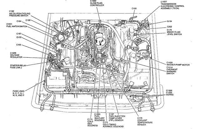
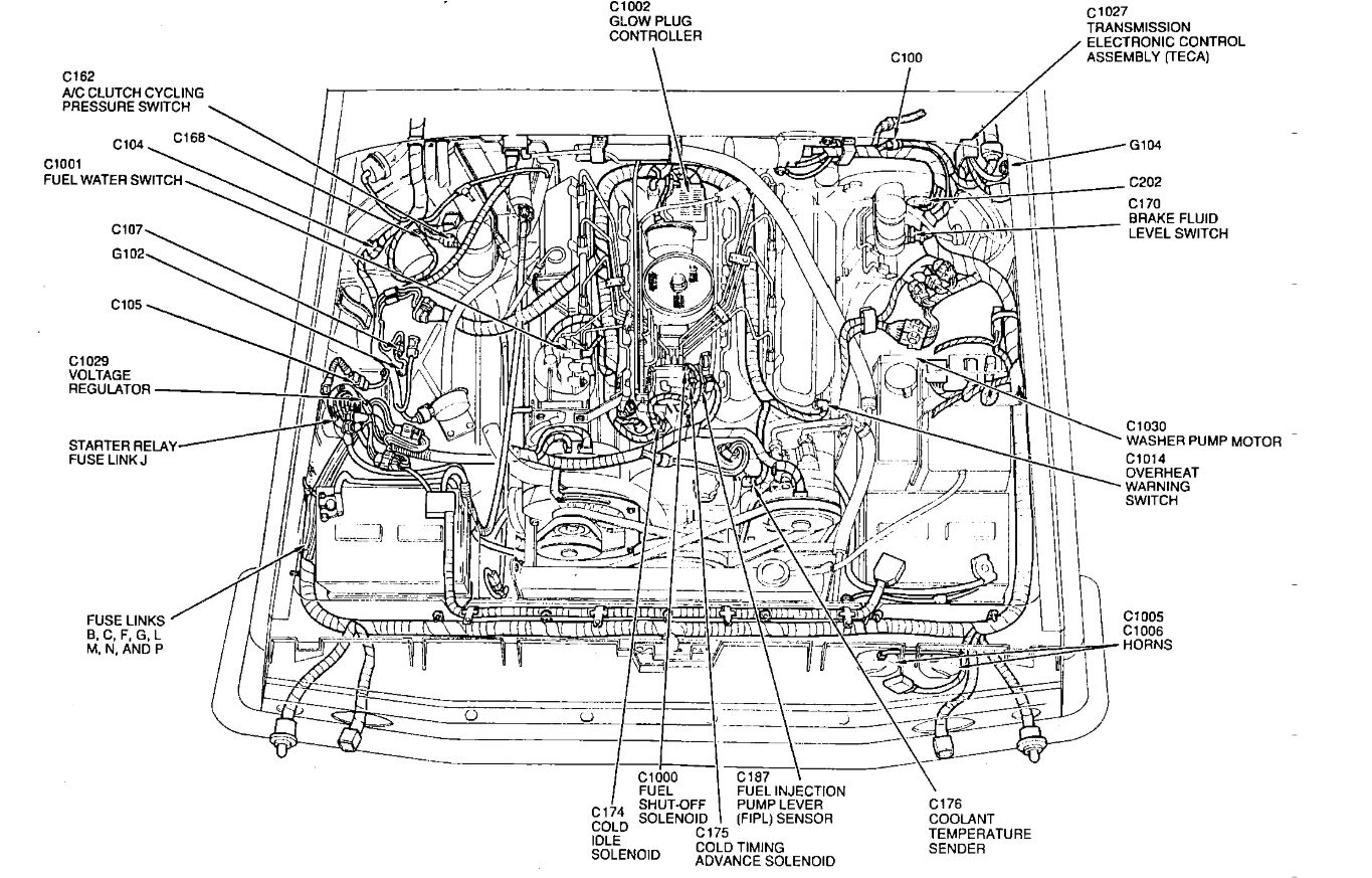
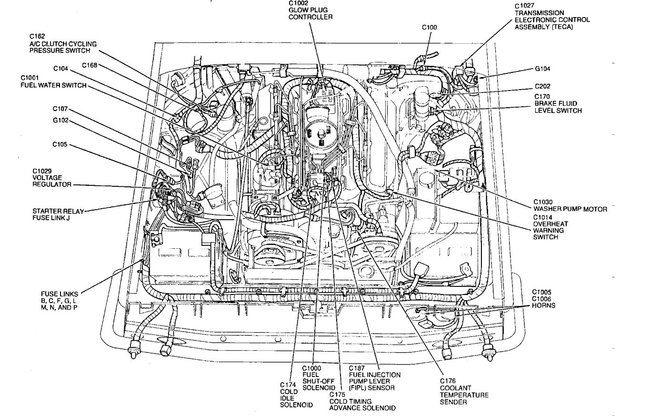
See the diagram below for locations
May 5, 2021 at 12:44 PM