New Ignition, new starter, new solenoid!

1989 FORD F-150
116,500 MILES • V8 • 2WD • AUTOMATIC
Avatar
JAY_LTI
  • MEMBER
  • 1 POST
my truck has constant power even when the key is off. It also will not start the truck either. the dummy lights are on like the ignition is on is what I mean by constant, too. what could be the problem?
Jan 1, 2008 at 7:17 PM
Advertisement
Avatar
KHUMMS518
  • MEMBER
  • 2 POSTS
[quote:127a428e15="jay_lti"]Electrical problem
1989 Ford F150 V8 Two Wheel Drive Automatic 116500 miles
----------------------------------------------------------------
my truck has constant power even when the key is off. It also will not start the truck either. the dummy lights are on like the ignition is on is what I mean by constant, too. what could be the problem?[/quote:127a428e15]

your sterring colum needs to be rebuilt
Jan 1, 2008 at 8:27 PM
Avatar
BMRFIXIT
  • CERTIFIED EXPERT
  • 19,053 POSTS
[quote:b2faf8f1bc="jay_lti"]Electrical problem
1989 Ford F150 V8 Two Wheel Drive Automatic 116500 miles
----------------------------------------------------------------
my truck has constant power even when the key is off. It also will not start the truck either. the dummy lights are on like the ignition is on is what I mean by constant, too. what could be the problem?[/quote:b2faf8f1bc]

When you turn the ignition key you are moving a link inside the steering column
that link the key to the ignition switch
on ford it brakes and you need to rebuilt the steering column
in your case I would look for a good used column and replace it as a whole
need more info let me know

good lucks
Jan 1, 2008 at 9:27 PM
Advertisement
Avatar
BLACKHAT89
  • MEMBER
  • 3 POSTS
Greetings,I bought a 1986 f150 stepside 302,AOD trans.The wireing from the battery through the starter solonoid was disconected.Cant figure out how to get power to the ignition,accessories ect.Could you tell me what wires go to the battery side of the solonoid.It is the factory wireing harness but one wire had been cut at one time with an aftermarket conector but sliced to it,a black wire. .Thank you.
Dec 31, 2019 at 12:30 PM (Merged)
Avatar
OBXAUTOMEDIC
  • CERTIFIED EXPERT
  • 3,711 POSTS
Hello,


How many wires are on the relay solenoid?

There should be on the side going to the Battery a Green Fusable Link Wire which should turn to a yellow wire which is the Ignition Wire.

On the other side going to the Starter there should be a Blue Fusable Link Wire which turns to a Pink Wire with Black Stripe.

If this doesn't appear right, if you can take a pic and post it.

.
Dec 31, 2019 at 12:30 PM (Merged)
Avatar
BLACKHAT89
  • MEMBER
  • 3 POSTS
Hello,thank you for the reply and you are welcome for the donation.Ok, I have four wires that I would like to point out to you.From the alternator harness one black/orange stripe #10 or 12 gauge with orange fuse link. From main harness,black/green stripe #16 with a plug in line. From harness,yellow #16 to black fuse link to black. From harness,yellow #16 to black fuse link to red or pink hard to tell with age of truck. From what you said in your message,it looks like the yellow to red is my battery side of the relay power wire. do any of the other three also hook to the battery side?I also should mention the truck was built in Canada if that makes any difference in the wireing. Thanks a bunch.
Dec 31, 2019 at 12:30 PM (Merged)
Avatar
OBXAUTOMEDIC
  • CERTIFIED EXPERT
  • 3,711 POSTS
Sorry for the delay....

I don't have access to my Mitchell1 today, I will take a look at the wiring diagrams and let you know. I don't think it being biult in Canada makes a difference.

Also are you able to take a pic and post it?

.
Dec 31, 2019 at 12:30 PM (Merged)
Avatar
RONNIE THOMAS
  • MEMBER
  • 2 POSTS
I just recently purchased a ford F-150, 1987, It starts fine in the mornings, it runs fine. the problem is when you drive it about 10 miles and shut it off, it cranks so slow it wont start the engine, i have replaced the battery and it still does it, replaced the battery terminal clamps, cleaned all ground connections, but it still does this when it warms up. i was told when i purchased the pickup that it just had the starter replaced along with the solenoid, i dont think its the timing, because there is no chatter when its warmed up when you excelerate, any ideas?
Dec 31, 2019 at 12:30 PM (Merged)
Avatar
RASMATAZ
  • CERTIFIED EXPERT
  • 75,992 POSTS
Load test the battery and alternator if okay-check the engine if its seizing up
Dec 31, 2019 at 12:30 PM (Merged)
Avatar
OBXAUTOMEDIC
  • CERTIFIED EXPERT
  • 3,711 POSTS
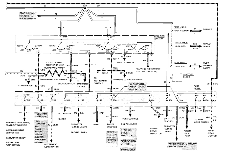
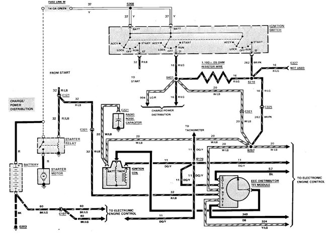
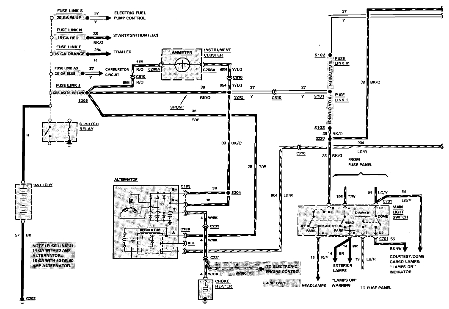
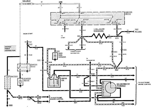
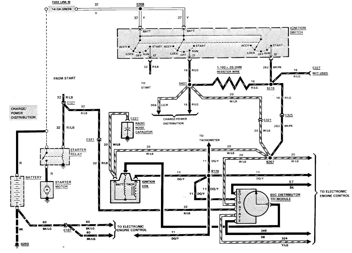
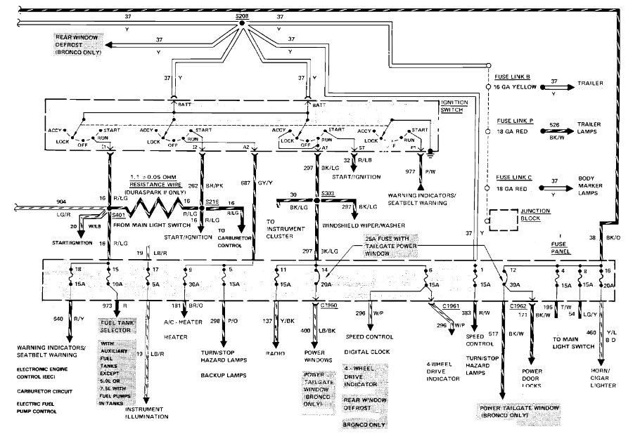
This is all I could find that would show where the wires go.
Dec 31, 2019 at 12:30 PM (Merged)
Avatar
RONNIE THOMAS
  • MEMBER
  • 2 POSTS
Battery and altenator tested fine , what do you do to check to see if the engine is seizing? its hard to believe because, the engine runs really good, but not sure how to check to see if its seizing, i was told it could be some relay that gets hot or a sensor. could that be true also?
Dec 31, 2019 at 12:30 PM (Merged)
Avatar
BRENT767
  • MEMBER
  • 1 POST
I need help someone yanked the wires all over the hood can anyone tell me where these wires go 86 f250 460 motor
Dec 31, 2019 at 12:30 PM (Merged)
Avatar
RASMATAZ
  • CERTIFIED EXPERT
  • 75,992 POSTS
what do you do to check to see if the engine is seizing? By turning the crankshaft pulley-Is the engine running hotter than normal-

Cranking slow could be also the starter overrunning clutch is slipping.
Dec 31, 2019 at 12:30 PM (Merged)
Avatar
DANNY L
  • CERTIFIED EXPERT
  • 5,648 POSTS
Hello, I'm Danny.

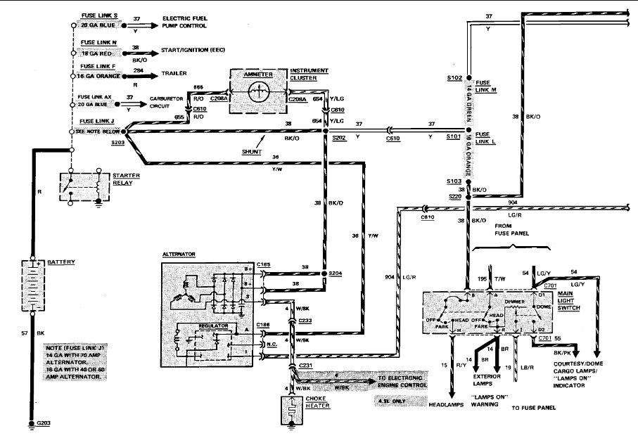
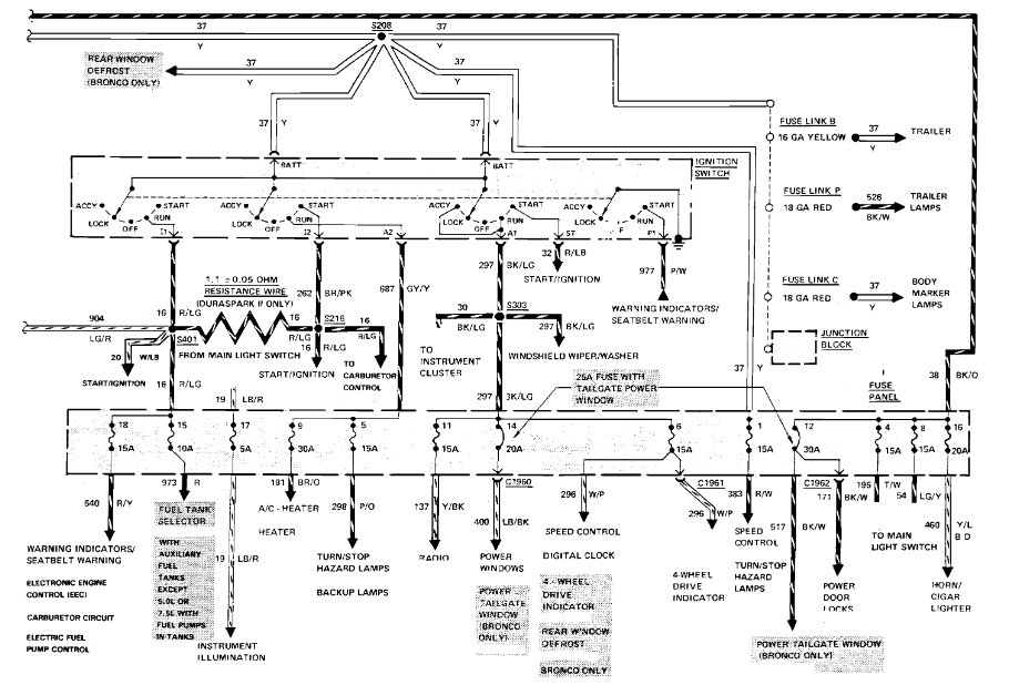
I've attached 2 wiring diagrams below.Hope this helps and thanks for using 2CarPros.

Danny-
Dec 31, 2019 at 12:30 PM (Merged)
Avatar
DENNISELDER
  • MEMBER
  • 1 POST
I have a problem with the starter still turning over when I turn the key to start. It won't stop trying to turn over even when I shut the key off. Today the battery was down on it, something it wasn't doing, but it did turn over slow, like the starter was dragging before. Could be a number of things, But I would like to pinpoint it. Battery is good, new regulator, new starter solenoid.
Dec 31, 2019 at 12:30 PM (Merged)
Avatar
RASMATAZ
  • CERTIFIED EXPERT
  • 75,992 POSTS
Duplicate the problem and then bang on the starter relay if it stops replace the relay after all that banging and continues replace the ignition switch
Dec 31, 2019 at 12:30 PM (Merged)