fuse box location

2004 FORD EXPLORER
62,000 MILES • 6 CYL • AWD • AUTOMATIC
Avatar
LINDSEYMG
  • MEMBER
  • 2 POSTS
My dash lights and tail lights went out at the same time. We replaced a fuse and the tail lights are working now. The dash lights don't work still. We are unsure we know where the correct fuse is located. Also, we put a fuse in where one was blown and a burning smell came out but no lights went on
Jan 4, 2008 at 6:38 PM
Advertisement
Avatar
FISHERMAN
  • CERTIFIED EXPERT
  • 937 POSTS
Hello !!

Well if a fuse blown its because a high load or short circuit, tell me which fuses were blown (number amperes and location) and I`ll pull out an schematic to see which circuit are feeding.

Here is a guide with diagrams below.

https://www.2carpros.com/articles/how-to-check-a-car-fuse

Check out the diagrams (Below). Please let us know if you need anything else to get the problem fixed.

Jan 4, 2008 at 7:25 PM
Avatar
LINDSEYMG
  • MEMBER
  • 2 POSTS
That's the problem. I am car stupid and I there are so many fuses I can't tell which one it is. I found one fuse blown just by checking each one and replaced it but that didn't work. Should I just check each one and then let you know? I really just wanted a chart to show which fuse it would be so that I could see if it's the fuse or something else

Well if a fuse blown its because a high load or short circuit, tell me which fuses were blown (number amperes and location) and I`ll pull out an schematic to see which circuit are feeding.


Let us Know to continue...

Good Luck![/quote]
Jan 8, 2008 at 2:07 PM
Advertisement
Avatar
FISHERMAN
  • CERTIFIED EXPERT
  • 937 POSTS
The fuse box has a number on each fuse printed, but don`t worry!! I will post an schematic of the fuse box and location as soon as I get home 4PM Pacific time..

And we will start from there!

Have a nice day!
Jan 8, 2008 at 2:33 PM
Avatar
FISHERMAN
  • CERTIFIED EXPERT
  • 937 POSTS
hello Again .. The dashboard lights are feed by the same fuse that feeds the exterior lights looks like you have a short wire somewhere... here`s part of the diagram, if you need it complete let me know and I will send it to your email. Good Luck!


https://www.2carpros.com/forum/automotive_pictures/576_01_2.jpg

Jan 8, 2008 at 7:30 PM
Avatar
SOURCERER
  • MEMBER
  • 1 POST
crossed battery cables during jumping....have little power signs (dome light) but absolutely no ignition.
Also steering wheel lock not functional....is it possibly only a fuse or relay problem? If so where do I start?
Appreciate any help,
Neil
Dec 4, 2019 at 2:30 PM (Merged)
Avatar
RASMATAZ
  • CERTIFIED EXPERT
  • 75,992 POSTS
You probably blew a fusible link-You got 3 of them


https://www.2carpros.com/forum/automotive_pictures/12900_fusible_links_3.jpg

Dec 4, 2019 at 2:30 PM (Merged)
Avatar
JUDYTMORRIS
  • MEMBER
  • 1 POST
what does the fuse in slot 38 control on a 2004 Explorer? There is no fuse in this slot now. Should there be?
Dec 4, 2019 at 2:30 PM (Merged)
Avatar
JDL
  • CERTIFIED EXPERT
  • 16,098 POSTS
Have you been having a problem with this vehicle? Maybe somebody pulled that fuse for a reason? They use fuses to protect wiring circuits, I can't tell from here what is going on?

F1--38 battery junction box, under the hood, 15 amp fuse. Hopefully is something is wrong it will just blow the fuse, that's your responsibility.
Dec 4, 2019 at 2:30 PM (Merged)
Avatar
REDROCKY
  • MEMBER
  • 1 POST
I have the windows will not go up or down, the gas gage not working, and radio is not playing. I replace the fuse about 10 mins later the fuse blow again. What can the short be?
Dec 4, 2019 at 2:30 PM (Merged)
Avatar
TOOOMANYTOYS
  • CERTIFIED EXPERT
  • 513 POSTS
Process of elimination. I would start by removing power to easy stuff like the window motor or radio. if the fuse stops blowing when power is removed from a component than just trace it back. Installing a circuit beaker in place of fuse will also aid in finding the short That way you are not repacing fuse after fuse.
Dec 4, 2019 at 2:30 PM (Merged)
Avatar
ALBERTMAN
  • MEMBER
  • 1 POST
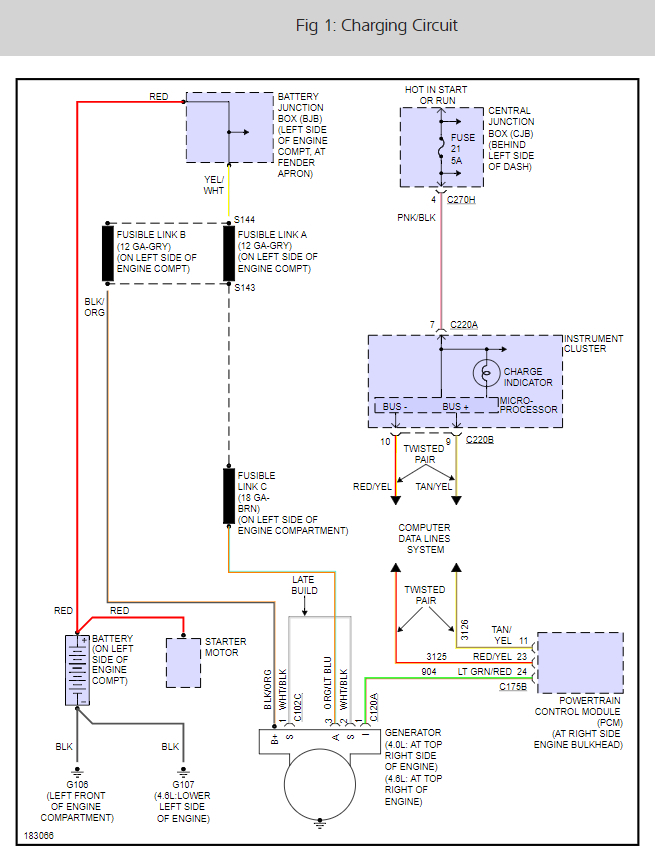
my ford explorer sport truck battery will not stay charged we know it could b the alternator we are wanting to check the fuse first but no owners manual to say where the fuse is located can u tell me whereit is located???
Jan 13, 2020 at 8:28 PM (Merged)
Avatar
CARADIODOC
  • CERTIFIED EXPERT
  • 34,306 POSTS
The alternator fuses are called fusible links and are located on the side of the under hood junction box.

Here is a guide to help you test them

https://www.2carpros.com/articles/how-to-use-a-test-light-circuit-tester

Measure the voltages at the plug on the alternator. If the wire colors are the same as they used in the mid '90s, the yellow wire should have battery voltage all the time unless that fuse is blown. If the battery light turns on, the green / red wire is working. You should find about 2.0 volts on it. If you find 0 volts, that wire is shorted to ground. The light will stay on and the alternator will not turn on.

If the battery light never turns on and there's 0 volts on the green / red wire, that wire is broken. If there's battery voltage on that wire, either the terminal is not making a good connection in the connector or the voltage regulator is defective.

If the voltages check good, look at the six screws on the regulator. Four of them hold it to the back of the alternator. The other two are connected to the two brushes. One might have a protective plastic cap on it if it hasn't fallen off yet. Measure the voltages on those two screws while the engine is running and let me know what you find.

Cheers, Caradiodoc
Jan 13, 2020 at 8:28 PM (Merged)
Avatar
MJR346
  • CERTIFIED EXPERT
  • 132 POSTS
caradiodoc has great ideas but watch out as roughly around this time frame, Ford changed from a conventional Alternator system to one that uses the engine computer to regulate the alternator and requires a scan tool to properly diagnose
Jan 13, 2020 at 8:28 PM (Merged)
Avatar
JANISENDUWEFR
  • MEMBER
  • 1 POST
I need to know the 3 locations of all fuse boxes in the 2004 Ford Explorer, please
Jan 13, 2020 at 8:28 PM (Merged)
Avatar
STRAILER
  • CERTIFIED EXPERT
  • 53,854 POSTS
Here are all three locations and the fuse panel diagrams that go along with the panels. Here is also a guide that will help you test the fuses.

https://www.2carpros.com/articles/how-to-check-a-car-fuse

Under the hood near to brake master cylinder. Driver side end of instrument panel. Passenger side rear quarter trim panel

Please let us know if you need anything else to get the problem fixed. Cheers, Ken
Jan 13, 2020 at 8:28 PM (Merged)
Avatar
MELSAWYER
  • MEMBER
  • 1 POST
is there a fuse panel for the 4X4 switch on a 2004 ford explorer?
Jan 13, 2020 at 8:28 PM (Merged)
Avatar
BMRFIXIT
  • CERTIFIED EXPERT
  • 19,053 POSTS
Hello,


Here is a guide to help you test for power and the fuse panel locations and identifications below. The F2-12 is 4WD switch fuse.

https://www.2carpros.com/articles/how-to-check-a-car-fuse

Check out the diagrams (Below). Please let us know if you need anything else to get the problem fixed.
Jan 13, 2020 at 8:28 PM (Merged)