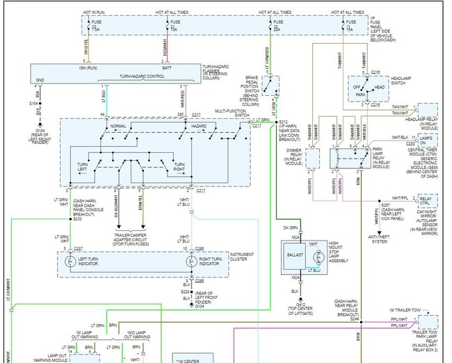
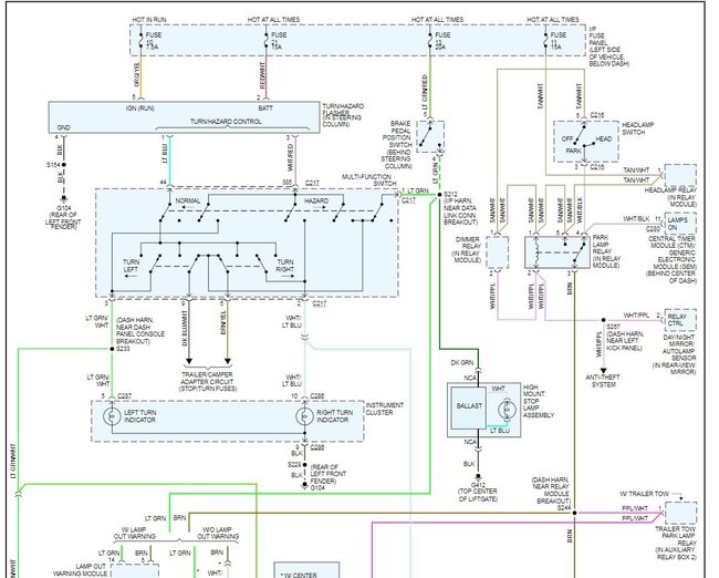
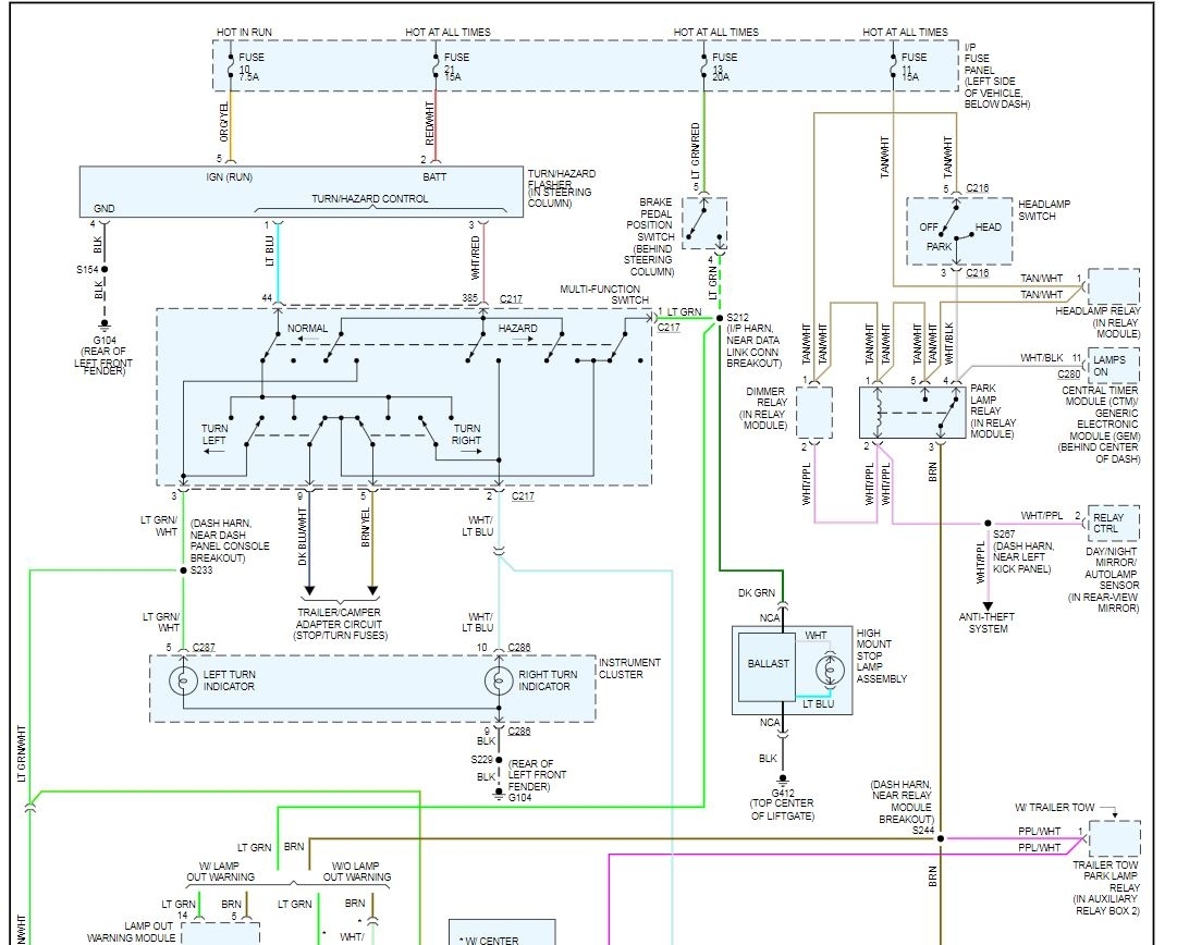
Two lower brake lights don't work, one above hatch does. I replaced the bulbs, and did not find a blown fuse. What else can it be. If the brake light switch was bad, wouldn't the upper light not work also?
Jul 3, 2009 at 11:07 AM

