we have only high beam lights no low beams

1997 FORD EXPLORER
118,231 MILES • V8 • 2WD • AUTOMATIC
Avatar
CHALIE LOCH
  • MEMBER
  • 3 POSTS
The problem started with the loss of the driver side low beam. Lamps, fuses, relays and every less ok. Then the loss of the other (right side) lamp. now we have only high beam lights. The combination switch is ok - turn lights - high beam - flash switch etc. Yes I have checked the lamps - there is NO POWER ! There is power for all the lights except the low beams. Yes I have checked very thing. The vehicle does not have DRL and/or if it does they do not work. The vehicle has auto lamp. Now WHAT?

NOW WHAT !!!????
Oct 3, 2008 at 10:54 PM
Advertisement
Avatar
KHLOW2008
  • CERTIFIED EXPERT
  • 41,814 POSTS
Hi Charlie ,

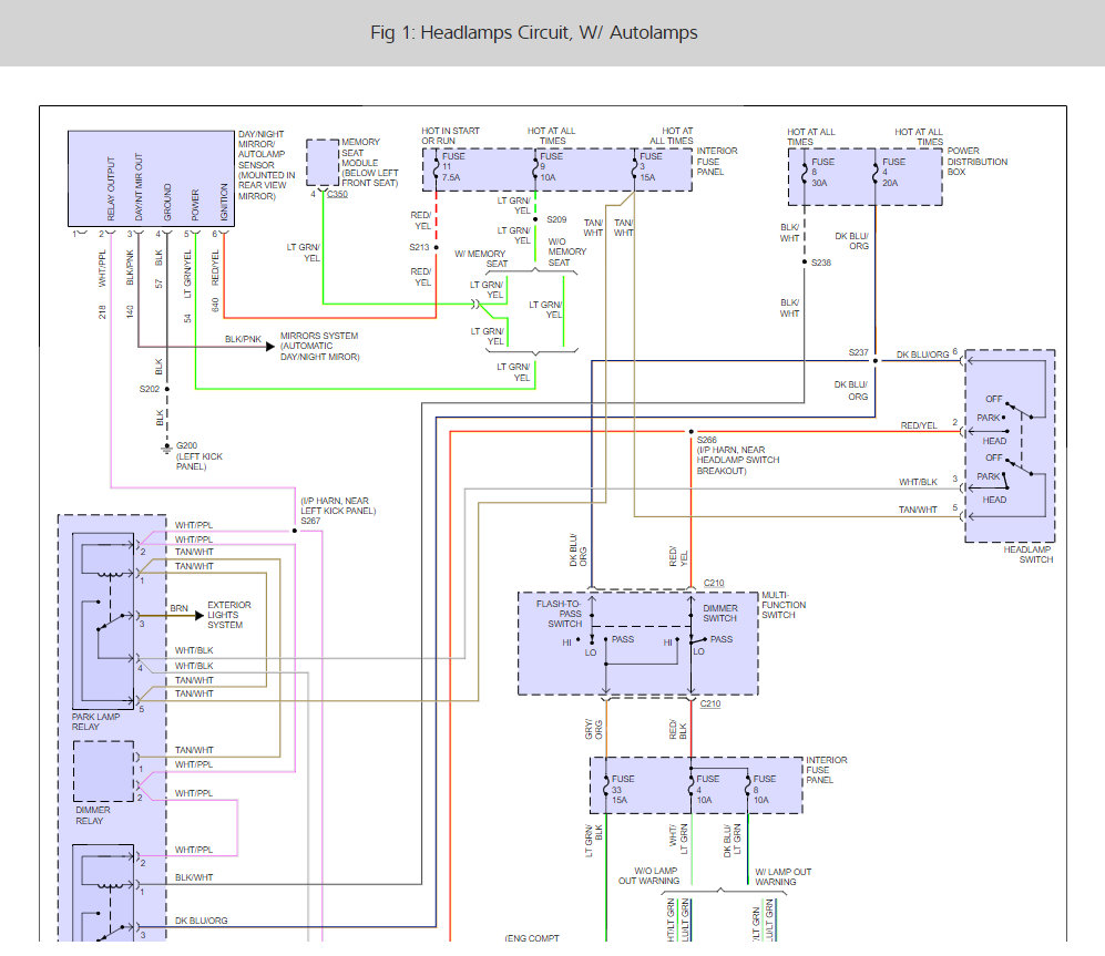
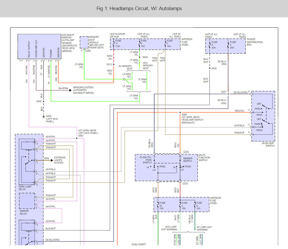
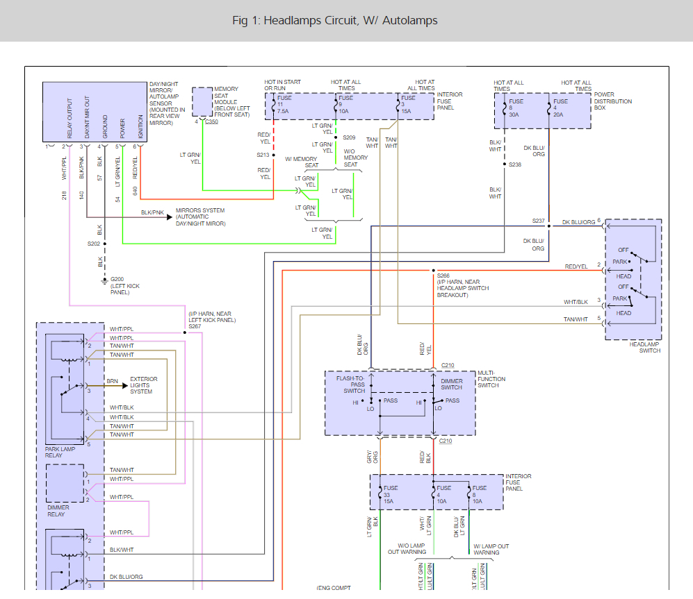
It sounds like you have a lamp out warning module that has gone out but to be sure here is a guide and some headlight wiring diagrams so we can confirm the problem.

https://www.2carpros.com/articles/how-to-use-a-test-light-circuit-tester

Light Out Warning Module - In instrument panel console.

Please let us know what happens.

Cheers,
May 10, 2021 at 1:50 PM
Avatar
CHALIE LOCH
  • MEMBER
  • 3 POSTS
You guys are the best you nailed it. I remove the instrument cluster and I could see burnt connections I got a used unit and installed it worked like a charm. I love this site keep up the good work guys!
May 10, 2021 at 1:50 PM
Advertisement
Avatar
STRAILER
  • CERTIFIED EXPERT
  • 53,855 POSTS
Nice work, we are here to help, please use 2CarPros anytime.

Cheers, Ken
May 10, 2021 at 1:50 PM