V8 Two Wheel Drive Automatic 85,000 miles.
My SUV will not crank. My observations so far:
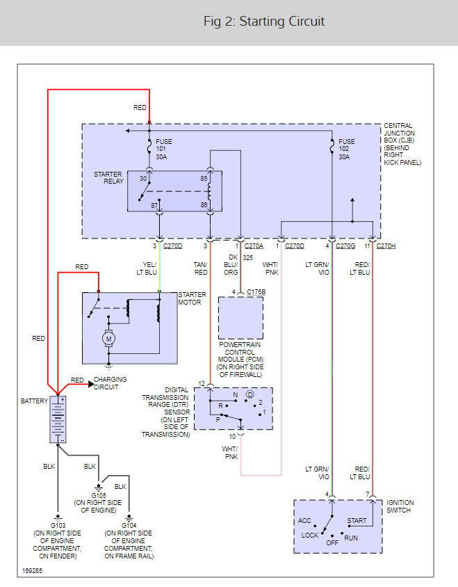
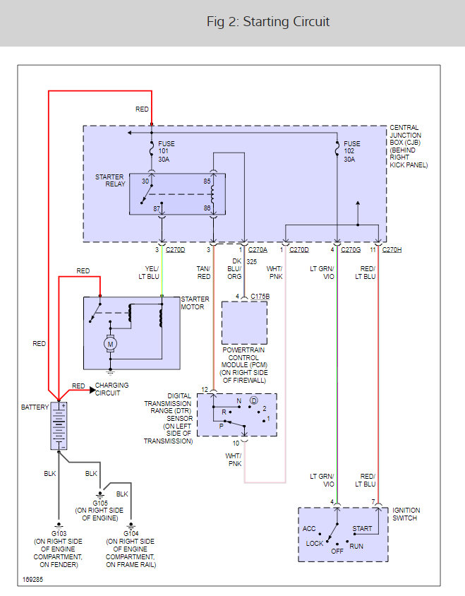
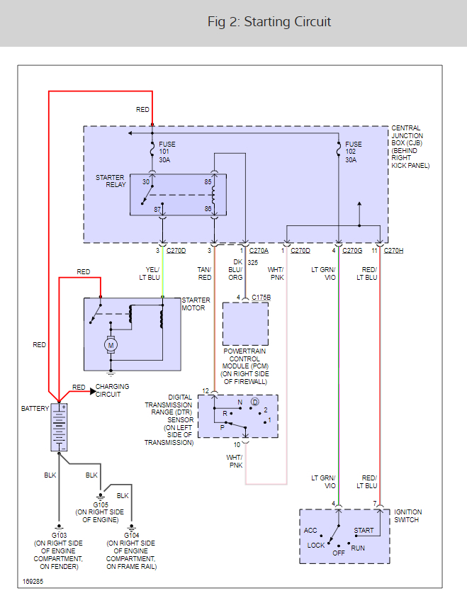
1. On the "message center", where the mileage is displayed, it shows "PRNDL error" when you turn the ignition to "on".
2. A loud buzzing noise is coming from the fuse panel.
3. All fuses are good. I removed all of the relays and the buzzing continued.
4. If I disconnect one of the two wiring harnesses with purple paint, the buzzing stops and the car cranks.
5. If I remove the ignition circuit 30 amp fuse, the buzzing stops, but of coarse, will not crank.
I tried to move to different gearshift positions, including neutral, but no luck.
One more odd item that might be relevant is that the interior lights do not shut off when I close the doors. They used to after a few minutes, now they do not.
Pulled in the garage last night from a two hundred mile trip and this morning when I went to crank, it would not.
Any ideas?
Jim
My SUV will not crank. My observations so far:
1. On the "message center", where the mileage is displayed, it shows "PRNDL error" when you turn the ignition to "on".
2. A loud buzzing noise is coming from the fuse panel.
3. All fuses are good. I removed all of the relays and the buzzing continued.
4. If I disconnect one of the two wiring harnesses with purple paint, the buzzing stops and the car cranks.
5. If I remove the ignition circuit 30 amp fuse, the buzzing stops, but of coarse, will not crank.
I tried to move to different gearshift positions, including neutral, but no luck.
One more odd item that might be relevant is that the interior lights do not shut off when I close the doors. They used to after a few minutes, now they do not.
Pulled in the garage last night from a two hundred mile trip and this morning when I went to crank, it would not.
Any ideas?
Jim
Dec 23, 2007 at 3:32 PM















