Brake lights wont turn on?

2003 FORD EXPEDITION
83,000 MILES • V8 • 2WD • AUTOMATIC
Avatar
FRANCESCA VARGAS
  • MEMBER
  • 1 POST
All three brake lights are off and will not turn on. The brake lights were replaced and the fuse appears to be working as all the other lights turn on; but all the three brake lights are still out.
Nov 27, 2009 at 7:54 AM
Advertisement
Avatar
JDL
  • CERTIFIED EXPERT
  • 16,098 POSTS
Welcome to he forum, if the high-mount brake lite doesn't work, check the brake light fuse #2 in the fuse panel on the right side of the dash this guide will help

https://www.2carpros.com/articles/how-to-check-a-car-fuse

If the fuse is okay I would replace the brake light switch which I have included in the images below, also go over this guide as well.

https://www.2carpros.com/articles/brake-lights-not-working

Here is a generic guide to help you step by step with instructions in the diagrams below to show you how on your car.

https://www.2carpros.com/articles/how-to-replace-a-brake-light-switch

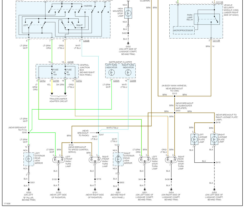
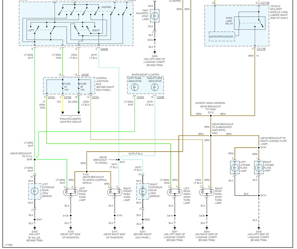
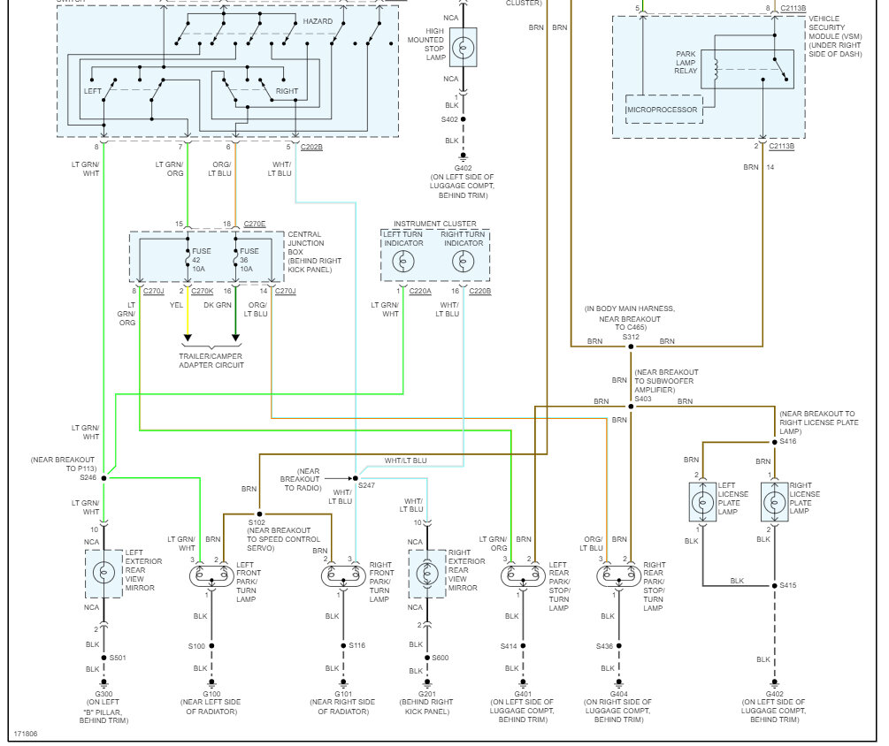
Here is the brake light wiring diagrams so you can see how the system works. Check out the images (Below). Please let us know how it goes





Nov 27, 2009 at 9:23 AM